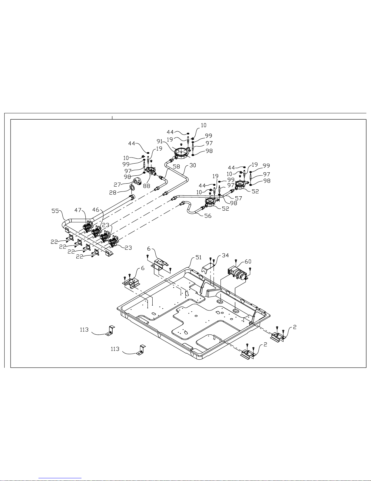
TC 60 G INOX .
BARRE FIXATION AU BRULEUR
0002
Z01P002
DIFFUSUER BRULEUR SEMI-RAPIDE
0004
Z01P199
CHAPEAU BRULEUR INOX SEMI-RAPIDE
0005
ZL01A011
FIXATION BRULEUR RAPIDE/AUX
0006
Z01P001
DIFFUSEUR BRULEUR AUX
0008
Z01P198
CHAPEAU INOX BRULEUR AUXILIARE
0009
ZL01A010
RESSORT FIXATION BOUGIE ALLUMAGE
0010
Z01P109
DIFFUSEUR BRULEUR RAPIDE
0012
Z01P200
CHAPEAU INOX BRULEUR RAPIDE
0013
ZL01A012
BOUGIE AUXILIAIRE / RAPIDE / DEMIRAPIDE
0019
Z09P107
FIXATION ROBINET
0022
Z01P169
ROBINET DEMI-RAPIDE AVEC SECURITE AVEC M
0023
ZN01A002
GRILLE DROITE EN INOX DOM. 60
0026
ZG01A148
RACCORD GAS
0027
Z01E711
JOINT CONNECTEUR GAS
0028
Z016266
TUBE BRULEUR RAPIDE GAUCHE 60CF
0030
Z07P068
FIXATION FERMETURE TUBE RAMPE
0034
Z01P000
ANNEAU GOMME ANTI DEBORDEMENT
0039
Z01Q445
MANETTE MINA INOX CHROMEE
0040
ZB03A228
JOINT BOUGIE
0044
Z01P110
ROBINET RAPIDE AVEC SECURITE AVEC MICRON
0046
ZN01A003
ROBINET AUXILIAIRE
0047
ZN01A001
CARTER PROTECTION BRULEUR
0051
Z20Q040
SUPPORT BRUL.SEMIRAPIDE +INJ D 0,97
0052
Z01P341
STG RAMPE 4F 60CF
0055
Z01P028
TUBE BRUL. SEMIRAP. DROIT ANT.60CF
0056
Z07P035
TUBE BRULEUR SEMIRAP ARRIERE DROIT 60CF
0057
Z07P056
TUBE BRUL. AUX ANT. GAUCHE 60CF
0058
Z07P029
GENERATEUR 4F
0060
Z09L716
INJECTEUR D 0,50
0070
Z05P171
INJECTEUR D 0,65 - G30 - 29 mbar SR
0071
Z05P172
INJECTEUR D 0,85 - G30 - 29mbar R
0072
Z05P173
GRILLE GAUCHE INOX DOM. 60
0086
ZG01A147
SUPPORT BRUL. AUX + INJ D0,72
0088
Z01P339
SUPPORT BRULEUR RAPIDE + INJ D 1,15
0091
Z01P343
TERMOCOUPLE AUX/SEMIR./RAP.
0097
Z01P111
FIXATION THERMOCOUPLE
0098
Z05P112
JOINT THERMOCOUPLE
0099
Z01P324
BARRE FIXATION DESSUS SUR CARTER
0113
ZC01A038
DISTANT. CARDAN LEITON
0116
ZB05A001
DOMINO 60 INOX
0145
ZY47A112
xte