
ENERAL INF
RMATI
N
SAFETY INTERLOCK
While the Amplifier's top cover is in place, the interlock switch
closes to allow AC line voltage to reach the power transformer.
When the top cover is removed, the interlock opens and
disconnects the line voltage. This does not discharge the bank of
power supply filter capacitors. Be sure to allow the filter
capacitors to discharge before you touch anything inside the
Amplifier. You can select the High Voltage function of the
Multimeter to check the high voltage potential. Never attempt to
defeat the safety interlock. WARNING- Never remove the cover
o
this am
li
ier with the unit
lu
ed into the
ower line.
This Amplifier is designed to operate at full ratings when it is
driven by an exciter that has approximately 100 watts of RF
output. You can use an exciter that has lower output power, but
the Amplifier's output will be less. If you use an exciter that
delivers more than 100 watts, carefully adjust the driving power
to avoid "over drive" and the creation of spurious signals, which
create needless interference to other operators. We highly
recommend that you use a monitor scope for continuous output
monitoring. The display on an oscilloscope is the best way of
determining the amplitude of the voice peaks which, if
excessive, can cause "flat topping" and splatter.
PLATE SUPPLY
The plate supply has a full wave bridge rectifier and a 1.8 KVA
CCS rated tape wound hypersil transformer. Filtering is
accomplished by a bank of high quality capacitors totaling 26
mfd (additional capacitance will not improve supply
performance). The Plate Supply will not be harmed by normal
continuous amateur operation at 1500 watt levels. Power is
applied through RLY2 when the 12V DC low voltage supply is
activated. A 10 ohm resistor limits the line current during the
filter capacitor charge time to lower the stress on components.
When the primary voltage approaches the full line value, RLY3
shorts the 10 ohm resistor and applies the full line voltage to the
plate transformer. The 10 ohm resistor acts as a fuse during start-
up if the high voltage supply has a short.
A simple modification will allow operation on frequencies above
15 meters. Instructions for this modification are available by
sending a written request for "Export Modification Instructions"
along with a copy of a valid amateur license. There is no charge
for this information. Export models are shipped with this
modification and have an "X" or "J" following the serial number.
Standard frequency coverages are indicated in the chart
followin
the tunin
i
structions on
a
e 10.
IMPORTANT: In no case should you advance the power output
control of your exciter beyond the point where the Amplifier's
Power Output indication ceases to increase. If you turn the
control past this point, nonlinear operation may occur.
FILAMENT SUPPLY
The filament circuit of this amplifier satisfies all requirements
of the tube manufacturer related to tube performance and life.
Inrush current is controlled by the transformer internal
resistance and impedance, filament choke resistance and
filament wiring resistance. To insure maximum life of the tube
never replace any circuit components or wiring with substitute
ECHNICAL ASSISTANCE
Technical assistance is available during our normal business
hours on weekdays. The following information is required to
assist you with operational problems:
1. Name and daytime phone number
2. Model and Serial Number
3. Date of purchase and dealer
Meter readings at all stages of the tuning proceedure are very
important along with a complete description of the other
e
ui
ment used with our
roduct.
The low voltage tap on the filament transformer primary pro-
vides the ability to operate the blower at slower speeds for
reduced noise. Normal amateur operation in CW and SSB will
not cause heat damage to components on any recommended tap.
It is always advisable to use the maximum speed (air flow) that
the level of noise permits to extend component life. Wiring
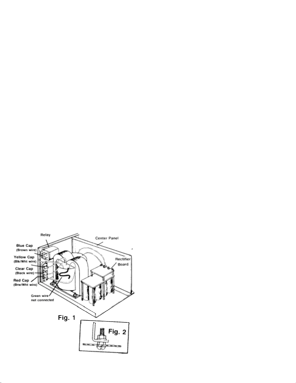
information for the blower is shown in the "Transformer
Connections" instructions on
a
e 6.
Written assistance is also available. Due to time delays in
processing mail, please allow at least three weeks for a written
AMERITRON
116 Willow Rd. Starkville,
Ms. 39759 Telephone
601
323-8211 FAX
601
The high voltage present on the plate choke and air variable
capacitors attracts dust and dirt out of the air stream. It is
particularly important that the high voltage areas at the bottom
of the plate choke and the insulators on the air variable
capacitors be dust free. These areas should be inspected every
few months if the amplifier is operated in a dusty environment.
Unplug the line cord, and wait about 90 seconds until the power
supply capacitors discharge. Check the HV scale for zero
voltage before removing the cover. Remove the cover and
connect a jumper wire from ground to the anode connection of
the tubes.
NOTE: This is a safety wire that must be installed when
beginning service work. After service is complete, reverse the
procedure to remove the safety wire. Remove the wire from the
anode connection first and then from ground.
Use a soft bristle brush dipped in alcohol to clean areas men-
tioned previously. In the event that cleaning is required at
frequent intervals, place a low restriction air filter material over
the air inlet holes on the left front side of the cabinet near the
filter capacitors. Most hardware stores stock suitable materials
that are used as replacement filters for window air conditioners.
PERIODIC MAINTENANCE