
[
[
[
[ 2A3
2A3
2A3
2A3 Push-Pull
Push-Pull
Push-Pull
Push-Pull Tube
Tube
Tube
Tube Amplifier
Amplifier
Amplifier
Amplifier ]
]
]
]Analog
Analog
Analog
Analog Metric
Metric
Metric
Metric
www.analogmetric.com
PRECAUTIONS
PRECAUTIONS
PRECAUTIONS
PRECAUTIONS
•
Do not use any body parts to touch the metal parts of the kit after power up or power
off, since the high voltage capacitors may not fully discharge. It may cause serious
electric shock.
•
Use a power transformer with fuse (3A) socket to limit the supply current in case of
short circuit or incorrect assembly.
•
Double check the assembled components with the schematics.
•
Do not attempt the measure the voltage by multimeter with hand after power up. The
probes of the multimeter should be mounted by some stands to the points of the
measurement before switching on the power supply.
•
Turn off the power supply if you observe any smokes or hear strange sound coming
out from the transformer or board. If there is short circuit, the transformer will be
getting very hot shortly.
PROCEDURES
PROCEDURES
PROCEDURES
PROCEDURES
1.
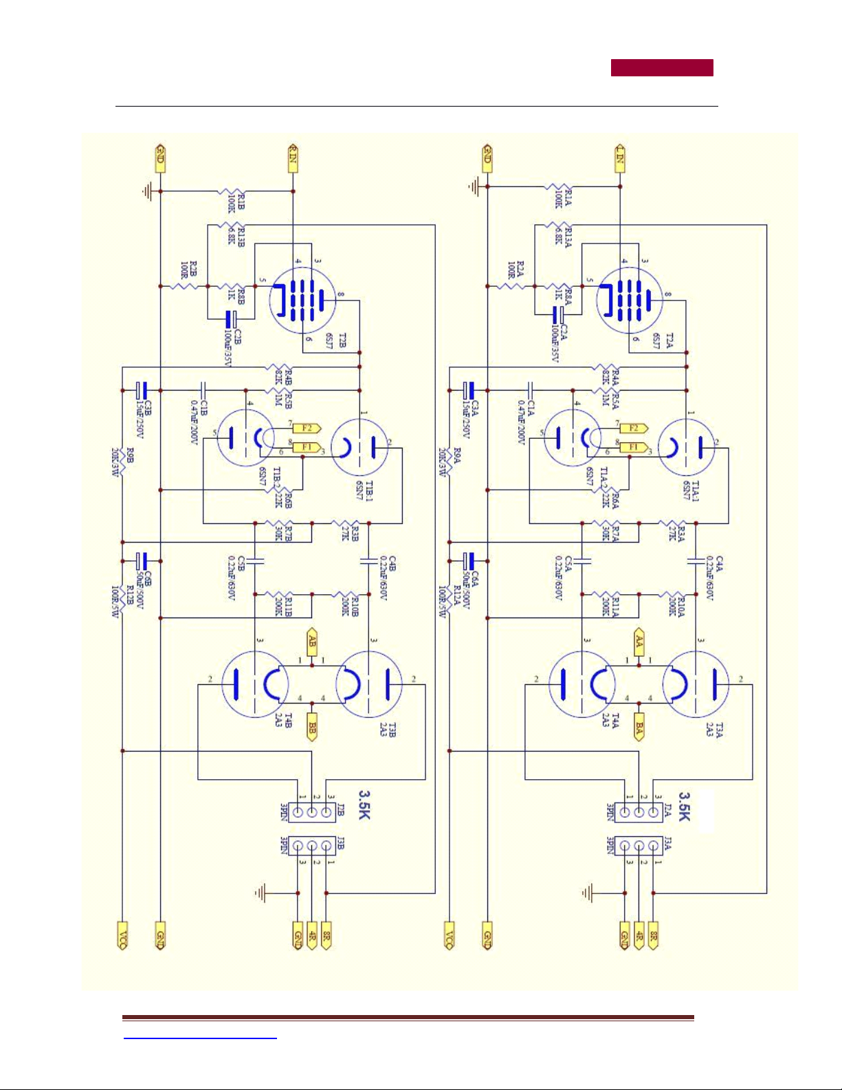
Hook up all the components according to the schematic, part list, and photos.
Notice to the polarity of the high voltage electrolytic capacitors (C 1A, C1B, C3A,
C3B, C4A, C4B, C5A, C5B, C6A, C6B, C12, C7A, C7B, C11, C31 and C32)
C10, C11, C18, and C19 ). There are no polarities of the thin film capacitors. Also,
notice the direction of rectifier diodes D11 and D21.
2. Without plugging the tubes 6J8, 6SN7, and 2A3 tubes. Only plug the 5Z3P/5U4G
tube to the board. Apply power supply to the boar d, i.e. one 280V AC (100mA) to
connector JA and 5V AC (3.5A) to JB . After turn on the power supply, the 5Z3P
will be led up without drawing a lot current that is the voltages at JA and JB will
maintain more or less the same as before. Then, the rectifier unit work properly.
To more ensure, check the voltages at L11 (~365 V DC) and L12 (~365V DC).
3.
After switch off the power supply and wait several minutes to let high voltage
capacitor discharge. If you do not use the optional inductors, just short both the
connectors L11 and L12 by metal wires.
4.
Now, plug in one 6SJ7 and one 6SN7 tubes (test one channel first), and turn on
power again. If everything works properly, the tubes will led up without drawing
substantial current.