After reading these pages, most of you will be able to connect sources and operate
this unique preamp/mixer without further instructions. For more details, please take a look at the
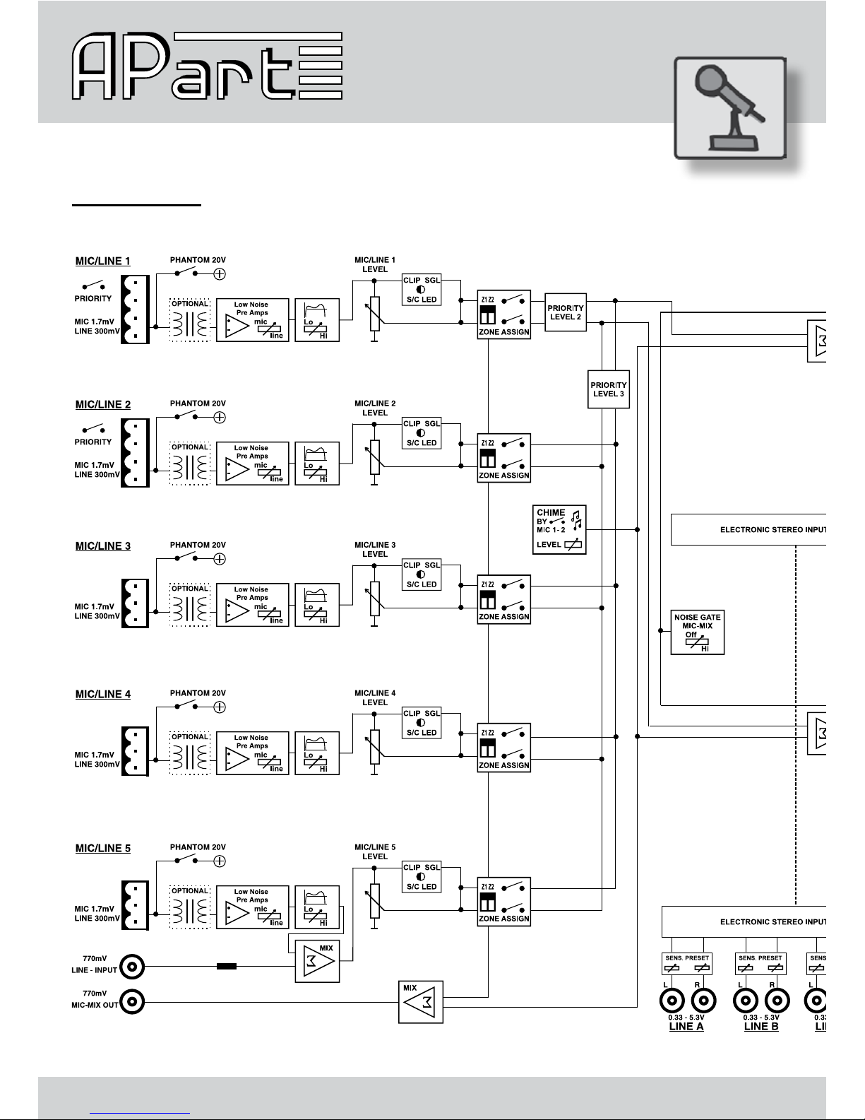
blockdiagram for better understanding and refer to the front and rear panel layout descriptions on the next pages.
The PM1122 features 5 mono mic/line balanced inputs with individual sensitivity, level and tone adjustment potmeters.
Each mic input has its own phantom dipswitch at the back. Each mic input can be assigned to zone 1 and/or zone 2
outputs with dipswitches on the front of the preamp.
Don’t use unbalanced sources in combination with phantom power turned on on the same channel !
Every mic/line channel has its own signal/clip led, it lights green when a sufciently strong signal is present, and turns
red when the input is overloaded, turn down the sensitivity adjustment at the rear to prevent unwanted overloads !
The 5 mic/line inputs (+ the adjustable chime) are all being mixed together to the mix mic output after passing through
the adjustable noise gate. This circuit mutes the mic/line + the chime output signal mix output when no sufciently
strong signal is present. The gate is active (closed) when the yellow led lamp next to the gate sensitivity knob is lit. Use
the gate only to mute unwanted mic noise in your mic/line signal, it is not a “vox” or “voice over”circuit. Set the threshold
until the gate “opens” when you are talking softly (not shouting !) into one of the connected mics or when a mono line
signal is present or when the chime is activated (rst set the chime and mic levels to an appropriate level).
The combined output is separately available at the rear of the device and allows you to use multiple PM1122 units in a
chain with even more mics, output zones or line sources.
A separate mix/mic input is also provided to accept the mix/mic signal from another PM1122 preamp’s mic mix output.
The level of this input can be adjusted with the mic/line 5 potmeter at the front. You can also use this “line input from
another PM1122” as an unbalanced mono line input. When the settings are all done correctly, you can use both inputs
mic/line5 and link input simultaneously because they are being mixed together internally.
Mic inputs 1 and 2 offer an external switch connection on the euroblock connector to activate the chime and priority.
Chime level is also presettable at the rear. Set its level to zero if you don’t need the chime.The rear priority dipswitches
allow you to preset if line level mute per zone is activated yes or no in case a priority mic contact is activated. Mono
inputs are numbered from 1 to 5 and are all mixed together, so in fact you can use this single priority contact in parallel
for all 5 inputs if required (e.g. 5 call mics in a supermarket).
PM1122 also has 4 stereo line level inputs called A to D. Line level is presettable at the rear, this allows signals from
various sources to sound equally loud when you are switching from one source to another. Line levels reaching from
MP3 player’s headphone outputs up to professional line levels from mixers or other sound sources like tuners, CD
players etc can be applied to these unbalanced cinch connectors. Line inputs can be assigned to two zones with the
front music input selectors, or can be remotely controlled with the separately available remote control units.
Zone outputs are individually switchable to mono or stereo at the back and have separate bass, treble, priority set and
music level adjustment per zone. Zone 1 and 2 outputs are available unbalanced on cinch connectors and zone 1 also
available balanced on euroblock connectors.
Finally there is the balanced emergency input with priority contact and adjustable input level. Level is presettable at the
rear only for safety reasons.
For remote control and local signal input, there are 2 pcs RJ45 style connectors available at the rear, one connector
per zone. These are NOT LAN compatible !!! Don’t connect any LAN cable from computer or other networks to these
terminals, they are meant for connecting APart-audio remote control systems only. See the manual of these units for
more details.
Introduction