Manual for BrightUp unit. Document No. BrightUpManual_1.1
03.07.13
Copyright 2011 Articulate Instruments 6
Safety Precautions
WARNING: To Prevent Fire or Shock Hazard, Do not
expose this system to rain or moisture.
Getting Started
Inspection
Upon receipt of your SyncBrightUp unit it should be examined
immediately for any evidence of damage. Damaged shipments
should be reported promptly to the carrier, who is normally liable for
such damage.
All documentation, airway bills and packing materials should be
retained in order to establish claims. After notifying the carrier of
shipping damage, please also advise Articulate Instruments Ltd so
that we may assist in damage claims and supply replacement
equipment if necessary.
System Features
− Works in conjunction with an NTSC or PAL video
source, a speaker/headphone source and a
microphone or line-level source.
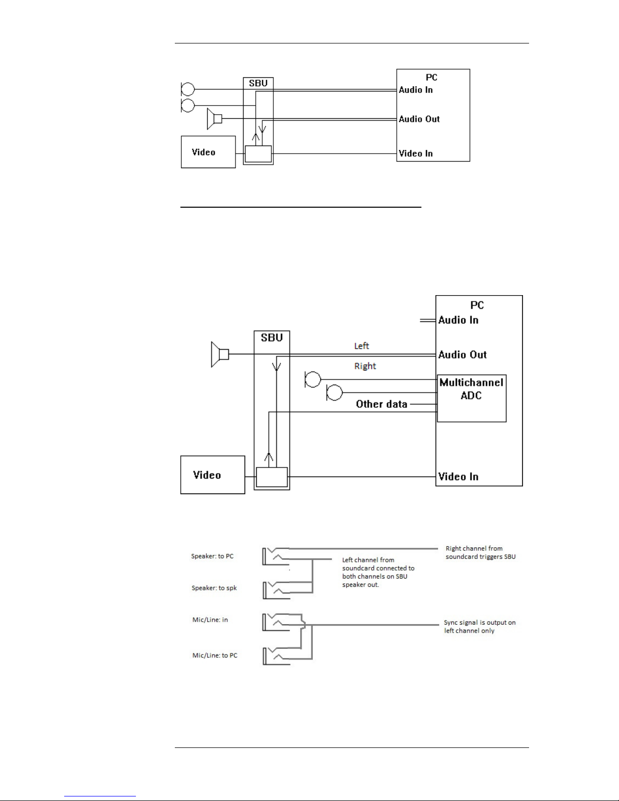
SyncSyncBrightUp unit Description
The SyncBrightUp unit includes the following supplied
components:
− SyncBrightUp Unit
− 2x 1.5m stereo 3.5mm jack to jack cable
− 2x 1m BNC to BNC video cable
The SyncBrightUp unit is designed to provide synchronisation
signals on video and audio channels simultaneously in response to
an audio pulse or tone. Typically the unit is connected between a
composite video source (e.g. camera or ultrasound) and a
composite video recorder (e.g. PC with Adlink Angelo RTV frame
grabber) and also connected between an audio source (mic or line-
level) and an audio recorder (e.g. PC with soundcard). The unit
derives the trigger from the rising edge of a short tone or click from
a headphone level output from a PC soundcard or other audio
output device. When used in conjunction with the Articulate
Assistant Advanced software, video and audio data recorded on
separate channels can be temporally aligned. A set of four 2kHz