
4
ERROR CODES
ERROR CODE CAUSE REMEDY
EO1, E03 Check Electrodes
(Low Impedance Error)
•Electrodes are shorted (e.g., clamped on
a staple)
•Jaws immersed in a conductive fluid such
as saline or blood pool
•Reposition clamp
E02 Close Jaws
(High Impedance Error)
•Jaws of clamp not closed on tissue
•Electrical isolative material such as a
suction tube between the jaws
•Reposition clamp
•Broken interconnect cable •Replace interconnect cable
E03 Check Electrodes
*When using Coolrail®Linear Pen
(MCR1) only*
•A hi-temp error has occurred indicating
that the end effector has overheated, or
the cooling system has malfunctioned.
•Ensure that the fluid cable is not kinked
or occluded and that there is a sufficient
amount of water in the pump box. If these
conditions continue, the Coolrail device
will need to be replaced.
HO1 Replace Handpiece
(Invalid Handpiece) •Invalid handpiece •Replace handpiece
H02 Replace Handpiece
(Time Expired Error) •The 8 hour handpiece clock has expired •Replace the handpiece
F13 Power Measurement Error •Internal ASU power calculation
•Handpiece electrodes are shorted
•Recycle power
•Reposition jaws
•If won’t correct, contact customer service
Code PO1 (Power Generation/
Measurement)
•Recycle power
•If won’t correct, contact customer service
Information relative to other less common error codes can be found in the troubleshooting section in the P000463 ASU IFU.
IFU-0001.C
Troubleshooting Error Codes
• Error codes appear in the bottom of the ASU screen
• “E” Error codes are recoverable and remain on the screen until
the Footswitch is depressed for next cycle
• “H” Error codes will remain on the screen until issue is corrected
• “P” and “F” error codes are non-recoverable and require a restart
(power cycle) of the ASU. If the problem is not resolved, then unit
must be returned for service.
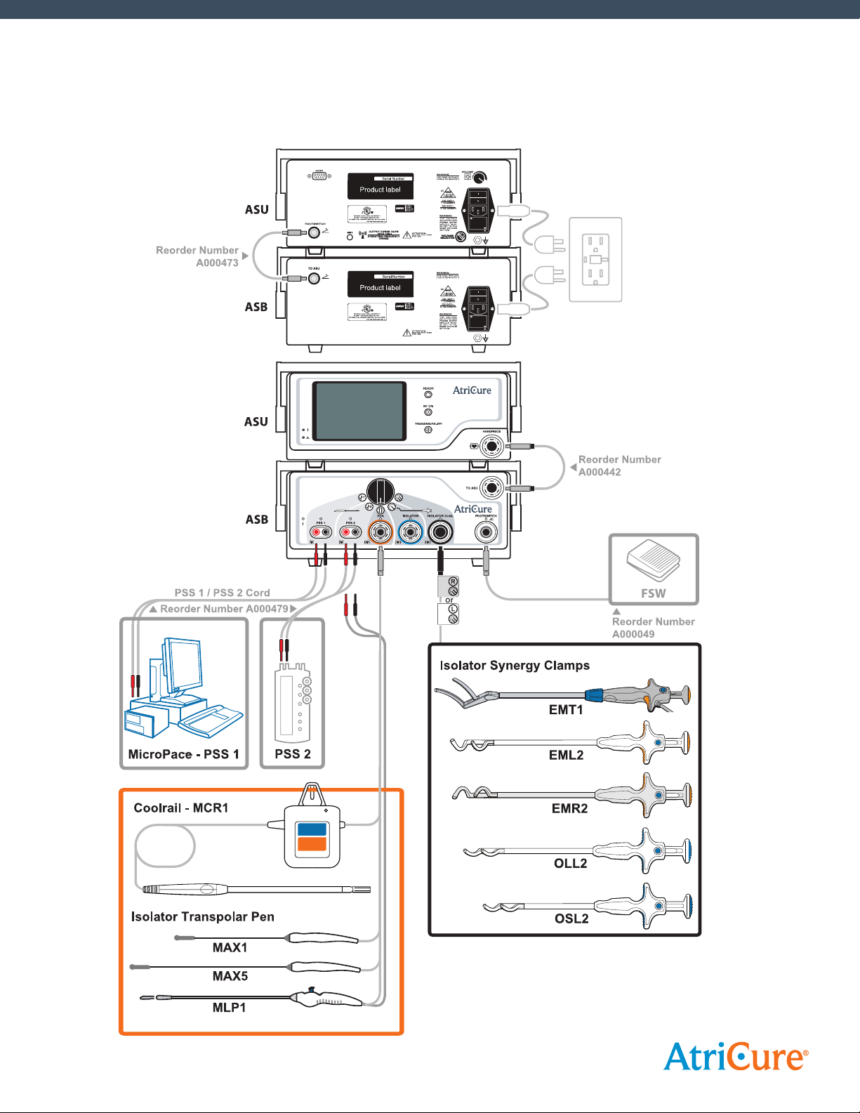
Note: Displays the location where an error code will
display. In this example, an E02 code indicated to
close the jaws of the Synergy Ablation Clamp.
For other concerns, contact your AtriCure representative or contact
the AtriCure Customer Service.
For detailed information, please consult the Instructions for Use.