
PAGE 2
Quick Guide BS 17 / May 2013 © ASL Intercom BV
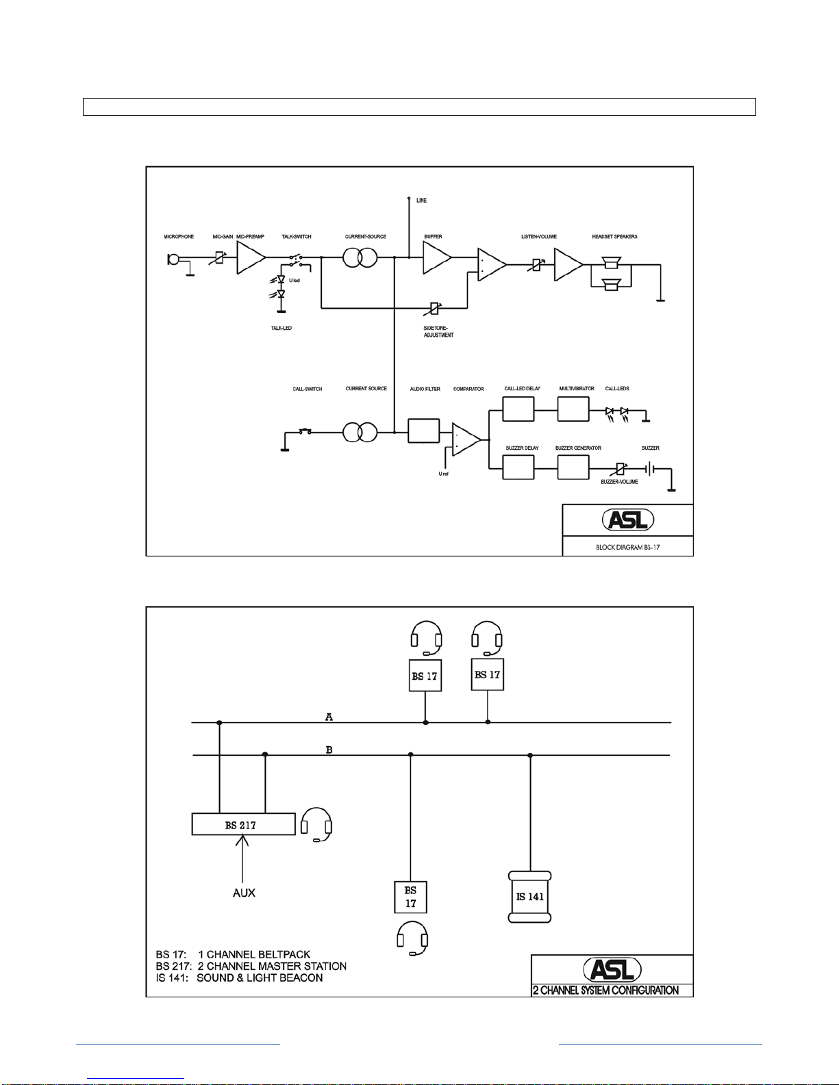
The BS 17 beltpack is a portable single channel
user station housed in a strong ABS/PC case with
a nylon belt clip.
On the top panel are a Volume (listen level)
control, a TALK and a CALL button with LED
indicators. On the side panel are trimmers for side
tone,buzzer volume and mic gain.
A momentary push of the CALL button makes the
red LED flash, whilst holding the button for two
seconds activates the Call sound signal.
The volume of the sound signal (buzzer) is
adjustable
Special attention has been paid to the intelligibility
of speech. By applying low noise/high speed op-
amps, a speech presence filter and a specially
developed amplifier, communication is very
comfortable even in environments with a very
high background noise level.
.
After unpacking the unit please inspect for any
physical damage to the unit, and retain the
shipping carton and relevant packing materials for
use should the unit need returning.
If any damage has occurred, please notify your
dealer immediately so that a written claim can be
initiated. Please also refer to the warranty section
of this quick guide.
To connect the BS 17 to the intercom system, use
professional microphone cable with 2 wires and 1
shield. The for the BS 17 necessary DC voltages
are derived from the intercom master station or
power supply via the interconnecting cables.
The BS 17 is fully protected against mis-wiring
(reverse power) or short-circuit in the intercon-
necting cables.
This unit is warranted by ASL to the original end-
user purchaser against defects in workmanship
and materials in its manufacture for a period of
one year from date of shipment to the end-user.
Faults arising from unauthorized modifications,
misuse or accidents are not covered by this
warranty.
When the unit is faulty it should be sent, in it's
original packing, to the supplier or your local ASL
dealer, with shipping prepaid. A note must be
included stating the faults found and a copy of
the original suppliers invoice.
1 VOLUME control knob
To adjust the listen level for the headset.
2 TALK button
By pushing this button the signal of the headset
microphone is sent to the intercom party line.
When the button is switched on, its large green
LED is lit.
3 CALL button
To activate the call system. By a momentary
push a call signal is sent to all stations
connected to the intercom channel and the call
LEDs start flashing. Push and hold the CALL
button for 2 seconds activates the call buzzer.
After the CALL button is released the LEDs
continue to flash for a further 2 seconds.