
Description
The AMC105-2 is a dual zone omnidirectional microphone designed
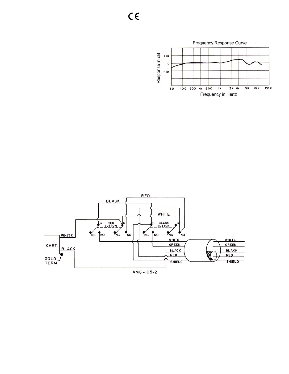
especiallyforfixedorgooseneckmountinginqualitysoundinstallations.A
smooth,wideband frequency response with a slightintentional"presence"
boost at 2000 Hz gives a "natural", crisp, highly intelligible sound. Two
DPDT sealed micro switches, with color coded buttons for easy
identification,permitspagingintwoareas, and an all-call features obtained
by depressing both buttons simultaneously. TheAMC105-2 is extremely
rugged and reliable, and will stand up under the most strenuous handling
conditions to provide years of dependable service.
TheAMC105-2 is supplied with a 5/8-27 mounting thread, 2.1m (7ft.) of
rugged, synthetic jacketed four conductor, two shielded cable. Black
Cycolac cap, chrome plated screen and black Cycolac housing. A
removable set screw is used to secure the front cap to the microphone
housingand microphone to the gooseneck.
TheAMC105-2 is available in three models.
AMC105-2 LowImpedance, wired normally open.
AMC105-2-13 AMC105-2 on a 330mm (13") gooseneck.
AMC105-2-19 AMC105-2 on a 483mm (19") gooseneck.
DUAL ZONE OMNIDIRECTIONAL
DYNAMIC MICROPHONE
ASTATIC Quality
All AMC105-2 microphones are audio tested and inspected prior to
shipment. Our absolute commitment to quality insures that ASTATIC
microphones remain the BestValuein today's competitive industry.
Operation and Maintenance
TheASTATICAMC105-2 can be cleaned if the housing becomes soiled
byusingaclothdampenedwithisopropylalcohol.Insurepowerisremoved
priorto doing so.
User Techniques and Applications
TheAMC105-2 microphone,becauseof its professional sound and rugged
construction, is an excellent choice for applications requiring dual zone
paging and fixed or gooseneck mounting. This would include fast food
outlets,supermarkets, restaurants, paging stations, factories, warehouses,
etc.
AMC105-2
CommercialAudioProducts