BOC DP180 Manuale utente

A500-03-880
Issue D
Manor Royal, Crawley, West Sussex, RH10 9LW, UK
Telephone: +44 (0) 1293 528844 Fax: +44 (0) 1293 533453
http://www.bocedwards.com
DP180 Dry Vacuum Pump
Description Item Number
DP180 pump, 200 V, 3-phase, 50 Hz A403-02-934
DP180 pump, 200 V, 3-phase, 60 Hz A403-12-934
DP180 pump, 220-240/380-415 V, 3-phase, 50 Hz A403-02-935
DP180 pump, 208-230/380/460 V, 3-phase, 60 Hz A403-12-995
Instruction Manual

CONTENTS
Section Title Page
1 INTRODUCTION 1
1.1 Scope and definitions 1
1.2 The DP180 pump 1
1.3 Gas-ballast boost 2
1.4 Temperature control system 2
1.5 Accessories 2
2 TECHNICAL DATA 3
2.1 General 3
2.2 Performance data 3
2.3 Service 6
2.4 Temperature control system 6
2.5 Lubrication system 6
2.7 Noise data 6
3 INSTALLATION 7
3.1 Safety 7
3.2 Unpack and inspect 7
3.3 Fill the pump with oil 8
3.4 Locate the pump 8
3.5 Electrical installation 10
3.5.1 Select high or low voltage operation 10
3.5.2 Connect the pump-motor electrical supply 12
3.5.3 Check the direction of pump rotation 12
3.5.4 Connect the thermal snap-switch 12
3.5.5 Connect the solenoid-valve 13
3.6 Connect the cooling-water supply 14
3.6.1 Supply quality requirements 14
3.6.2 Connect the supply to the DP180 14
3.7 Connect the DP180 to your vacuum system 16
3.8 Connect the DP180 to your exhaust-extraction system 17
3.9 Gas-ballast boost system 17
3.9.1 Gas-ballast boost not in use 17
3.9.2 Standard air gas-ballast boost 17
3.9.3 Connect the nitrogen supply (if required) 18
3.10 Evacuation of the bearing end-cover (optional) 18
3.11 Leak-test the installation 19
3.12 Commission the installation 19
3.12.1 Adjust the thermostatic control-valve (TCV) 19
3.12.2 Prime the cooling system 20
3.12.3 Commissioning procedure 20
DP180 Dry Vacuum Pump i
Ipsitech 8091-03

Section Title Page
4 OPERATION 21
4.1 Start-up
21
4.2 Shut-down 21
5 MAINTENANCE 22
5.1 Safety 22
5.2 Maintenance plan 22
5.3 Check the gearbox oil-level 23
5.4 Inspect the pipelines and connections 23
5.5 Change the gearbox oil 24
5.6 Relubricate the rotor bearings 24
5.7 Change the head-plate felt filter 25
5.8 Change the gas-ballast air filter element 26
5.9 Clean the inlet-stage sump 27
5.10 Clean the cooling-jacket 27
6 STORAGE AND DISPOSAL 28
6.1 Storage 28
6.2 Disposal 28
7 SERVICE, SPARES AND ACCESSORIES 29
7.1 Introduction 29
7.2 Service 29
7.3 Spares 29
7.4 Accessories 30
RETURN OF BOC EDWARDS EQUIPMENT
Illustrations
Figure Title Page
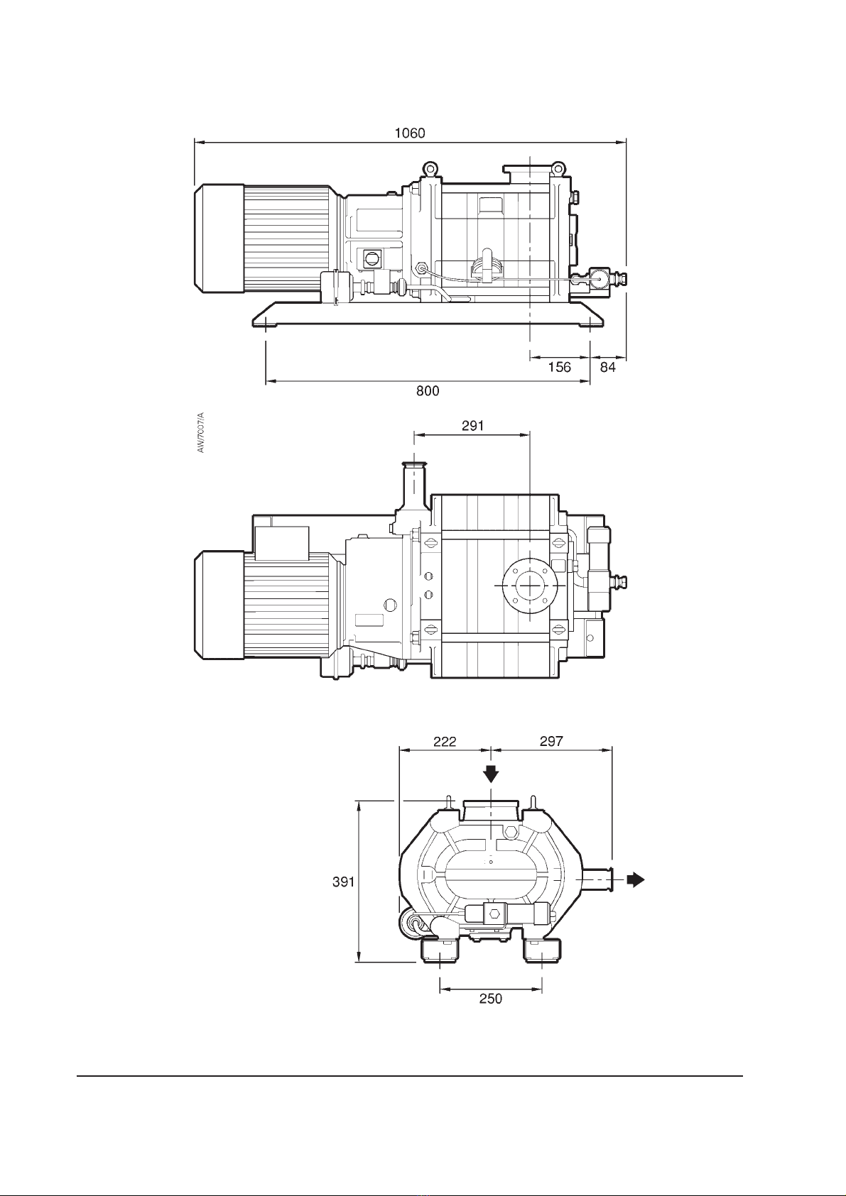
1 Dimensions (mm) 4
2 Pumping speed curves 5
3 Power curves 5
4 Lubrication and gas-ballast boost components 9
5 Motor low voltage configuration (200 V, 50/60 Hz; 220-240 V, 50 Hz) 11
6 Motor high voltage configuration (380/415 V, 50 Hz; 380 V, 60 Hz) 11
7 Motor low voltage configuration (208-230 V, 60 Hz) 11
8 Motor high voltage configuration (460 V, 60 Hz) 11
9 Thermal snap-switch connections 13
10 Cooling system and bearing end-cover evacuation components 15
11 Rotor bearing re-lubrication 25
12 Exploded view of the gas-ballast air filter 26
ii DP180 Dry Vacuum Pump

Tables
Table Title Page
1 Full load current ratings 3
2 Checklist of components 8
3 Pump-motor terminal-box wiring configurations 10
4 Maintenance plan 23
Associated publications
Publication title Publication Number
Vacuum pump and vacuum system safety P300-20-000
DP180 Dry Vacuum Pump iii

(This page deliberately left blank)
iv DP180 Dry Vacuum Pump

1 INTRODUCTION
1.1 Scope and definitions
This manual provides installation, operation and maintenance instructions for the BOC
Edwards DP180 Dry Vacuum Pump (abbreviated to DP180 in the remainder of this manual).
You must use the DP180 as specified in this manual.
Read this manual before you install and operate your DP180. Important safety information is
highlighted as WARNING and CAUTION instructions; you must obey these instructions. The
use of WARNINGS and CAUTIONS is defined below.
WARNING
Warnings are given where failure to observe the instruction could result in injury or death
to people.
CAUTION
Cautions are given where failure to observe the instruction could result in damage to the
equipment, associated equipment or process.
The units used throughout this manual conform to the SI international system of units of
measurement.
1.2 The DP180 pump
The DP180 dry pump operates at pressures between atmospheric and ultimate vacuum without
any lubricating or sealing fluid in the pumping chamber. This ensures a clean pumping system
without back-migration of oil into the system being evacuated. The pump is mounted on steel
runners.
The DP180 is a three-stage, positive-displacement rotary pump in which pairs of intermeshing
rotors (of different profiles mounted on common shafts) are held in correct phase relation by a
pair of timing-gears. The timing-gears and the adjacent double-row angular contact
ball-bearings are oil lubricated.
The pump casing material is cast-iron, the shafts and rotors are made from SG iron. The internal
and external shaft-seals on the pump shafts and the motor drive-shaft are made from
polytetrafluoroethylene (PTFE).
Bearings are located on the high vacuum end of the shaft, near to the pump-inlet. These bearings
are packed with perfluoropolyether (PFPE) grease. As supplied, the bearing end-cover is
connected internally to the pump-inlet and is evacuated when the DP180 pump is operating. If
required, you can use your own external evacuation pump to evacuate the bearing end-cover.
DP180 Dry Vacuum Pump 1

1.3 Gas-ballast boost
The DP180 has a gas-ballast boost system which delivers air to the pump gas-ballast boost inlet.
The flow of air is filtered and is controlled by a solenoid-valve. You can connect the
solenoid-valve to your control equipment to operate the solenoid-valve.
If you wish, you can connect a nitrogen supply to the system in order to deliver nitrogen to the
pump instead of air.
1.4 Temperature control system
The pump is cooled by water which flows through an integral cooling-jacket. The pump is
maintained at a constant operating temperature by a thermostatic control-valve (TCV) which
controls the supply of cooling-water to the pump.
The pump-motor is air-cooled by a cooling-fan which is integral to the motor.
A thermal snap-switch is fitted to the pump-body. This switch shuts down the pump if the pump
is too hot. The switch (which is normally-closed) is connected to the overload control loop of the
pump-motor starter. When the temperature of the pump-body rises to 71 oC, the switch opens
and the pump-motor is switched off.
1.5 Accessories
If the DP180 pump is to be used on clean applications, the pump-outlet can be fitted with a
stainless steel flap-valve accessory. On dirty applications, if the use of an outlet-valve is
necessary, we recommend that you fit a fluoroelastomer flap-valve accessory.
A full list of the accessories available for the DP180 pump is given in Section 7.
2DP180 Dry Vacuum Pump

2 TECHNICAL DATA
2.1 General
Overall dimensions See Figure 1
Mass 230 kg
Nominal motor rating 7.5 kW
Rotational speed 2000 r min-1
Warm-up time 15 min
Vacuum connections
Inlet ISO63
Outlet NW40
Vacuum system maximum leak-rate 1 x 10-3 mbar l s-1, 1 x 10-1 Pa l s-1
Ambient operating temperature range 5 to 40 oC
Maximum ambient operating humidity 90% RH
Maximum exhaust pressure 2 psig, 1150 mbar absolute,
1.15 x 105Pa
2.2 Performance data
Pumping speed range See Figure 2
Power curves See Figure 3
Peak pumping speed 180 m3h-1
Displacement (swept volume) 200 m3h-1
Ultimate vacuum (without outlet flap-valve)
without gas-ballast boost 1 x 10-1 mbar, 10 Pa
with full gas-ballast boost 2.5 x 10-1 mbar, 25 Pa
Water vapour pumping speed at 80 mbar (8 x 103Pa) 5 kg h-1
Full load current ratings See Table 1
Electrical supply Rating (kW) Full load (A)
Voltage (V) Frequency (Hz)
200 50/60 7.5 31.0
208 60 7.0 25.2
220-240 50 7.5 26.8
380-415 50 7.5 15.5
230 60 8.5 25.4
380 60 7.5 19.5
460 60 8.5 14.2
Table 1 - Full load current ratings
DP180 Dry Vacuum Pump 3

4DP180 Dry Vacuum Pump
Figure 1 - Dimensions (mm)

DP180 Dry Vacuum Pump 5
Figure 2- Pumping speed curves
1. With stainless steel flap-valve
2. Without flap-valve
1. Without flap-valve
2. With stainless steel flap-valve
Figure 3- Power curves
Indice
Manuali Pompa dell'acqua popolari di altre marche

Sykes AmeriPumps
Sykes AmeriPumps GP100M Guida alla risoluzione dei problemi

DUROMAX
DUROMAX XP WX Series Manuale utente

BRINKMANN PUMPS
BRINKMANN PUMPS SBF550 Manuale utente

Franklin Electric
Franklin Electric IPS Manuale utente

Xylem
Xylem e-1532 Series Manuale utente

Milton Roy
Milton Roy PRIMEROYAL Manuale utente











