
- 3 -
Important
Read and understand all instructions before you use your product. If you do not follow the instructions
in this manual, we are not responsible for any resulting personal injury or damage to property. This
will also void the warranty.
Important Safety Precautions
• Do not open or attempt to repair this product yourself, as this affects the safety of the product. Risk of injury
or damage to the product.
• Be sure to observe the following guidelines:
- Do not increase speaker volume so high that you cannot hear what is around you.
- Use caution or temporarily discontinue use in potentially hazardous situations.
• Do not make any adjustment on the product when driving or in other situations where distractions can be
hazardous. Responsible and safe driving is your primary responsibility when operating a vehicle.
• Start volume at a low setting then gradually increase the volume until you can hear it comfortably, without
sound distortion or ear discomfort.
• In the event of smoke, strange noise or odor emitted from the product or any other abnormal operational
signs appearing on the product, disconnect the product from the power supply. Discontinue use and contact
your dealer or our technical support. Using the product in this condition may result in permanent damage
to the system.
• Servicing must only be carried out by a technician. Contact our technical support for any service questions.
Installation Precautions
• WARNING: Always consult a professional installer.
• Installation must be performed by a professional. Contact our technical support for any installation questions.
• Use only installation parts provided with the product.
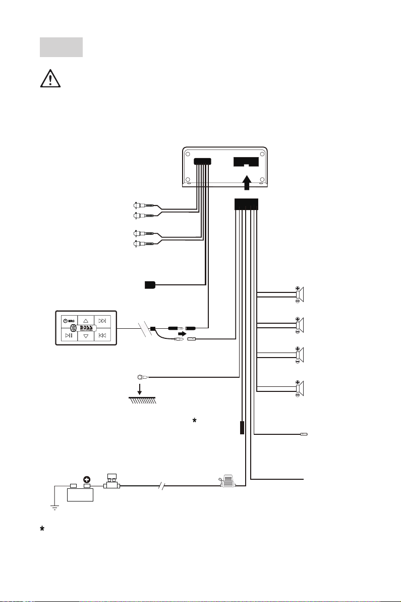
• Before installation, disconnect the negative terminal of the vehicle battery to prevent damage to the product,
re, and/or possible injury.
• If extending the power cable which connects to the vehicle battery, we recommend to run the extended
cable to the battery through a fuse (not included) with at least 20A.
• Ground cable should be as short as possible. Connect the ground cable to a metal part of your vehicle, or
to the battery if your vehicle does not have a grounded chassis frame.
Make sure the metal surface to which the ground cable connects is scraped clean from rust and dirt. The
ground cable must be rmly fastened with a screw or bolt. If extending the ground cable, make sure to use
a high quality cable with proper gauge rating.
• Replace the old fuse with the new one of the same type and rating.
• Observe the safety and operating instructions of the devices which are connected to the product.
• This product is water resistant against splashing water. Do not submerge.
Environmental Care
Do not throw away the product with normal household waste at the end of its life. Follow your local laws if/when
disposing of electronic products. By doing this, you help preserve the environment.