
A
B
C
D
E
F
Title
Number RevisionSize
A3
Date: 1-Jul-1999 Sheet of
CMOD
220p
RMOD
390k
IN4148
DMOD1
D41
IN4004
D40
IN4004
L1
CHOKE
R32
10k
R31
10k
C15
4700u
C14
4700u
D5
IN4004
D6
IN4004
FS2
T10A
FS1
T10A
+15
-15
C20
15p
C7
100u
BOTTOM
WIPERTOP
C6
100u
RV1
1k
-15
+15
C12
deleted
C13
deleted
C19
100n
C18
100n
C9
4p7
C5
4p7
C4
10p
C3
33p
C2
33p
C1
82p
R30
560R
R29
560R
R28
560R
R27
560R
R26
560R
R25
560R
R24
560R
R23
560R
R22
5k1
R21
5k1
R20
39k
R19
39k
R18
5k1
R17
5k1
R16
150R
R15
150R
R14
10k
R13
10k
R12
68k
R11
1k
R36
110k
R9
120k
R8
10k
R7
220R
R6
6k2
R5
3k3
R4
3k3
R3
10k
R2
3k3
R1
3k3
IC2
NE5534
5
67
IC1B
NE5532
3
21
8 4
IC1A
NE5532
RV2
1k
C11
100u
R10
10k
C8
10u
C10
100p
D2
IN4148
D1
IN4148
ZD1
9v1
ZD2
9v1
TR10
BC184L
TR9
BC214L
D3
IN4148
D4
IN4148
TR1
J162 TR2
J162 TR3
J162 TR4
J162
TR5
K1058 TR6
K1058 TR7
K1058 TR8
K1058
-VE A
+VE A
R35
10R R108
10R R34
10R
R33
10R
C16
47n C17
22n
RL1
D9
IN4148
+15
RLY CNTRL
OP/A
OP/A 0V
OP/A MON
C/T A
BRIDGE OUT
I/P - A
I/P + A
I/P 0V
RL4
R120
8k2
R121
8k2
C61
680p
C60
680p
C71
10p C70
10p C69
10p C68
10p
1kV
x2
SEE NOTE
SEE NOTE
2.5W
2.5W
2.5W 2.5W
2.5W
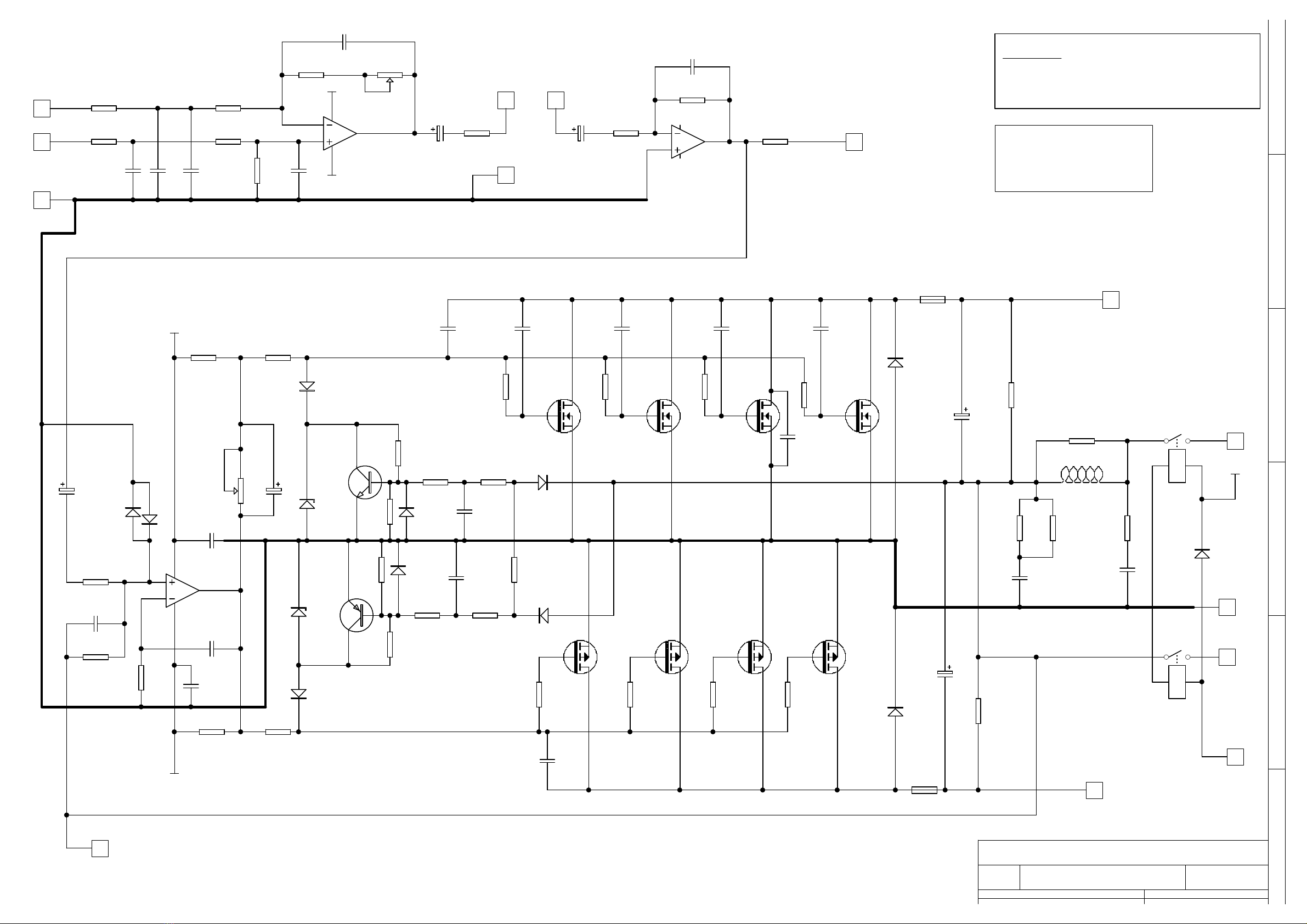
NOTE
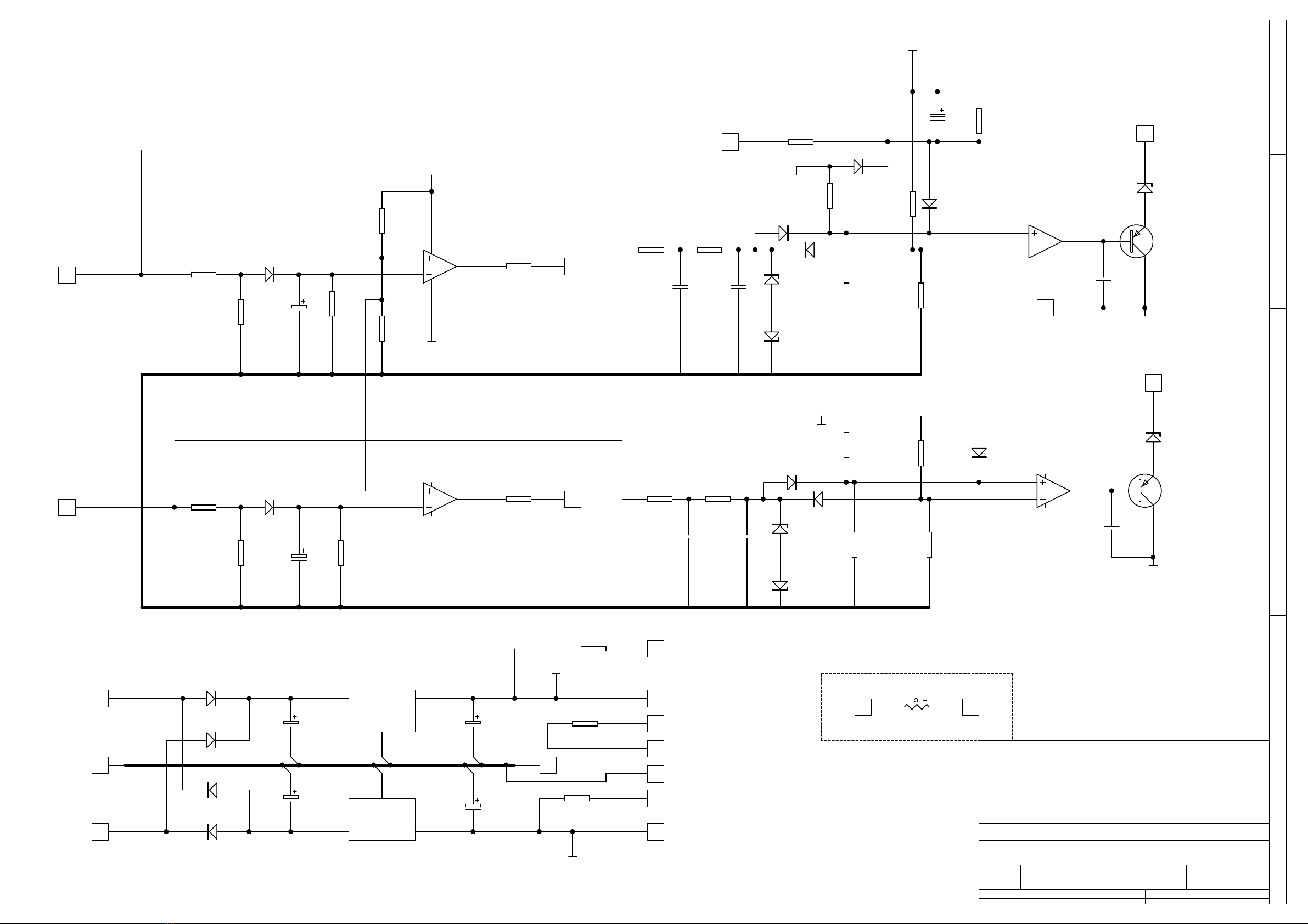
CIRCUIT SHOWN APPLIES TO ST600
FOR ST400 TR4 & TR8 ARE NOT FITTED AND
R10 = 12k
R19 & R20 = 30k
3 4
3
C1022
ST 600/400 PCB
4
3
2
7
6
BIAS
CMRR
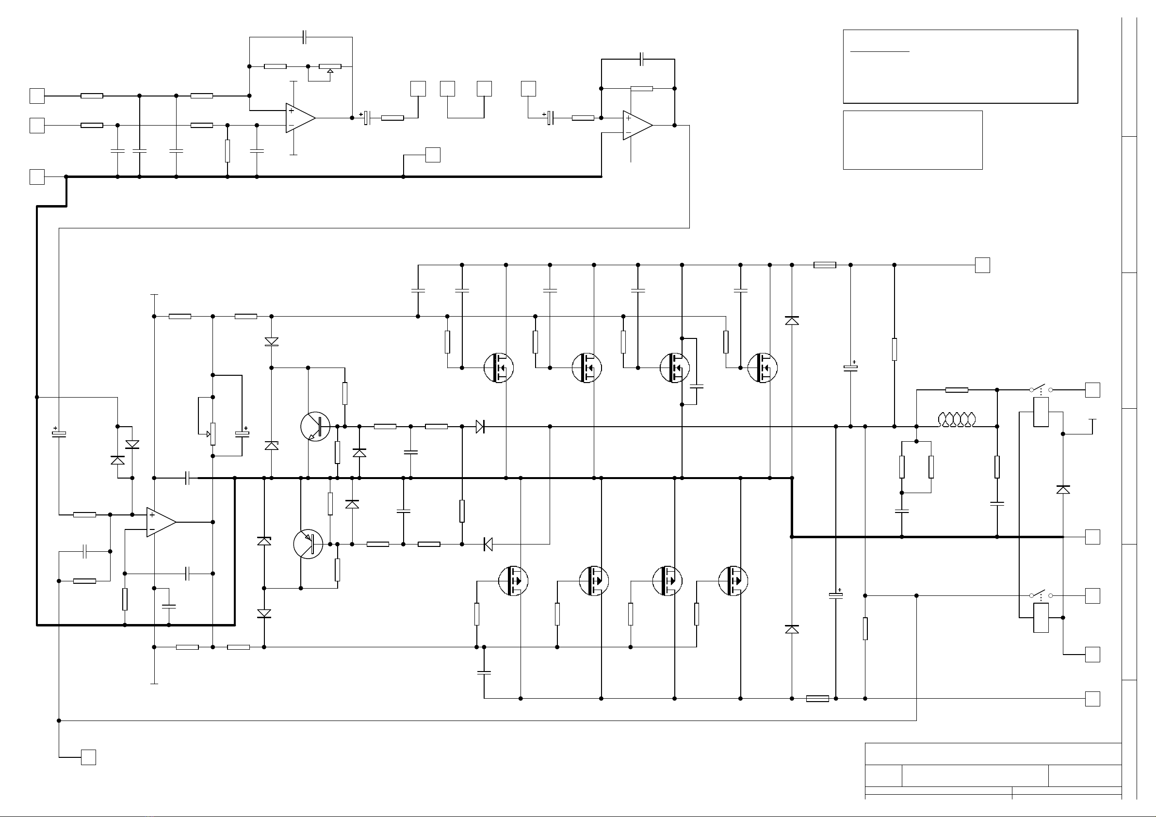
0dB Sensitivity Modification
Change R5 from 3k3 to 6k65
Change R6 from 6k8 to 13k