Centech CEN-TECH 97245 Manuale di installazione

HAND HELD METAL DETECTOR
Model
97245
SET UP AND OPERATING INSTRUCTIONS
Diagrams within this manual may not be drawn proportionally.
Due to continuing improvements, actual product may differ slightly from the product described herein.
Distributed exclusively by Harbor Freight Tools®
3491 Mission Oaks Blvd., Camarillo, CA 93011
Visit our website at: http://www.harborfreight.com
Read this material before using this product.
Failure to do so can result in serious injury.
SAVE THIS MANUAL.
Copyright©2007 by Harbor Freight Tools®. All rights reserved. No portion of this
manual or any artwork contained herein may be reproduced in any shape or form
without the express written consent of Harbor Freight Tools.
For technical questions or replacement parts, please call 1-800-444-3353.

Page 2SKU 97245 For technical questions, please call 1-800-444-3353.
SAVE THIS MANUAL
Keep this manual for the safety warnings and precautions, assembly, operating,
inspection, maintenance and cleaning procedures. Write the product’s serial number
in the back of the manual near the assembly diagram (or month and year of purchase if
product has no number). Keep this manual and the receipt in a safe and dry place for
future reference.
IMPORTANT SAFETY INFORMATION
In this manual, on the labeling, and all other information
provided with this product:
This is the safety alert symbol. It is used to alert you to potential
personal injury hazards. Obey all safety messages that follow this
symbol to avoid possible injury or death.
DANGER indicates a hazardous situation
which, if not avoided, will result in death or
serious injury.
WARNING indicates a hazardous situation
which, if not avoided, could result in death
or serious injury.
CAUTION, used with the safety alert
symbol, indicates a hazardous situation
which, if not avoided, could result in minor
or moderate injury.
NOTICE is used to address practices not
related to personal injury.
CAUTION, without the safety alert symbol,
is used to address practices not related to
personal injury.
DANGERDANGER
WARNINGWARNING
CAUTIONCAUTION
NOTICENOTICE
CAUTIONCAUTION

Page 3SKU 97245 For technical questions, please call 1-800-444-3353.
GENERAL SAFETY RULES
WARNING! Read all instructions
Failure to follow all instructions listed below may result in electric shock,
re, and/or serious injury. The term “battery powered tool” in all of the
warnings listed below refers to your line-operated (corded) battery powered tool
or battery-operated (cordless) battery powered tool.
SAVE THESE INSTRUCTIONS
Work area safety
Keep work area clean and well lit. Cluttered or dark areas invite accidents.
Do not operate battery powered tools in explosive atmospheres, such as in
the presence of ammable liquids, gases or dust. Battery powered tools cre-
ate may sparks which may ignite the dust or fumes.
Keep children and bystanders away while operating a battery powered
tool. Distractions can cause you to lose control.
Electrical safety
Avoid body contact with grounded surfaces such as pipes, radiators, ranges
and refrigerators. There is an increased risk of electric shock if your body is
grounded.
Do not expose battery powered tools to rain or wet conditions. Water
entering a battery powered tool will increase the risk of electric shock.
Personal safety
Stay alert, watch what you are doing and use common sense when operating
a battery powered tool. Do not use a battery powered tool while you are tired
or under the inuence of drugs, alcohol or medication. A moment of inat-
tention while operating battery powered tools may result in serious personal
injury.
Use safety equipment. Always wear eye protection. Safety equipment
such as dust mask, non-skid safety shoes, hard hat, or hearing protec-
tion used for appropriate conditions will reduce personal injuries.
Avoid accidental starting. Carrying battery powered tools with your nger on
the switch invites accidents.
Remove any adjusting key or wrench before turning the battery powered tool
on. A wrench or a key left attached to a rotating part of the battery powered
tool may result in personal injury.
Do not overreach. Keep proper footing and balance at all times. This en-
ables better control of the battery powered tool in unexpected situations.
1.
a.
b.
c.
2.
a.
b.
3.
a.
b.
c.
d.
e.

Page 4SKU 97245 For technical questions, please call 1-800-444-3353.
Dress properly. Do not wear loose clothing or jewelry. Keep your hair, cloth-
ing and gloves away from moving parts. Loose clothes, jewelry or long hair
can be caught in moving parts.
If devices are provided for the connection of dust extraction and collection fa-
cilities, ensure these are connected and properly used. Use of these devices
can reduce dust-related hazards.
Battery powered tool use and care
Do not force the battery powered tool. Use the correct battery powered tool
for your application. The correct battery powered tool will do the job better
and safer at the rate for which it was designed.
Do not use the battery powered tool if the switch does not turn it on and off.
Any battery powered tool that cannot be controlled with the switch is danger-
ous and must be repaired.
Disconnect the battery pack from the battery powered tool before mak-
ing any adjustments, changing accessories, or storing battery powered
tools. Such preventive safety measures reduce the risk of starting the
battery powered tool accidentally.
Store idle battery powered tools out of the reach of children and do not
allow persons unfamiliar with the battery powered tool or these instruc-
tions to operate the battery powered tool. Battery powered tools are
dangerous in the hands of untrained users.
Maintain battery powered tools. Check for misalignment or binding of moving
parts, breakage of parts and any other condition that may affect the battery
powered tool’s operation. If damaged, have the battery powered tool repaired
before use. Many accidents are caused by poorly maintained battery pow-
ered tools.
Keep cutting tools sharp and clean. Properly maintained cutting tools with
sharp cutting edges are less likely to bind and are easier to control.
Use the battery powered tool, accessories and tool bits etc., in accordance
with these instructions and in the manner intended for the particular type of
battery powered tool, taking into account the working conditions and the work
to be performed. Use of the battery powered tool for operations different from
those intended could result in a hazardous situation.
Service
Have your battery powered tool serviced by a qualied repair person using
only identical replacement parts. This will ensure that the safety of the battery
powered tool is maintained.
f.
g.
4.
a.
b.
c.
d.
e.
f.
g.
5.
a.

Page 5SKU 97245 For technical questions, please call 1-800-444-3353.
SPECIFIC SAFETY RULES
Maintain labels and nameplates on the tool. These carry important safety infor-
mation. If unreadable or missing, contact Harbor Freight Tools for a replacement.
Avoid unintentional starting. Prepare to begin work before turning on the tool.
When using a handheld battery-powered tool, maintain a rm grip on the tool.
Do not leave the tool unattended. Store the tool properly before leaving the work
area.
This product is not a toy. Keep it out of reach of children.
People with pacemakers should consult their physician(s) before use. Electro-
magnetic elds in close proximity to heart pacemaker could cause pacemaker
interference or pacemaker failure. In addition, people with pacemakers should:
• Avoid operating alone.
• Do not use with power switch locked on.
• Properly maintain and inspect to avoid electrical shock.
• Any power cord must be properly grounded. Ground Fault Circuit Interrupter
(GFCI) should also be implemented – it prevents sustained electrical shock.
The warnings, precautions, and instructions discussed in this instruction manual
cannot cover all possible conditions and situations that may occur. It must be
understood by the operator that common sense and caution are factors which
cannot be built into this product, but must be supplied by the operator.
SAVE THESE INSTRUCTIONS.
1.
2.
3.
4.
5.
6.
7.

Page 6SKU 97245 For technical questions, please call 1-800-444-3353.
SPECIFICATIONS
Battery Requirements Standard 9VDC “radio” battery
Sensitivity Adjustable using rotary switch
Display Audible warning
Power Switch Push/Release Button
Feature Bright White LED Spotlight
Operating Temperature -15° to 129° F
Relative Humidity less than 80%
UNPACKING
When unpacking, make sure item is intact and undamaged. If parts are missing
or broken, call Harbor Freight Tools at the number shown on the cover of this manual.
List of contents
Description Q’ty
Hand Held Metal Detector 1
9VDC Battery 1
Carrying Case 1
SET UP INSTRUCTIONS
Read the ENTIRE IMPORTANT SAFETY INFORMATION section at the
beginning of this manual including all text under subheadings therein
before set up or use of this product.
Note: For additional information regarding the parts listed in the following pages, refer
to the Assembly Diagram near the end of this manual.
Battery Installation
This item is shipped with the battery installed.
To replace battery, slide open battery com-
partment cover on back of tool.
Remove battery terminal connector and
remove dead battery.
Replace battery being sure to correctly align
battery leads with battery polarity markings.
Replace battery compartment cover
Properly dispose of all used batteries.
1.
2.
3.
4.
5.
6.

Page 7SKU 97245 For technical questions, please call 1-800-444-3353.
Functions
This tool is useful for detecting metal embedded in nonmetallic materials.
For example, you can detect nails in wood prior to running a board through a
planer, jointer or shaper. This will help protect expensive knives and blades from
damage.
This tool will detect metal at a range of approximately 1-1/4” to 2-1/2” depending
on materials being tested and the sensitivity setting used.
OPERATING INSTRUCTIONS
Read the ENTIRE IMPORTANT SAFETY INFORMATION section at the
beginning of this manual including all text under subheadings therein
before set up or use of this product.
Tool Set Up
To increase accuracy, it is useful to test this detector on a sample piece prior to
actual use. This provides the chance to adjust sensitivity prior to critical work. A
clockwise rotation will increase the sensitivity.
General Operating
Instructions
Press and hold the Power
Switch into the ON position.
With the power switch in the
ON position, the LED light
will illuminate the detec-
tion area or scanned area.
Please note: Brightness
may vary due to workplace lighting.
Move the wand portion of the tool over the work material. When metal is detect-
ed, the alarm will sound.
When work is completed, release the Power Switch button to turn off the tool.
Clean, then store the tool in its carrying pouch, indoors, and out of children’s
reach after use.
1.
2.
1.
1.
2.
3.
4.
LED Spot Light
Power Switch
Sensitivity Switch
Wand

Page 8SKU 97245 For technical questions, please call 1-800-444-3353.
MAINTENANCE AND SERVICING
Release the Power Switch to turn it off and remove battery
before performing any inspection, maintenance, or cleaning
procedures.
Do not use damaged equipment. If abnormal noise or
vibration occurs, have the problem corrected before further
use.
Cleaning, maintenance, and lubrication
BEFORE EACH USE, inspect the general condition of the tool. Check for loose
screws, cracked or broken parts, and any other condition that may affect its safe
operation.
AFTER USE, wipe external surfaces of the tool with clean, moist cloth.
Troubleshooting
Problem Possible Causes Probable Solutions
Tool will not operate. Battery discharged or damaged.
Battery leads or connection
damaged.
1.
2.
Check battery for charge or damage.
Check battery leads and connections.
Install new batteries.
1.
2.
3.
Erratic Warning Alarm Tool settings may be corrupted
Sensitivity is set too high.
1.
2.
Install fresh battery.
Turn down sensitivity using rotary
switch.
1.
2.
1.
2.
WARNINGWARNING

Page 9SKU 97245 For technical questions, please call 1-800-444-3353.
PLEASE READ THE FOLLOWING CAREFULLY
THE MANUFACTURER AND/OR DISTRIBUTOR HAS PROVIDED THE PARTS LIST AND ASSEMBLY
DIAGRAM IN THIS MANUAL AS A REFERENCE TOOL ONLY. NEITHER THE MANUFACTURER OR
DISTRIBUTOR MAKES ANY REPRESENTATION OR WARRANTY OF ANY KIND TO THE BUYER THAT
HE OR SHE IS QUALIFIED TO MAKE ANY REPAIRS TO THE PRODUCT, OR THAT HE OR SHE IS
QUALIFIED TO REPLACE ANY PARTS OF THE PRODUCT. IN FACT, THE MANUFACTURER AND/OR
DISTRIBUTOR EXPRESSLY STATES THAT ALL REPAIRS AND PARTS REPLACEMENTS SHOULD
BE UNDERTAKEN BY CERTIFIED AND LICENSED TECHNICIANS, AND NOT BY THE BUYER. THE
BUYER ASSUMES ALL RISK AND LIABILITY ARISING OUT OF HIS OR HER REPAIRS TO THE
ORIGINAL PRODUCT OR REPLACEMENT PARTS THERETO, OR ARISING OUT OF HIS OR HER
INSTALLATION OF REPLACEMENT PARTS THERETO.
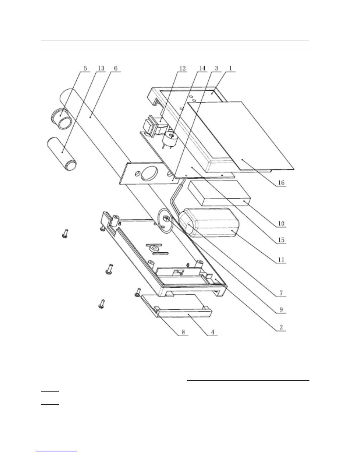
PARTS LIST
Part Description Q’ty
1 Case Top 1
2 Case Bottom 1
3 Front Plate 1
4 Battery Compartment Cover 1
5 Wand End Plug 1
6 Wand 1
7 Battery Connector Assembly 1
8 Screw 5
Part Description Q’ty
9 Nut 1
10 Battery Support Pad 1
11 Battery 9 VDC 1
12 Power Switch 1
13 Magnetic Set 1
14 Buzzer Alarm 1
15 Printed Circuit Board 1
16 Panel 1

Page 10SKU 97245 For technical questions, please call 1-800-444-3353.
ASSEMBLY DIAGRAM
Record Product’s Serial Number Here:
Note: If product has no serial number, record month and year of purchase instead.
Note: Some parts are listed and shown for illustration purposes only, and are not avail-
able individually as replacement parts.
Indice
Altri manuali Centech Rilevatore di metalli
Manuali Rilevatore di metalli popolari di altre marche

Steinberg Systems
Steinberg Systems SBS-MD-12 Manuale utente

GOLDEN MASK
GOLDEN MASK 5 Manuale utente

Grizzly
Grizzly YM 203 Manuale utente

Fisher Research Labs
Fisher Research Labs 1280-X Aquanaut Manuale utente

Treasure Cove
Treasure Cove Vibra-Probe 560 Manuale utente

Accurate Locators
Accurate Locators XL16 IMAGER Manuale utente












