
7
WIRING CONNECTIONS
Locate the electrical enclosure inside the cabinet. The enclosure
(shipped loose) may be removed from the cabinet to help in the
connections described below. When all connections are complete,
hang the enclosure as described in step 7.
1. Open the cover of the electrical enclosure. Refer to the wiring
diagram supplied inside for all electrical connections.
2. Be sure that power supply is of the correct voltage, phase,
frequency, and amperage to supply operator. Refer to the
operator nameplate on electrical cabinet cover.
3. Connect power supply wires to the ON/OFF power switch as
shown on the operator wiring diagram. DO NOT connect power
at control panel (L1, L2, L3). Route wires away from belt and
limit switches.
4. A 2-button control station (OPEN/CLOSE) is provided as
standard equipment with every BG770 and BG790 barrier gate.
If you are not using automatic controls to control the gate, the
2-button control station may be connected as shown on the
wiring diagram supplied with the gate to control the gate
manually. However, the AUTO/MANUAL switch should be kept
in the “AUTO” position.
IMPORTANT NOTE: Use 16 gauge wire or larger for all control
wiring connections. If the control wire is too small, damage to
the operator components may result.
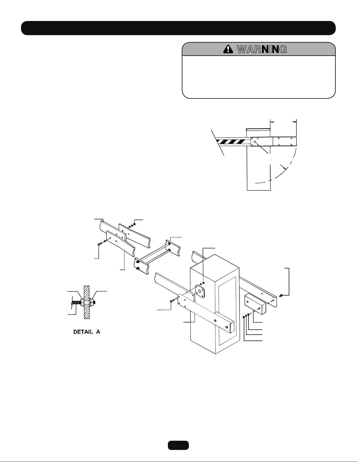
INSTALLATION
To reduce the risk of SEVERE INJURY or DEATH:
• ANY maintenance to the operator or in the area near the
operator MUST not be performed until disconnecting the
electrical power and locking-out the power via the operator
power switch. Upon completion of maintenance the area
MUST be cleared and secured, at that time the unit may be
returned to service.
• Disconnecting power at the fuse box BEFORE proceeding.
Operator MUST be properly grounded and connected in
accordance with local electrical codes. NOTE: The operator
should be on a separate fused line of adequate capacity.
• DO NOT install ANY wiring or attempt to run the operator
without consulting the wiring diagram. We recommend that
you install an optional reversing edge BEFORE proceeding
with the control station installation.
• ALL electrical connections MUST be made by a qualified
individual.
• ALL power wiring should be on a dedicated circuit and well
protected. The location of the power disconnect should be
visible and clearly labeled.
• ALL power and control wiring MUST be run in separate
conduit.
• BEFORE installing power wiring or control stations be sure to
follow ALL specifications and warnings described below.
Failure to do so may result in SEVERE INJURY to persons
and/or damage to operator.
• A ground screw is provided in the switch box for connection
of the power supply ground wire. Failure to properly ground
this unit could result in electrical shock and SERIOUS
INJURY.
SINGLE PHASE THREE PHASE
115 Vac 230 Vac 230 Vac 460 Vac 575 Vac
AWG Maximum Length of Wire Run in Feet
6 700 3,100 4,750 14,225 35,550
8 450 1,925 3,000 8,975 22,425
10 275 1,225 1,900 5,650 14,075
12 175 775 1,175 3,525 8,825
5. The control station must be mounted in a location adjacent to
and within clear sight of the gate. If you will mount the control
station outdoors, replace the standard station supplied with the
operator with a weatherproof station.
6. The BG770 and BG790 barrier gates will interface with almost
all types of commonly used control stations, radio controls, and
access control equipment. Refer to the wiring diagram for
connection of these devices.
If you are using a loop detector to open and/or hold open and
close, mounting space and plug-in harnesses are provided in
the electrical cabinet for installation of optional factory supplied
detectors. You may also use other detectors. Refer to the
Optional Accessories section on page 12.
7. When all wiring connections are complete, mount the electrical
enclosure to the shelf housing shelf. MODEL BG770: Hang
electrical enclosure on the two screws provided on the front of
the shelf in the housing. MODEL BG790: Hang electrical
enclosure on the two screws provided on the cross angle under
shelf in the housing.
WIRING SPECIFICATIONS