
PTS Video
Click or Scan
Tech nic al informaTion
SPECIFICATIONS
US CUSTOMER SUPPORT1-888-622-2377 | WWW.COMMANDACCESS.COM | CA CUSTOMER SUPPORT 1-855-823-3002
Select your preferred torque mode (ships in standard torque) Press the device push pad
to the desired setting. (Recommend to fully depress and release 5%, giving the device
room for changing door conditions.)
Step 2- While depressing the push pad, apply power. (i.e. presenting the credential to the reader).
Step 3- Continue to keep pad depressed, the device will beep 6 times. After the beeps have stopped,
release the pad and now the adjustment is complete. If not to your liking repeat the 3 steps.
Step 4- Once you found the correct location, turn PTS switch to OFF position.
Setting PTS
**Important Info**
Make sure to set PTS before nishing installation
Step 1-
Troubleshooting & Diagnostics
Beeps Explanation Solution
Average Latch Retraction Current: 2 A
Average Holding Current: 250 mA
High Torque Mode
Average Latch Retraction Current: 1.3 A
Average Holding Current: 215 mA
Standard Torque Mode
MM4 Switches
ON
ON
OFF STANDARDTORQUE
HIGH TORQUE
PTS Programing Lock
PTS PROGRAMING On
OFF
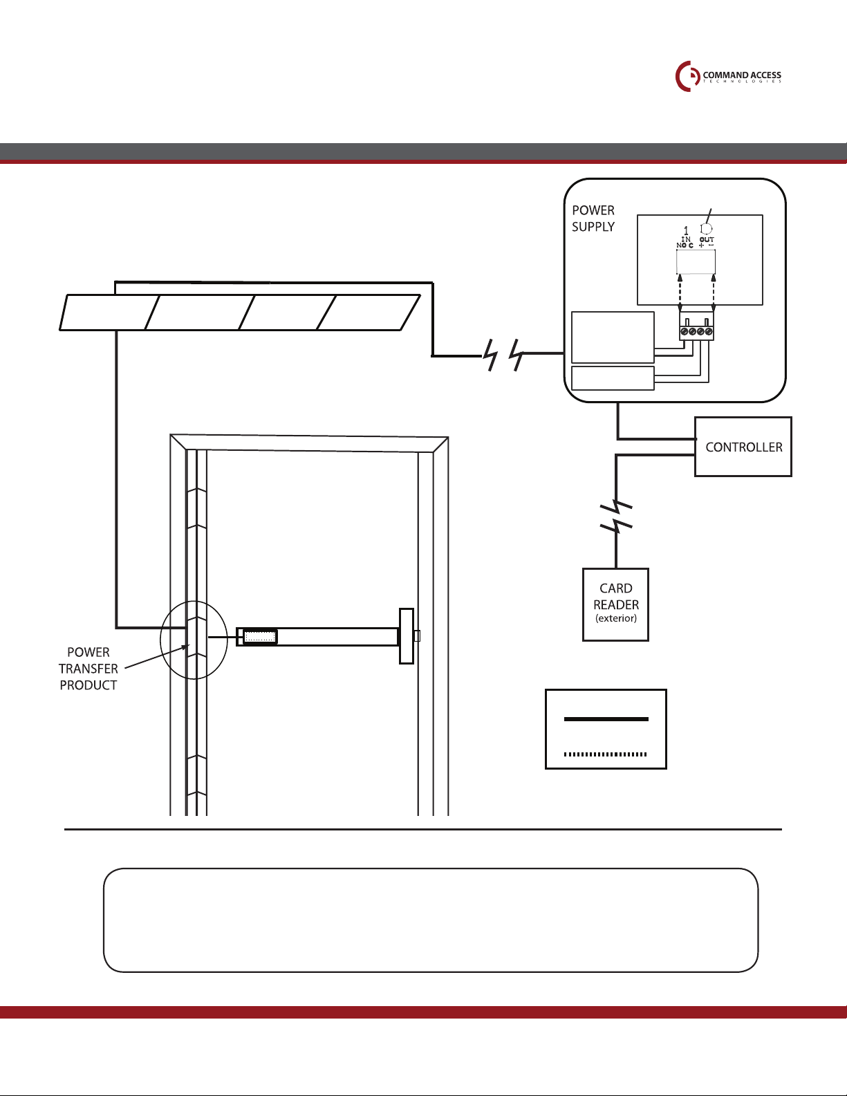
• Input Voltage: 24VDC +/- 10%
• Wire gauge: Minimum 18
gauge
• Direct wire run - no relays or
access control units in-between
power supply & module
1
2
2 Beeps
3 Beeps
5 Beeps
6 Beeps
Over Voltage
Under Voltage
Retraction or Dogging
failure
Push to Set
> 28V unit will shut down. Check voltage & adjust to 24 V.
< 22V unit will shut down. Check voltage & adjust to 24 V.
Device physically binding during retraction or pulled from the dogged position.
Device is recording it’s new position and power mode after the 6th beep.
4 Beeps Failed Sensor Verify all 3 sensor wires are installed correctly. Replace sensor if problem
persists by contacting oce.
1. After 1
st
fail: 5 beeps then immediately attempts to retract again.
2. After 2
nd
fail: 5 beeps with pause in-between for 30 seconds then
device attempts to retract again.
3. After 3
rd
fail: 5 beeps every 7 minutes, device will not attempt to retract.
To Reset: Depress bar for 5 seconds at any time.