Warranty ......................................... 2
Safety Rules...................................... 2
Unpacking ....................................... 3
Assembly ...................................... 3-4
Installation ...................................... 4-5
Operation ...................................... 6-8
Maintenance ..................................... 9
Troubleshooting ................................... 9
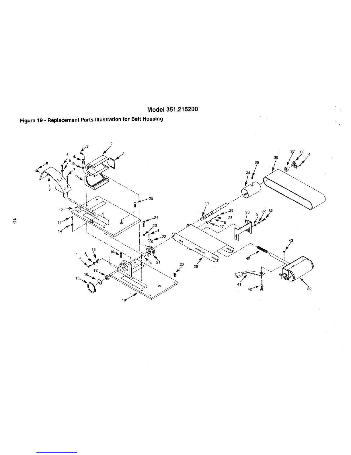
Parts [llustrationand List ........................ 10-13
Espafiol ...................................... 14-23
ONE-YEAR FULL WARRANTY ON CRAFTSMAN TOOL
I_thLsCraftsman tool fails due to a defect in matedal or
workmanship within one year from the date of pumhase CALL
t-80O-4-MY-HOME® TO ARRANGE FOR FREE REPAIR.
If this tool is used for commercial or rents1 purposes, this war-
ranty will apply for only ninety days from the date of purchase.
This warranty applies only while this tool is in the United
States.
This warranty givesyou specific legal rights and you may also
have other dghts, which vary, from state to state.
Sears, Roebuck and Co., Dept. 817WA, Hoffman Estates,
IL 60179
WARNING: For your own safety, read all af the instructions
and precautions before operating tool.
CAUTION: Always follow proper operating procedures as
defined in this manual even if you are familiar with use of this
or similartools. Remember that being careless for even a
fraction of asecond can result in severe personal Injury.
BE PREPARED FOR JOB
•Wear proper apparel, Do notwear loose clothing, gloves,
neckties, rings, bracelets or other jewelry which may get
caught in moving parts of machine.
• Wear protective hair c=Overingto containlong hair.
• Wear safety shoes with non-slip soles.
• Wear safety glasses complyingwith United States ANSI
Z87.1. Everyday glasses have only impact resistant lenses.
They are NOT safety glasses.
• Wear face mask or dust mask if operation isdusty.
• Be alert and think clearly. Never operate power tools when
tired, intoxicated or when taking medications that cause
drowsiness.
PREPARE WORK AREA FOR JOB
• Keepwork area clean. Cluttered workareas (nvfteaco_denfs.
•Do notuse power tools in dangerous environments. Do not
use power tools in damp or wet locations. Do not expose
power tools to rain.
• Work area should be properly lighted.
• Proper electrical receptaale should be availablefor tool.
Three-prong plug should be plugged directly into properly
grounded, three-prong receptacle.
• Extension cords should have a groundingprong and me three
wires ofthe extension cord shouldbe of the correctgauge.
• Keep visitors at a safe distance from work area.
• Keep children out of workplace. Make workshop shildproof.
Use padlocks, master switchesor remove switch keys to
prevent any unintentional use of power tools.
TOOL SHOULD BE MAINTAINED
• Always unplug tool prior to inspection.
• Consult manual for specific maintaining and adjusting
procedures.
• Keep tool lubricated and cleanfor safest operation.
• Remove adjusting tools. Form habit of checking to see that
adjusting tools are removed before switchingmachine on.
• Keep all parts in working order. Check to determine that the
guard or other parts will operate properly and perform their
intended function.
• Check for damaged parts. Check for alignment of moving
parts, binding, breakage, mounting and any other condition
that may affect a tool's operation.
• A guard or other part that is damaged should be properly
repaired or replaced. Do not perform makeshift repairs.
(Usa parts listprovided to order replacement parts.)
KNOW HOWTO USE TOOL
• Use right teal for job. Do not force toolor attachment to do
ajob for which it was not designed.
• Disconnect tool when changing belt or abrasive disc.
• Avoid accidental start-up. Make sure that the tool is in the
"OFF" position before plugging in.
• Do not force tool. It will work most efficiently at the rate for
which it was designed.
• Keep hands away from moving parts and sanding surfaces.
• Never leave tool running unattanded.Tum the power off
and do not leave tool until it comes to acomplete stop.
• Do not overreach. Keep proper footing and balance.
• Never stand on tool. Serious injury could occur if tool is
tipped or ff belt or disc are unintentionatly contacted.
• Know your tool Learn the tool's opera, on, application and
specific limitations.
• Use recommended accessories (rarer to page 13). Use of
improper accessories may cause risk of injury to persons.
• Handle the workpiece correctly.Protect hands from possi-
ble injury.
• Turn machine off if it jams. Belt jams when itdigs too
deeply into workpiecs. (Motor force keeps itstuck inthe
work.)
Support workpieee with miter gauge, belt platen or work
table.
• Maintain '/_" maximum clearance between table and sand-
ing belt or disc.
CAUTION: Think safety! Safety is acombination of operator
common sense and alertness at all times when tool is being
used.
WARNING: Do not attempt to operate tool until itis oom-
plete)y assembled according tothe instructions.
© Sears, Roebuck and Co. 2