INTRODUCTION •GETTING STARTED TECHNICAL SPECIFICATIONS
2 7
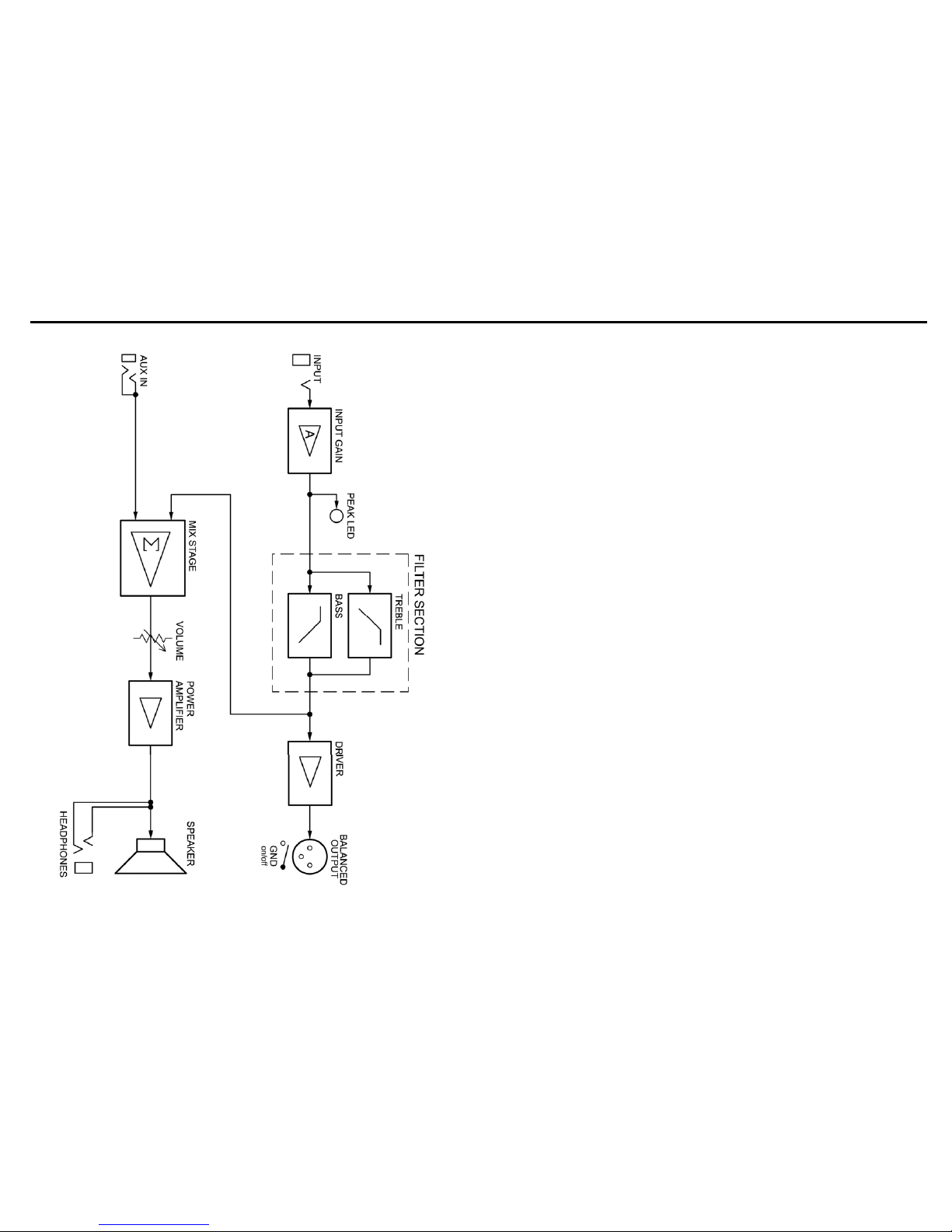
INPUT: Input Impedance 2 Mohms // 100 pF
GAIN: Gain Range min/max -∞/ +28 dB
Gain Peak LED +10 dBv
Frequency Response +0 / -3 dB 35 - 20k Hz
FILTER SECTION: Bass Filter: Type Shelving
Gain +/- 12 dB @ 100 Hz
+/- 15 dB @ 60 Hz
Treble Filter: Type Shelving
Gain +/- 12 dB @ 4 kHz
+/- 15 dB @ 8 kHz
AUX INPUT: Input Impedance 10 kohms
Nominal Level -10 dBv
BALANCED OUTPUT: Output Level nominal -10 dBv
XLR Connections 1-GND, 2-Hot, 3-Cold
Options GND Lift
PHONES OUT: Recommended Impedance 32 - 200 ohms
POWER AMP: Continuous Output Power 30 W RMS
CABINET: Impedance 4 ohms
Frequency Response +0/-3 dB 70 Hz – 5.000 Hz
Volume 13 liters
AUXILIARY INFO: Power Requirements max 50 W
Mains Protection: T500mA Fuse (230V)
T1A Fuse (100/120V)
Outer Dimensions (WxHxD): 310 x 330 x 240 mm
12.2 x 13.0 x 9.5"
Weight: 8.5 kg ( 19 lbs.)
Specifications are subject to change without notice!
BUILDING THE SOUND...
Your EBS Session30 features a tone
shaping circuit that will enable you to
create a variety of bass sounds.
6. The filters are basically the boost/cut
design. This means that the level controls
marked with + and - signs, either boost or
cuts the selected frequency band.
7. Gradually increase or decrease the level
and vary the frequency of the various
filter sections. Notice how the sound is
affected.
8. If you have an MP3 player or other sound
source, you may connect this to the Aux In
input. Note that the volume must be
controlled from the source here, since this
input has no associated level control.
This was a brief tutorial of EBS
Session30. As you go on further in this
manual, you will learn how to use and
utilize all of the useful features that the
EBS Session30 offers you.
GOOD LUCK!
The EBS Session30 is a solid-state
amplifier combo, extremely easy to dial-
in and performs extremely well in all
styles and situations. The sound is a
combination of vintage bass sound and
the transparent ’EBS’ sound that let your
playing style and the character of your
instrument speak. Versatility is provided
by a carefully designed EQ with a wide
range of possible settings. By using the
built in auxiliary input in stereo, you can
use this combo for practicing at home
with headphones. These brief tutorials
will help you to become acquainted with
some of the features of the EBS
Session30 combo.
GETTING STARTED...
1. Carefully unpack the bass combo.
2. Check that the Volume and Gain controls
are set to zero, fully counter clockwise.
Set the two filter controls to mid position.
Now the EBS Session30s' settings are
"zeroed" and ready to be personalized.
3. Power up the combo and plug in your
bass.
4. While plucking the strings as hard as you
would during your hardest playing, adjust
the GAIN knob until the PEAK led starts
to flash only at highest peaks.
5. Move over to the VOLUME knob and
adjust for the desired output volume.