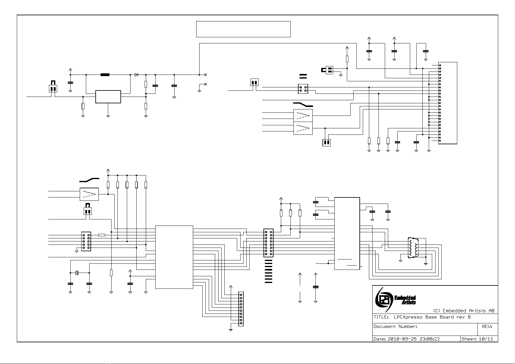
Dual row holes (2x27), 100 mil spacingDual row holes (2x27), 100 mil spacing
CR2032H
GND 4448
PUSHBUTTON
GNDGND
RED
+3V3
470R
+3V3
GND
+3V3
74LVC1G125GW
GND
GND
CAT811S
100nF
GND
10K
+3V3
PMEG2010AEH (or PMEG1020EA)
270R
+3V3
J4-1
J4-2
J4-3
J4-4
J4-5
J4-6
J4-7
J4-8
J4-9
J4-10
J4-11
J4-12
J4-13
J4-14
J4-15
J4-16
J4-17
J4-18
J4-19
J4-20
J4-21
J4-22
J4-23
J4-24
J4-25
J4-26
J4-27
J4-28
J4-29
J4-30
J4-31
J4-32
J4-33
J4-34
J4-35
J4-36
J4-37
J4-38
J4-39
J4-40
J4-41
J4-42
J4-43
J4-44
J4-45
J4-46
J4-47
J4-48
J4-49
J4-50
J4-51
J4-52
J4-53
J4-54
+-
J1
1
2
J3
D2
1
2
J2
1 3
42
SW1
LED1
R2
1
2 4
U2G$1
53
GND VCC
U2G$2
MR#
3VCC 4
RESET# 2
GND 1
U1
C1
R1
D1
R3
GND
GND
PIO0_6-USB_CONNECT
PIO0_3-VBUS_SENSE
PIO0_2
PIO0_1-BL_EN
PIO0_0-RESET
PIO0_0-RESET
PIO0_7
PIO0_10
PIO0_11
PIO1_0
PIO1_1
PIO1_2
PIO1_3
PIO1_4-WAKEUP
PIO1_5
PIO1_8
PIO1_10
PIO1_11
PIO2_0
PIO2_1
PIO2_2
PIO2_3
PIO2_4
PIO2_5
PIO2_6
PIO2_7
PIO2_8
PIO2_9
PIO2_10PIO3_0
PIO3_1
PIO3_2
PIO3_3
USB_DM
USB_DP
VBAT
ETH_TXP
ETH_TXN
ETH_RXP
ETH_RXN
VIN
PIO0_5-SDA
PIO0_4-SCL
PIO0_9-MOSI
PIO0_8-MISO
PIO2_11-SCK
PIO1_9
PIO1_7-TXD
PIO1_6-RXD
LOCAL_3V3
SHIELD
LPCXpresso and mbed connector
Current measurement
LPC1343/1114
GND
VIN (4.5-5.5V)
not used
Reset / PIO0_0
PIO0_9 / MOSI / CT16B0_MAT1 / SWO
PIO0_8 / MISO/CT16B_MAT0
PIO2_11 / SCK
PIO0_2 / SSEL / CT16B0_CAP0
PIO1_7 / TXD / CT32B0_MAT1
PIO1_6 / RXD / CT32B0_MAT0
PIO0_7 / CTS
PIO2_0 / DTR
PIO2_1 / DSR
PIO2_2 / DCD
TDI / PIO0_11 / AD0 / CT32B0_MAT3
TMS / PIO1_0 / AD1 / CT32B1_CAP0
TDO / PIO1_1 / AD2 / CT32B1_MAT0
TRST / PIO1_2 / AD3 / CT32B1_MAT1
SWDIO / PIO1_3 / AD4 / CT32B1_MAT2
PIO1_4 / AD5 / CT32B1_MAT3 / WAKEUP
GND
VIN (4.5-14V)
VB (battery supply)
nR (reset)
SPI1-MOSI
SPI1-MISO
SPI1-SCK
GPIO
UART1-TX / I2C1-SDA
UART1-RX / I2C1-SCL
SPI2-MOSI
SPI2-MISO
SPI2-SCL / UART2-TX
UART2-RX
AIN0
AIN1
AIN2
AIN3 / AOUT
AIN4
AIN5
PIO1_5 / RTS / CT32B0_CAP0
PIO1_8 / CT16B1_CAP0
PIO0_6 / USB_CONNECT / SCK
SWCLK / PIO0_10 / SCK / CT16B0_MAT2
PIO3_0
PIO3_1
PIO3_2
VOUT (+3.3V out) if self powered,
not used
not used
not used
not used
not used
not used
not used
USB_DM
USB_DP
PIO0_1 / CLKOUT /
PIO0_3 / USB_VBUS
PIO0_5 / SDA
PIO0_4 / SCL
PIO1_9 / CT16B1_MAT0
PIO1_10 / AD6 / CT16B1_MAT1
PIO1_11 / AD7
PIO2_3 / RI
PIO2_4
PIO2_5
PIO2_6
PIO2_7
PIO2_8
PIO2_9
PIO2_10
PIO3_3
GND
VOUT (3.3V out)
VU (5.0V USB out)
IF+
IF-
RD- (Ethernet)
RD+ (Ethernet)
TD- (Ethernet)
TD+ (Ethernet)
D- (USB)
D+ (USB)
CAN-RD
CAN-TD
UART3-TX / I2C2-SDA
UART3-RX / I2C2-SCL
PWMOUT0
PWMOUT1
PWMOUT2
PWMOUT3
PWMOUT4
PWMOUT5
Battery Connector
(pin naming follow LPCXpresso module)
Reset generation
else +3.3V input
CT32B0_MAT2 / USB_FTOGGLE
Default for J3Default for J2
Note: battery not included!
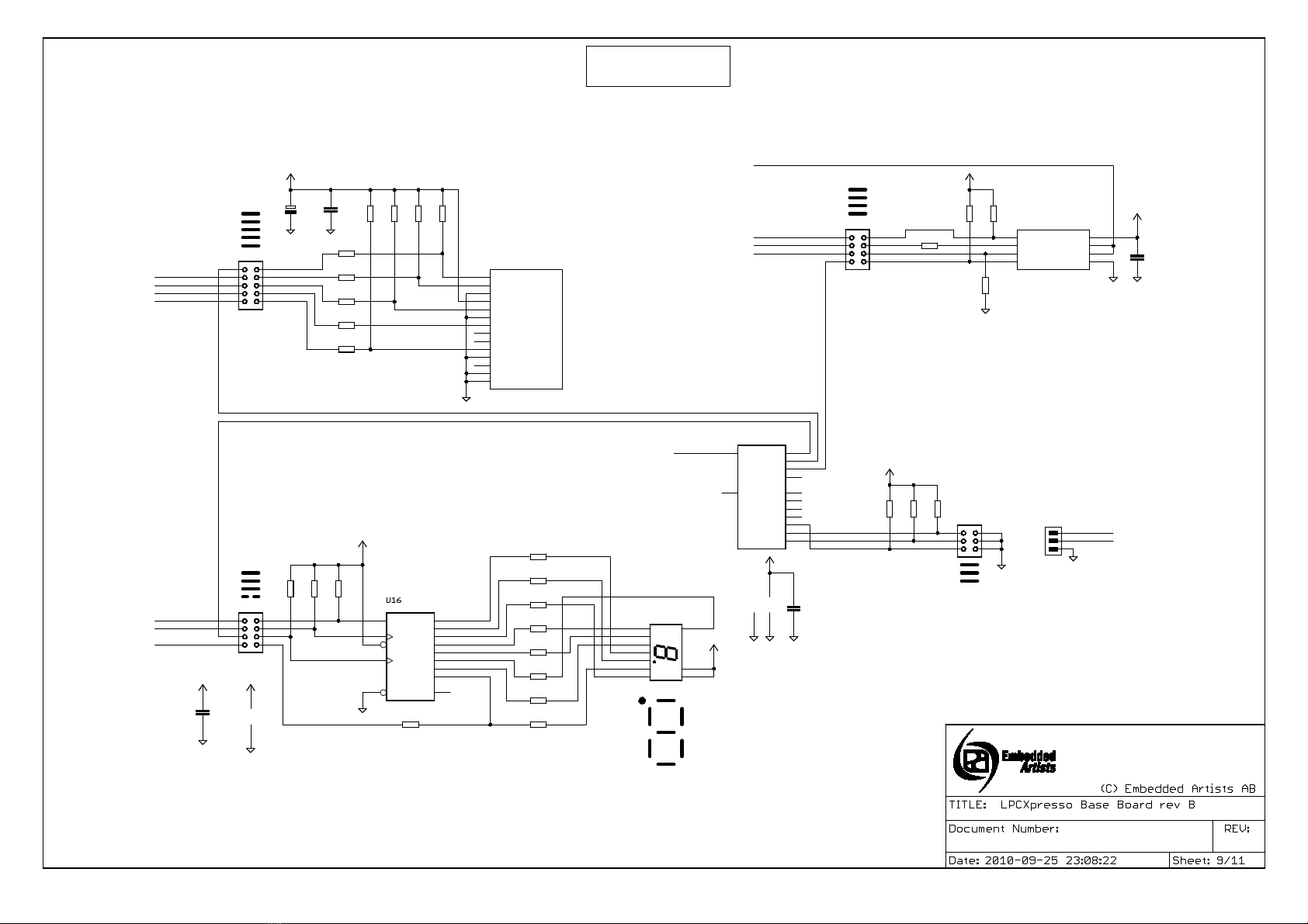
PIO2_4
for LPC1114
PIO2_5
for LPC1114
PIO3_4
for LPC1114
PIO3_5
for LPC1114
GND
VIN (4.5-5.5V)
mbed module
VOUT (+3.3V out) if self
not used
not used
not used
GND
powered, else +3.3V input
VB (battery supply)
P0.9
P0.8
P0.7
P0.6
P0.0
P0.1
MOSI1
MISO1
SCK1
SSEL1
TXD3/SDA1
RXD3/SCL1
P0.18
P0.17
MOSI0
MISO0
TXD1/SCK0
RXD1/SSEL0
P0.15
P0.16
P0.23
P0.24
P0.25
P0.26
AD0.0
AD0.1
AD0.2
P1.30
P1.31
AD0.4
AD0.5
AD0.3/AOUT
P2.5
P2.4
P2.3
P2.2
P2.1
P2.0
PWM1.6
PWM1.5
PWM1.4
PWM1.3
PWM1.2
PWM1.1
P0.11
P0.10
RXD2/SCL2
TXD2/SDA2
P0.5
P0.4
CAN_TX2
CAN_RX2
RESET_N
P0.22
USB-D+
USB-D-
P0.21
P0.28
P0.27
P0.2
P0.3
TD+
TD-
RD+
RD-
P2.6
P2.7
P2.8
P2.10
P2.11
P2.12
P2.13
LPCXpresso LPCXpresso
LPC1768 LPC1343/1114
LPCXpressoLPCXpresso
LPC1768 mbed module
Note: 19 pins between rows on LPC1768 are not connected.