
Table of Contents
© 2017 EMP, Inc. 3
Table of Contents
Product Overview ..............................................................................................................................................2
Introduction........................................................................................................................................................4
Purpose .........................................................................................................................................................4
Service Technician Responsibilities ...............................................................................................................4
Liability Disclaimer .........................................................................................................................................4
Additional Information ....................................................................................................................................4
Technical Help ...............................................................................................................................................4
About This Document ........................................................................................................................................4
Warnings, Cautions and Notes.......................................................................................................................4
Definition of Terms.........................................................................................................................................4
Product Safety Warnings ...................................................................................................................................5
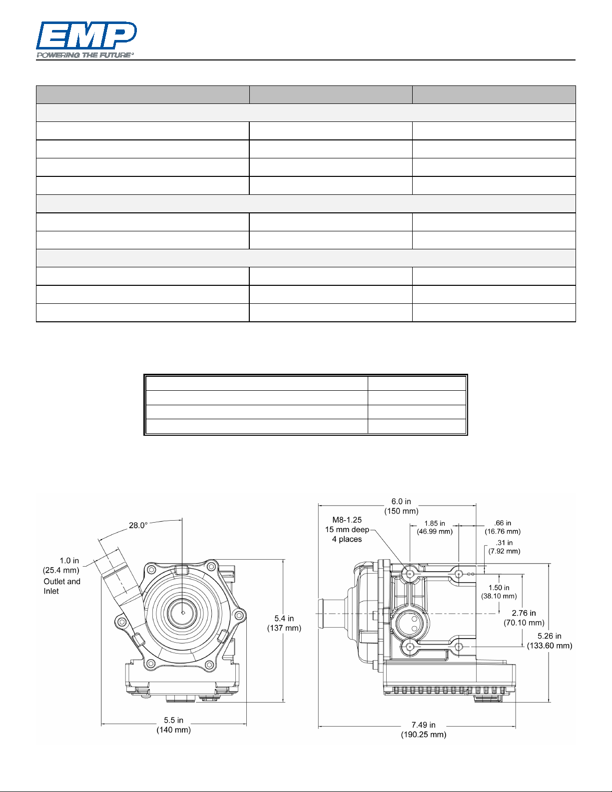
Specifications ....................................................................................................................................................6
Operating Limits.............................................................................................................................................6
Dimension and Bolt Spacing ..........................................................................................................................6
Identification ......................................................................................................................................................7
EMP Water Pump Model Codes.....................................................................................................................8
Installation .........................................................................................................................................................9
Environment...................................................................................................................................................9
Orientation .....................................................................................................................................................9
Incorrect Pump Orientation and Reasons ................................................................................................. 11
Plumbing......................................................................................................................................................12
Hose Clamps............................................................................................................................................12
System Fill Procedure .................................................................................................................................. 13
Approved Fluids........................................................................................................................................13
Fill Procedure ...........................................................................................................................................13
Wiring...........................................................................................................................................................14
Recommended Wiring Practices...............................................................................................................14
Connector Information ..............................................................................................................................15
Mating Connectors ...................................................................................................................................15
On/Off Single Speed Control........................................................................................................................ 16
Example On/Off Application Schematic .................................................................................................... 16
Accessories available for purchase...........................................................................................................16
Operation..................................................................................................................................................16
Routine Maintenance.......................................................................................................................................17
Physical Inspection ......................................................................................................................................17
EMPower Connect™ Service Tool .................................................................................................................. 17
Troubleshooting...............................................................................................................................................18