
PCB layout ©2023 Pedal Parts td.
The power and signal pads on the PCB conform
to the FuzzDog Direct Connection format, so can
be paired with the appropriate daughterboard for
quick and easy offboard wiring. Check the
separate daughterboard document for details.
Be very careful when soldering the diodes and
transistors. They’re very sensitive to heat. You
should use some kind of heat sink (crocodile clip
or reverse action tweezers) on each leg as you
solder them. Keep exposure to heat to a
minimum (under 2 seconds).
Snap the small metal tag off the pots so they can
be mounted flush in the box.
You should solder all other board-mounted
components before you solder the pots. Once
they’re in place you’ll have no access to much of
the board. Make sure your pots all line up nicely.
The best way to do that is to solder
a single pin of each pot in place then melt and
adjust if necessary before soldering in the other
two pins. If your pots don’t have protective
plastic jackets ensure you leave a decent gap
between the pot body and the PCB otherwise
you risk shorting out the circuit.
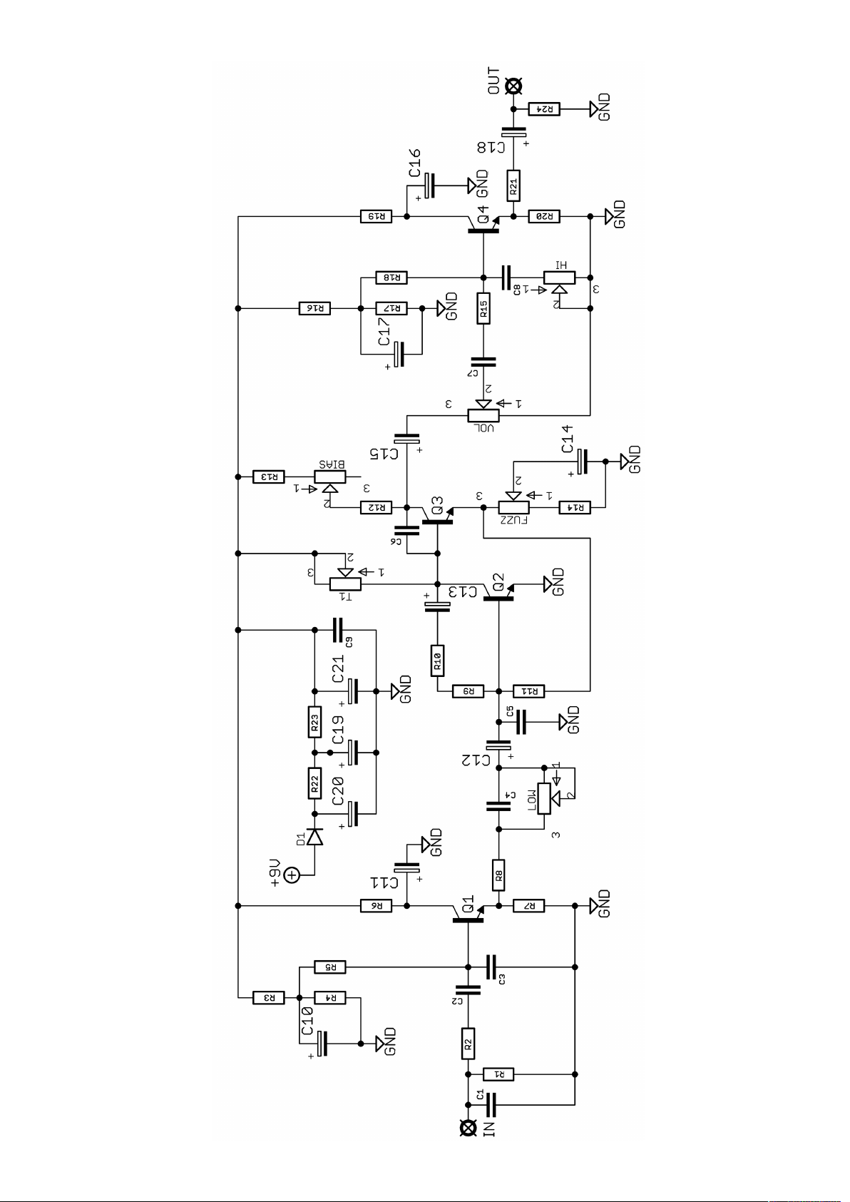
BIASING
Adjust the trimmer until you get around 2V on
the collector of Q2 (shown above). Test the range
of sounds you get when adjusting the BIAS pot.
Tweak the trimmer until you’re happy. There’s no
fixed correct value.
There are extra pads for
T1 to allow different types
of trimmer to be used. As
long as one leg goes into
each column as shown
here you’re good.