
Glastender, Inc. • 5400 North Michigan Road • Saginaw, MI • 48604-9780
800.748.0423 • 989.752.4275 • Fax 989.752.4444 • www.glastender.com 1
Topic Page
Warranty.................................................................................................................... 1
What is a glasswasher? ............................................................................................. 2
Uncrating Instructions and Equipment Checklist..................................................... 3
Main Section - Top View.......................................................................................... 4
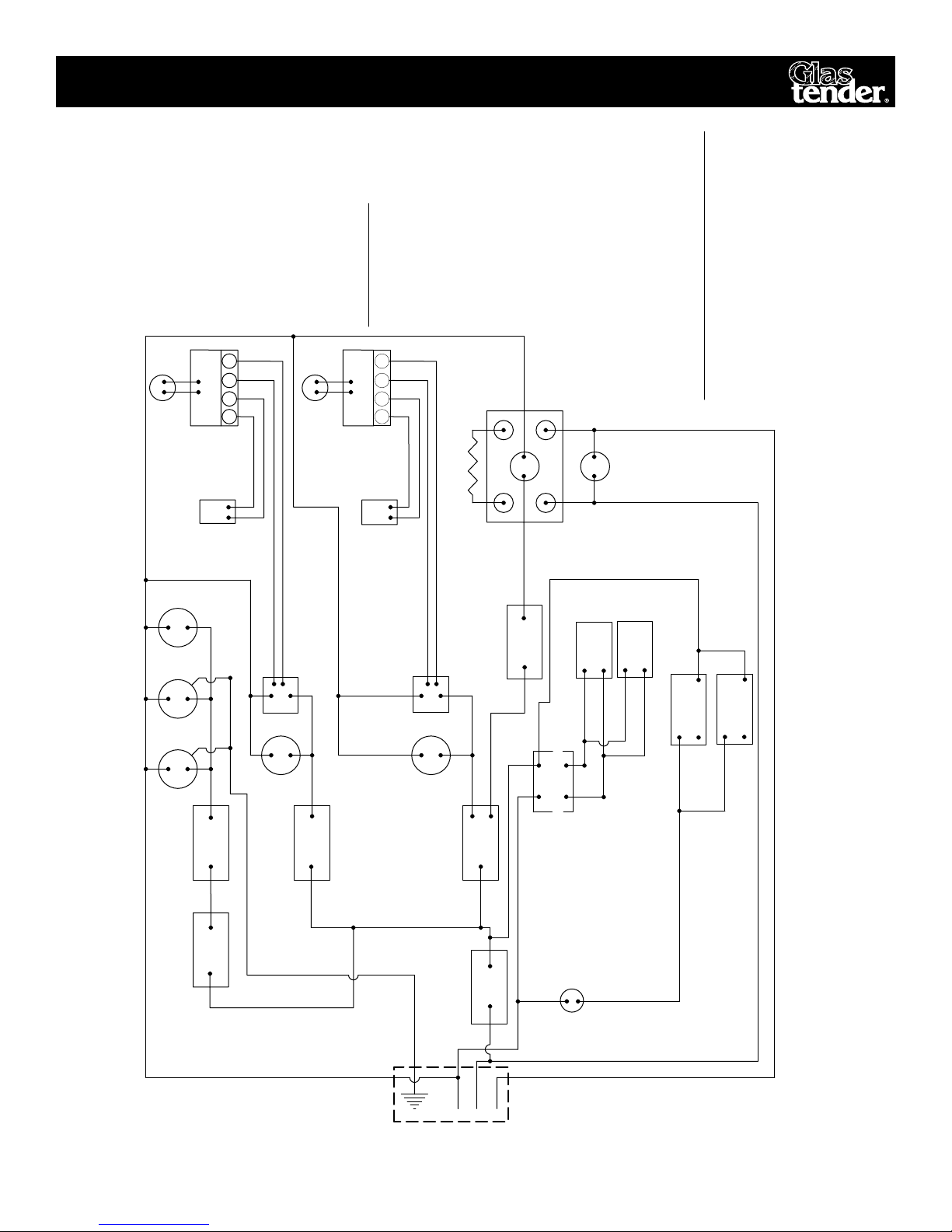
Wiring Diagrams
Manufactured Before Jan. 2003 ...................................................................... 5
Manufactured After Jan. 2003 ......................................................................... 6
Utility Requirements and Connections..................................................................7-8
Start-Up Instructions..............................................................................................8-9
Peristaltic Pump Adjustments .............................................................................. 9-10
Useful Information About Water, Detergent and Sanitizer .................................... 11
How to Operate the Glasswasher ........................................................................... 12
How the Glasswasher Operates .........................................................................12-14
Tips for Trouble-Free Operation............................................................................. 14
Important Information About Chemicals................................................................ 15
Diagnosing Poor Wash Results............................................................................... 16
Cleaning Instructions .........................................................................................17-18
Troubleshooting Guide ......................................................................................19-21
Index
IMPORTANT!!
Attention Refrigeration Service Companies
Please review the important warranty information on this page. If you believe a
service call should be covered by the factory, please call the factory for authorization
between 8AM and 5PM EST, Monday through Friday.
warranty statement
LABOR: Glastender, Inc. warrants all products to be free of defects in
material and workmanship. In established areas, a start-up and a 90-
day labor warranty are included with glasswasher models GT-24 and
GT-30. The GT-18 series glasswashers include a 90-day labor warranty.
Self-contained refrigeration models, except beer line chillers, include a
1-year labor warranty, for the duration of one year from date of instal-
lation or up to 18 months from date of factory shipment, whichever
occurs sooner. For warranty labor claims beyond 15 months from the
date of factory shipment, proof of date of installation or occupancy must
be provided. Authorization for labor must be obtained from Glastender
within the warranty period and prior to the service being performed.
Labor warranty applies to the United States and Canada only.
PARTS: Within one year from date of installation, or 15 months from
date of factory shipment, whichever occurs sooner, Glastender, Inc.
will replace any part or assembly found defective under normal use and
service. Field replacement parts include a warranty of 90 days from date
of installation. All self-contained refrigeration models include a 5-year
compressor warranty.
A warranty claim form MUST accompany all returned defective parts or
assemblies. This form MUST be completed in full. Failure to do so may
result in delay or denial of credit. Any defective part or assembly must
be returned to Glastender, Inc., Saginaw, Michigan, with all transporta-
tion and delivery charges prepaid. Warranty repairs or replacements will
be shipped FOB factory in Saginaw, Michigan.
The warranty does not cover equipment subjected to accidents, freight
damage, alterations, improper power and/or plumbing hookups, improp-
er chemical use, general misuse, or lack of routine required maintenance
as determined by Glastender, Inc.
No representative, distributor, dealer, or any other person is authorized
to modify this warranty. This warranty replaces all other written or
verbal warranties.
NOTE: Glastender, Inc.’s policy of constant quality improvement
means that prices, specifications, and policies are subject to change
without notice. Questions regarding this warranty should be directed to
Glastender’s Customer Service Representative.
03/01/07