
3
4. Operating Instructions
(1) Geo-fence (Park) Function
Slide the Park switch to the left to activate Geo-fence function, the PARK LED will be
“constant glow”. AVL-901(C) will send a SMS alert message to the preset phone
numbers, if the car is moved beyond the preset distance range. Slide the Park switch
back to the right, the PARK LED will shut off; and Geo-fence (Park) function will be cut
off. The accuracy of GPS positioning is liable to be affected by time, weather, & other
environmental factors. It is suggested to set the geo-fence range over 200 meters.
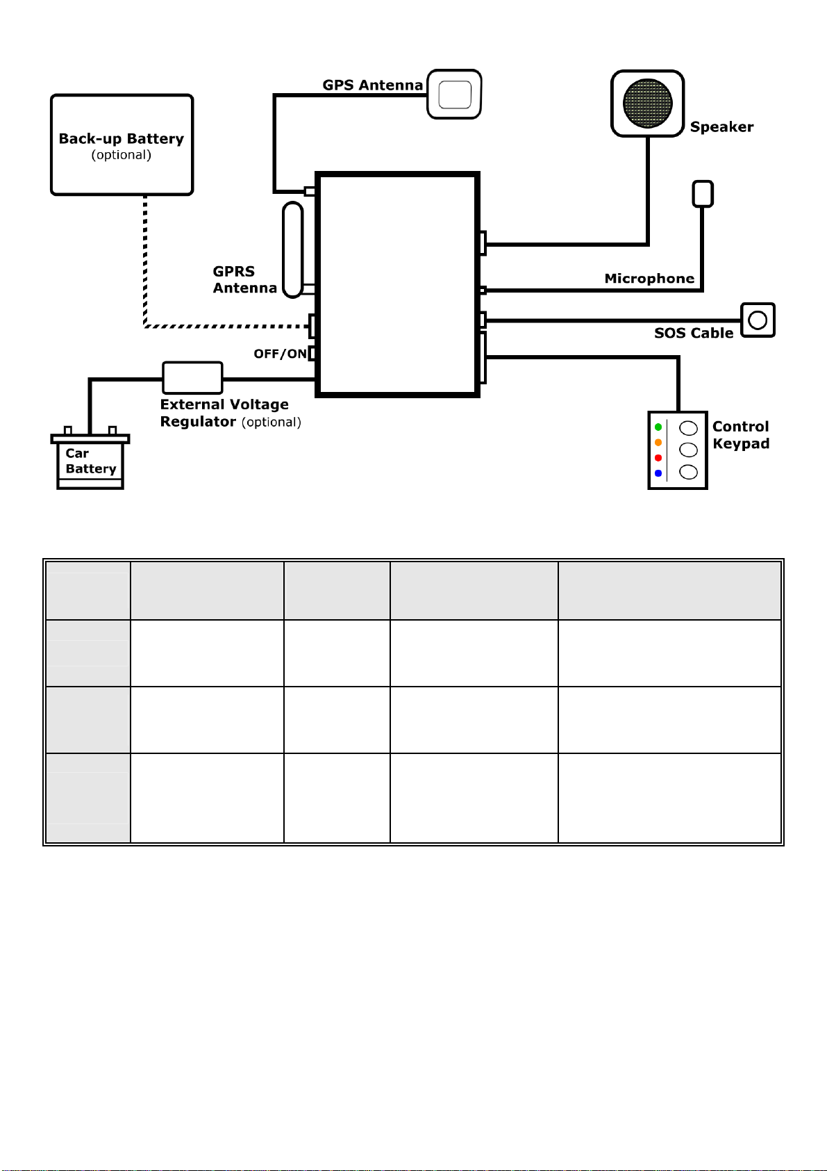
(2) SOS Emergency Help Function
When SOS button is pressed for 2-3 seconds, the device will send out a SMS message
for emergency help, one time each 3 minutes. The person(s) who receive the message
can activate the voice monitoring function, and offer assistance in time. The phone
numbers list can be set by the users.
(3) Sound Monitoring Function
If you want to know what is happening inside the car, you can send a SMS command
code 100#Password to the unit to monitor the situation in the car, LIVE & REAL-TIME.
(4) Conversation Function
Call In: One can make phone call to AVL-901(C) by simply dialing the SIM card
number. To receive the incoming phone call, one should press the “Pick-Up/
Hang-Up” button to start the phone conversation.
Call Out: AVL-901(C) has two buttons for speed dial; you can preset two sets of phone
numbers of those you want to talk with. After the setting, you can make phone
call to the preset phone numbers by pressing down either of the two speed
dial buttons, “Dial 1” or “Dial 2”.
(5) Setting the Volume & Ring
Volume: Press “Dial 1” for 3-5 seconds, the device will ring up. By then, you can press
Dial 1(+) or Dial 2(-) to adjust volume up/ down; and press “Pick-Up/
Hang-Up” button to confirm the setting.
Ringing: Press “Dial 2” for 3-5 seconds, the unit will ring up. By then, you can press
Dial 1(+) or Dial 2(-) to select the ring sound; and press “Pick- Up/
Hang-Up” button to confirm the setting.