
Caution: Exposure to extremely high noise levels can
cause permanent hearing loss.
The Trimax Speaker System is capable of producing in excess of 130db SPL at 1 meter.
Continued exposure to noise levels in excess of 90db may cause permanent hearing loss.
Below is a chart of the OSHA (Occupational Safety & Health Administration) regulations for
Occupational Noise Exposure. Please note: OSHA requires hearing protection for any
work environment when the sound levels exceed those shown in Table G-16 when
measured on the A scale of a standard sound level meter at slow response.
INTRODUCTION
Thank you for purchasing ISP Technologies Trimax Active Speaker system. The Trimax
System is a high output three-way active speaker system designed to deliver HI-FI sound
quality for high SPL sound reinforcement applications. The Trimax 15 System is designed
with a 400-watt 15-inch woofer, a 300-watt 10-inch midrange driver and a high
performance, 2-inch high frequency compression driver. The Trimax 18 System is
designed with a 600-watt 18-inch woofer, a 300-watt 10-inch midrange driver and a high
performance, 2-inch high frequency compression driver. The Trimax System has three
separate power amplifiers capable of producing upwards of 800 watts of power with the
Trimax 15 and 1000 watts with the Trimax 18. Each amplifier receives its input signal from
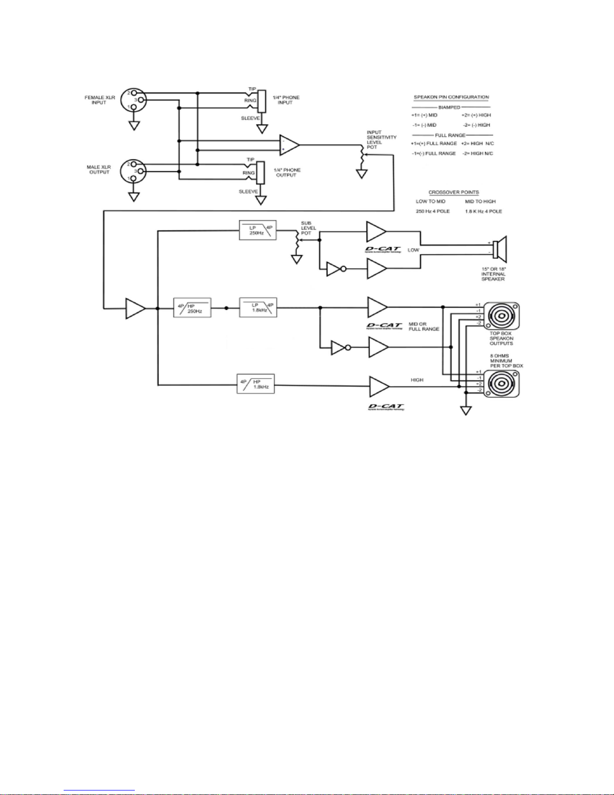
an internal 4th order crossover network specifically designed to provide optimized phase
and frequency response at each crossover point. The internal amplifiers are based on ISP
Technologies patent pending D-CAT (Dynamic Current Amplifier Technology) amplifier
technology. The D-CAT technology is capable of delivering extremely high output current
providing an improvement in transient response, output current, and a noticeable
improvement in PUNCH. The D-CAT amplifier technology utilizes a monolithic power
amplifier driver that reduces parts count and greatly improves reliability. The D-CAT
amplifiers provide improved reliability by including short circuit and over temperature
protection.
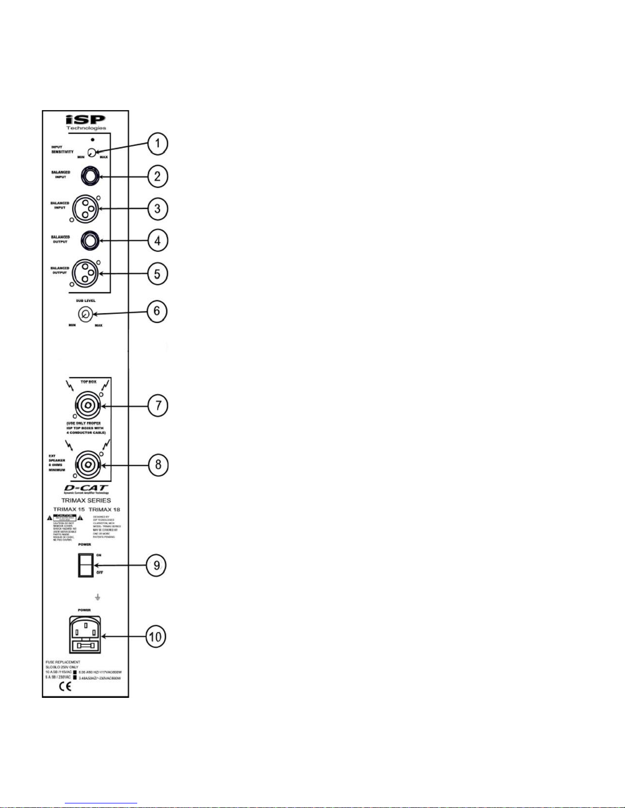
The Trimax System offers both ¼ inch RTS and XLR balanced inputs as well as, ¼-inch
RTS and XLR outputs for connecting multiple speakers. A sensitivity adjustment knob
allows you to adapt the speaker for a wide range of common signal levels. The Trimax