
JL AUDIO CleanSweep™ CL441dsp 9
CALIBRATION
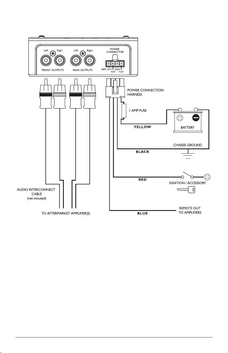
Once you have made all your system
connections, follow these steps precisely:
1) Turn the CL441dsp’s Master Volume Control
all the way DOWN (fully counterclockwise).
2) Reconnect the vehicle’s battery ground.
3) Turn the OEM head unit on and make sure
it is playing something (radio or CD, doesn’t
matter right now). Set all of the OEM head
unit tone controls at “0” (flat), and the
balance and fader controls at their center
positions. Turn off any factory DSP features,
such as “Concert Hall” or “Stadium” or
music genre-specific equalization settings.
4) Verify that the CL441dsp and all of the
aftermarket equipment have turned on.
5) Slightly raise the CL441dsp Master Volume
Control to verify that audio is passing
through to the aftermarket system. Once
verified, turn the Master Volume Control all
the way down (fully counterclockwise).
6) Insert the included CleanSweep™ Calibration
CD into the OEM CD player, play Track “01”
and set the OEM head unit volume control
between 1/2 and 3/4 of full volume.
7) Using a small pointed tool or a paper clip,
press the “CALIBRATE” button on the top
of the CL441dsp.
8) Wait approximately twenty seconds... lights
will flash in various colors to keep you
entertained and to indicate that calibration is
taking place. After twenty seconds, the lights
will stabilize and indicate whether calibration
has been successful on each channel.
9) If you see four steady green lights (or two if
you only connected two channels of input),
your calibration was successful. If you do
not see steady green lights, refer to the
“Channel Status Codes” section on Page 11
for troubleshooting.
SIGNAL SENSE MODES
The CL441dsp is designed to act as a turn-
on and turn-off controller for the aftermarket
components in your system. There are two modes
of turn-on operation which can be selected via the
“SIGNAL SENSE” slide-switch located next to the
OEM Input Connector.
SIGNAL SENSE: ON
In most cases, you will want to use this mode
which requires that the “IGN” terminal of the
CL441dsp be connected to a wire with accessory/
ignition-switched +12V. In this mode, the
CL441dsp will only wake up and turn on the rest
of the system when it senses +12 V at its “IGN”
terminal and also senses an input signal from the
OEM audio source. If the vehicle is turned on with
the OEM source unit turned off, the CL441dsp
will remain in standby mode until the OEM source
is turned on and playing. The CL441dsp go into
Standby Mode (off) one minute after it senses
a loss of input signal or as soon as the ignition is
turned off (whichever comes first).
Note: You must have the OEM source unit
playing in order to listen to the AUX source when
the “Signal Sense” mode is “on”.
SIGNAL SENSE: OFF
With the “Signal Sense” switch in the “off”
position, the CL441dsp will wake up and provide
+12V at its “REM.OUT” terminal whenever it
senses +12V at its “IGN” terminal (regardless
of whether the OEM source is on or not). This
position can be useful if another device is being
used to toggle the CL441dsp on/off, or if the
OEM system has a conventional +12 V turn-on
output (very rare). The “off” position can also be
used with a manual switch on the wire feeding
the “IGN” terminal for those who desire manual
control of on/off functions. This switch should
be connected to an ignition-switched +12V to
prevent accidental battery drainage. If you decide
to ignore the foregoing and use a manual switch
fed by constant +12V, be aware that forgetting to
shut the system off will result in battery drainage.