
B1
15
B3 B5 B7
B2 B4 B6
A6
B8
A5 A7
A2 A4 A8
2
1
4
6
1
2
3
7
A8
A4
A7
A5
A2
A6
B6 B5 B4 B3 B8 B7 B2 B1
B1 B3 B5 B7
B2 B4 B6 B8
A5 A7
A2 A4 A6 A8
5
3
(ILLUMINATION)
FRANÇAIS
DEUTSCH NEDERLANDS
ENGLISH
A Typical Connections / Typische Anschlüsse / Raccordements typiques / Normale verbindingen
Before connecting: Check the wiring in the vehicle
carefully. Incorrect connection may cause serious
damage to this unit.
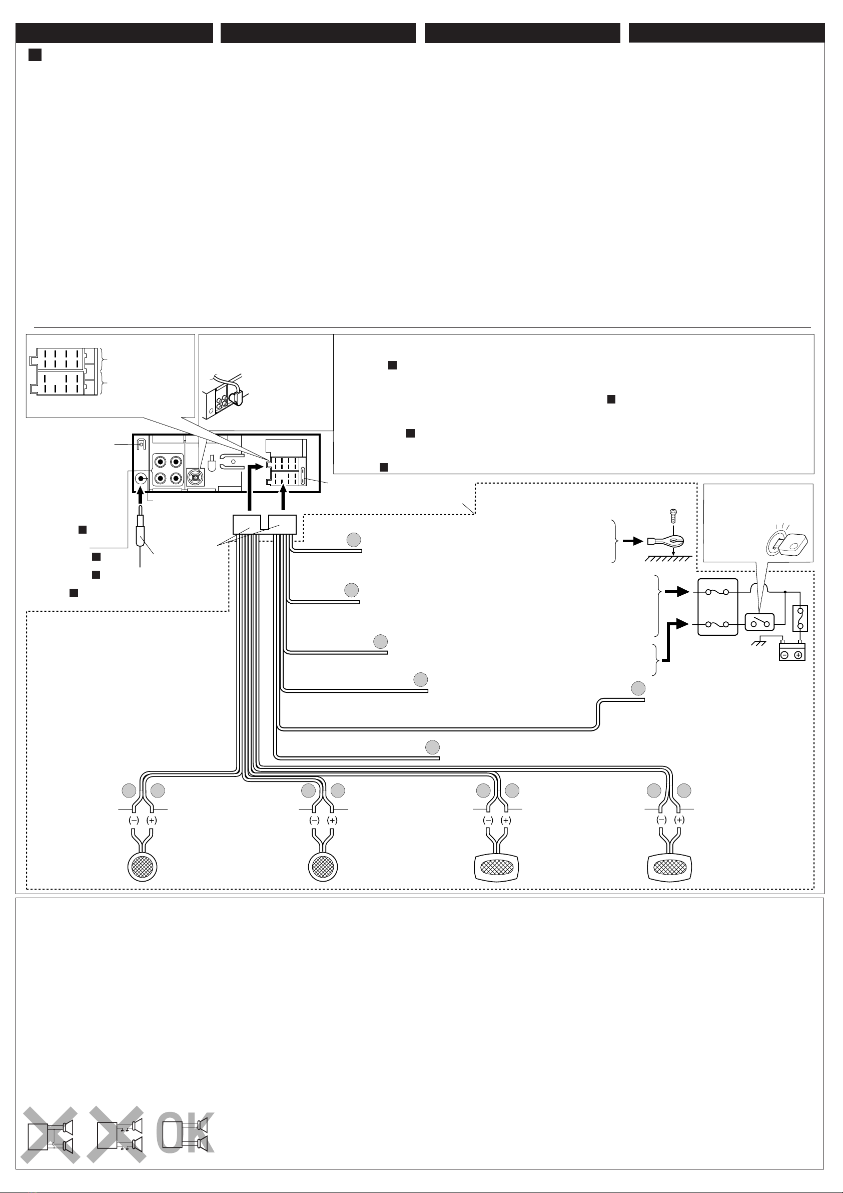
1
Connect the colored leads of the power cord to the
car battery, speakers and power aerial (if any) in the
following sequence.
1Black: ground
2Yellow:to car battery (constant 12 V)
3Red: to an accessory terminal
4Blue with white stripe: to power aerial
(200 mA max.)
5Orange with white stripe: to car light control
switch
6Brown: to cellular phone system (For details,
refer to the instructions of the cellular phone.)
7Others: to speakers
2
Connect the aerial cord.
3
Finally connect the wiring harness to the unit.
Note: If your vehicle does not have any accessory
terminal, move the fuse from the fuse position 1 (initial
position) to fuse position 2, and connect the red lead
(A7) to the positive (+) battery terminal.
• The yellow lead (A4) is not used in this case.
Vor dem Anschließen: Die Verdrahtung im Fahrzeug
sorgfältig überprüfen. Falsche Anschlüsse können
ernsthafte Schäden am Gerät hervorrufen.
1
Die farbigen Leitungen des
Spannunsgversorgungskabels an der
Autobatterie, den Lautsprechern und dem
Motorantenne (sofern vorhanden) in folgender
Reihenfolge anschließen.
1Schwarz: Erdung
2Gelb: an Autobatterie (konstant 12 V)
3Rot: an Zubehöranschlußklemme
4Blau mit weißem Streifen: an Motorantenne
(max. 200 mA)
5Orange mit weißem Streifen: zum
Autolichtschalter
6Braun: an Mobiltelefon (Weitere informationen
entnehmen Sie bitte der Bedienungscanleitung
des Mobiltelefons.)
7Andere: an Lautsprecher
2
Das Antennenkabel anschließen.
3
Die Kabelbäume am Gerät anschließen.
Hinweis: Verfügt Ihr Fahrzeug nicht über eine
Zubehöranschlußklemme, die Sicherung von der 1.
Sicherungsposition (Erstposition) in die 2.
Sicherungsposition versetzen, die rote Leitung (A7)
an der (+) Batterieanschlußklemme anschließen.
• Die gelbe Leitung (A4) wird in diesem Fall nicht
verwendet.
Avant de commencer la connexion:
vérifiez
attentivement le câblage du véhicule. Une connexion
incorrecte peut endommager sérieusement l’appareil.
1
Connectezles fils de couleur ducordond’alimentation
àlabatteriedela voiture,auxenceintes et à l’antenne
automatique (s’il y en a une) dans l’ordre suivant.
1
Noir: a la masse
2
Jaune: a la batterie de la voiture (12V constant)
3
Rouge: à la prise accessoire
4
Bleuavecbandeblanche:àl’antenneautomatique
(200 mA max.)
5
Orange avec bande blanche: à l’interrupteur
d’éclairage de la voiture
6
Marron: à un système de téléphone cellulaire
(Pour les détails, se référer aux instructions du
téléphone cellulaire.)
7
Autres: aux enceintes
2
Connectez le cordon d’antenne.
3
Finalement,connectezle faisceaudefils à l’appareil.
Remarque:
Si votre véhicule ne possède pas de borne
accessoire, déplacez le fusible de la position de fusible
1 (position originale) à la position de fusible 2 et
connectez le fil rouge (A7) à la borne positive (+) de la
batterie.
• Le fil jaune (A4) n’est pas utilisé dans ce cas.
Alvorens de verbindingen tot stand te brengen:
moetu de bedradingin de autozorgvuldig.Het apparaat kan
door verkeerde verbindingen ernstige schade oplopen.
1
Sluit de gekleurde snoerdraden van de stroomkable in
de hierna genoemde volgorde aan op de accu van de
auto, de luidsprekers en de antenne (indien aanwezig).
1Zwart: aarde
2Geel: naar de accu van de auto (constant 12 V)
3Rood: naar de aansluitklem van de accessoire
4Blauw met witte streep: naar de antenne
(Max. 200 mA)
5Oranje met witte streep: naar de schakelaarvoor
de autoverlichting
6Bruin: Naar het mobiele-telefoonsysteem (Lees
voor meer informatie de instructies die bij de
mobiele telefoon worden geleverd.)
7Andere: naar de speakers
2
Sluit de antenne aan.
3
Verbind de draadbundel daarna met het apparaat.
Opmerking: Als uw voertuig niet beschikt over een
aansluitklem, moet u de zekering verplaatsen van stand 1
(beginstand) naar stand 2 en moet u de rode draad (A7) met
de pluspool (+) van de accu verbinden.
• In dit geval wordt de gele draad (A4) niet gebruikt.
*1:Before checking the operation of this unit prior to
installation, this lead must be connected, otherwise
power cannot be turned on.
*1: Vor der Überprüfung der Funktionsfähigkeit des Geräts
vor dem Einbau, muß diese Leitung angeschlossen
werden, da sonst die Stromversorgung nicht
eingeschaltet werden kann.
*1:Pour vérifier le fonctionnement de cet appareil avant
installation, ce fil doit être raccordé, sinon l’appareil
ne peut pas être mis sous tension.
*1: Voordat u controleert of het apparaat werkt (alvorens het te
installeren), moet deze draad aangesloten zijn. Als dit niet
het geval is, kan de stroom niet worden ingeschakeld.
Aerial terminal
Antennenanschlußklemme
Borne de l’antenne
Aansluitpunt antenne
*Not included with this unit.
Wird nicht mit Gerät mitgeliefert.
Non fourni avec cet appareil.
Niet bij het apparaat inbegrepen.
To metallic body or chassis of the car
Zur metallenen Karosserie oder zum Fahrwerk des Autos
Vers corps métallique ou châssis de la voiture
Naar metalen ondergrond of chassis van de auto
To a live terminal in the fuse block connecting to the car battery (bypassing
the ignition swich)
Zur einer stromführenden Anschlußklemme im Sicherungsblock zum Anschließen
an die Autobatterie (Umgehen des Zündschalters)
Aune bornesous tensiondu porte-fusibleconnectéeà la batterie dela voiture
(en dérivant l’interrupteur d’allumage)
Naar een onder spanning staande aansluitklem in het zekeringblok die is aangesloten
op de accu van de auto (u passeert de ontstekingsschakelaar)
To an accessory terminal in the fuse block
Zur einer Zubehöranschlußklemme im Sicherungsblock
Vers borne accessoire du porte-fusible
Naar een aansluitklem in het zekeringblok
When connecting a CD changer, we recommend to use one of the CH-X series CD changers.
• If your CD changer is one of the KD-MK series, you need an optional cord (KS-U15K).
You can also use an external component such as a portable MD player by connecting the Line Input Adaptor KS-U57 (not supplied).
(See diagram B .)
Wenn Sie einen CD-Wechsler anschließen möchten, empfiehlt es sich, einen CD-Wechsler der Modellreihe CH-X zu verwenden.
• Wenn Ihr CD-Wechsler zur Modellreihe KD-MK gehören, benötigen Sie ein anderes Kabel (KS-U15K).
Sie können auch eine externe Komponente, z.B. einen tragbaren MD-Spieler, verwenden, wenn Sie den (nicht zum Lieferumfang
gehörenden) Line-Eingangsadapter KS-U57 anschließen (siehe Schaltplan B ).
Lors de la connexion d’un changeur CD, nous vous recommandons d’utiliser un des changeurs CD de la série CH-X.
• Si votre changeur appartient à la série KD-MK, vous avez besoin d’un cordon optionnel (KS-U15K).
Vous pouvez aussi utiliser un appareil extérieur tel qu’un lecteur de MD en connectant l’adaptateur d’entrée de ligne KS-U57 (non fourni)
(voir le diagramme
B
).
Voor het aansluiten van een CD-wisselaar raden we een wisselaar uit de CH-X-serie aan.
•Als de CD-wisselaar die u wilt aansluiten uit de KD-MK-serie komt, hebt u een extra kabel nodig (KS-U15K).
Het is ook mogelijk een extern apparaat zoals een draagbare MD-speler aan te sluiten met behulp van de Line InputAdapter KS-U57 (niet meegeleverd).
(Zie schema B .)
To car light control switch
Zum Autolichtschalter
À l’interrupteur d’éclairage de la voiture
Naar de schakelaar voor de autoverlichting
White
Weiß
Blanc
Wit
Purple with black stripe
Lila mit schwarzem Streifen
Violet avec bande noire
Paars met zwarte streep
Gray
Grau
Gris
Grijs
Gray with black stripe
Grau mit schwarzem Streifen
Gris avec bande noire
Grijs met zwarte streep
Green
Grün
Vert
Groen
Purple
Lila
Violet
Paars
Fuse position 2
2. Sicherungsposition
Position de fusible 2
Zekering, stand 2
Fuse position 1
1. Sicherungsposition
Position de fusible 1
Zekering, stand 1
Green with black stripe
Grün mit schwarzem Streifen
Vert avec bande noire
Groen met zwarte streep
White with black stripe
Weiß mit schwarzem
Streifen
Blancavecbandenoire
Wit met zwarte streep Left speaker (front)
Linker Lautsprecher (vorne)
Enceinte gauche (avant)
Linkerspeaker (voorin)
Right speaker (front)
Rechter Lautsprecher (vorne)
Enceinte droit (avant)
Rechterspeaker (voorin)
Left speaker (rear)
Linker Lautsprecher (hinten)
Enceinte gauche (arrière)
Linkerspeaker (achterin)
Right speaker (rear)
Rechter Lautsprecher (hinten)
Enceinte droit (arrière)
Rechterspeaker (achterin)
Rear ground terminal
Hintere
Erdungscanschlußklemme
Borne arrière de masse
Massaklem aan de achterkant
*
*
Ignition switch
Zündschalter
Interrupteur d’allumage
Contactschakelaar
Fuse block
Sicherungsblock
Porte-fusible
Zekeringblok
L
R+
-
+
-
+
-
+
-
L
R+
-
+
-
+
-
+
-
L
R+
-
+
-
+
-
+
-
PRECAUTIONS on power supply and
speaker connections:
•DO NOT connect the speaker leads of the power
cord to the car battery; otherwise, the unit will be
seriously damaged.
• Connect the black lead (ground), yellow lead (to car
battery, constant 12 V), and red lead (to an accessory
terminal) correctly.
• BEFOREconnecting thespeakerleadsofthe powercord
to the speakers, check the speaker wiring in your car.
–If the speaker wiring in your car is as illustrated
in Fig. 1 and Fig. 2 below, DO NOT connect the unit
using that original speaker wiring. If you do, the unit
will be seriously damaged.
Redo the speaker wiring so that you can connect the
unit to the speakers as illustrated in Fig. 3.
–If the speaker wiring in your car is as illustrated
in Fig. 3, you can connect the unit using the original
speaker wiring in your car.
– If you are not sure of the speaker wiring of your car,
consult your car dealer.
VORSICHTSMASSREGELN beim
Anschließen der Stromversorgung
und Lautsprecher:
•Die Lautsprecherleitungen des Netzkabels NICHT
an der Autobatterie anschließen, da sonst das
Gerät schwer beschädigt wird.
• Die schwarze Leitung (Erdung), die gelbe Leitung (zur
Autobatterie, konstant 12 V) und die rote Leitung (zur
Zubehöranschlußklemme) richtig anschließen.
• VOR dem Anschließen der Lautsprecherleitungen des
Spannunsgversorgungskabels an die Lautsprecher, die
Lautsprecherverdrahtung in Ihrem Auto überprüfen.
–Ist die Lautsprecherverdrahtung wie unten in
“Fig. 1” und “Fig. 2” abgebildet, das Gerät
NICHT mit der Originalverdrahtung der
Lautsprecher anschließen, da sonst das Gerät
schwer beschädigt wird.
Die Lautsprecherverdrahtung erneuern, so daß Sie
das Gerät an den Lautsprechern wie in “Fig. 3”
abgebildet anschließen können.
–Ist die Lautsprecherverdrahtung in Ihrem Auto
wie in “Fig. 3” abgebildet, können Sie das Gerät
mit der Originalverdrahtung der Lautsprecher in
Ihrem Auto anschließen.
– Sind Sie sich über die Lautsprecherverdrahtung in
Ihrem Auto nicht sicher, wenden Sie sich an Ihren
Autohändler.
PRECAUTIONS sur l’alimentation et
la connexion des enceintes:
•NE CONNECTEZ PAS les fils d’enceintes du
cordon d’alimentation à la batterie; sinon,
l’appareil serait sérieusement endommagé.
•
Connectez correctement le fil noir (a la masse), le fil
jaune (a la batterie de la voiture,12 V constant) et le
fil rouge (à la prise accessoire).
•
AVANT de connecter les fils d’enceintes du cordon
d’alimentation aux enceintes, vérifiez le câblage des
enceintes de votre voiture.
–
Si le câblage des enceintes de votre voiture est
comme montré sur la Fig. 1 ou Fig. 2 ci-dessous,
NE CONNECTEZ PAS l’appareil en utiliscant ce
câblage original des enceintes. Si vous le faites,
l’appareil sera sérieusement endommagé.
Recommencez le câblage des enceintes de façon
que vous puissiez connecter l’appareil aux
enceintes comme montré sur la Fig. 3.
–
Si le câblage des enceintes de votre voiture est
comme montré sur la Fig. 3,
vous pouvez
connecterl’appareil en utiliscantce câblageoriginal
d’enceintes pour votre voiture.
– Si vous n’êtes pas sûrs du câblage d’enceintes de
votre voiture, consulter le concessionnaire de votre
voiture.
VOORZORGSMAATREGELEN bij het
verbinden van de
stroomkabeldraad met de speakers:
•Verbind de speakerdraden van de stroomkabel
NIET met de accu van de auto; als u dit wel doet,
zal het apparaat ernstige schade oplopen.
• Sluit de zwarte draad (aarde), de gele draad (naar de accu
van de auto, constant 12 V) en de rode draad (naar de
aansluitklem van de accessoire) op de juiste wijze aan.
• VOORDAT u de speakerdraden van de stroomkabel met
de speakers verbindt, moet u de bedrading van de speakers
in uw auto controleren.
–Als de bedrading van de speakers eruitziet zoals
hieronder staat afgebeeld in Fig. 1 en Fig. 2, mag
het apparaat NIET worden aangesloten met behulp van
deze oorspronkelijke speakerbedrading. Als u dat wel
doet, zal het apparaat ernstige schade oplopen.
Pas de bedrading van de speakers aan, zodat u het
apparaat met de speakers kunt verbinden, zoals staat
afgebeeld in Fig. 3.
–Als de bedrading van de speakers eruitziet zoals
staat afgebeeld in Fig. 3, kunt u het apparaat
aansluiten met behulp van de oorspronkelijke
speakerbedrading in uw auto.
– Als u twijfels hebt over de speakerbedrading in uw auto,
moet u contact opnemen met uw autodealer.
CD changer or another
external component
CD-Wechsler oder
eine andere externe
Komponente
Changeur CD JVC ou
autre appareil extérieur
CD-wisselaar of een
ander extern apparaat
15 A fuse
15 A Sicherung
Fusible 15 A
Zekering 15 A
Brown / Braun /
Marron /
Bruin
Blue with white stripe
Blau mit weißem Streifen
Bleu avec bande blanche
Blauw met witte streep
Red
Rot
Rouge
Rood
Yellow*1
Gelb*1
Jaune*
1
Geel *1
Black
Schwarz
Noir
Zwart
To aerial
Zur Antenne
A l’antenne
Naar de antenne
Line out
(see diagram B)
Schutz kappen
Signalausgang
(siehe Schaltplan B)
Sortie de ligne
(voir le diagramme
B
)
Uitgang
(zie schema B)
Fig. 1 Fig. 2 Fig. 3
To cellular phone system
Zur Moblitelephon
Àunsystème de téléphonecellulaire
Naar het mobiele-telefoonsysteem
To power aerial if any
Zur Motorantenne, sofern vorhanden
Vers l’antenne automatique s’il y en a une
Naar de antenne (indien aanwezig)
Orange with white stripe
Orange mit weißem Streifen
Orange avec bande blanche
Oranje met witte streep