
1
Bediening van receiver
Bediening van andere JVC toestellen ............... 62
Bediening van componenten van een ander
merk ................................................................ 63
Oplossen van problemen ................................... 65
Bediening van receiver—RX-E5S/RX-E51B ........................ 65
Bediening van DVD-speler—XV-N312S/XV-N310B ............. 66
Technische gegevens ......................................... 67
RX-E5S/RX-E51B ................................................................ 67
XV-N312S/XV-N310B .......................................................... 68
Bediening van DVD-speler
Namen van onderdelen ......................................... 2
Starten .................................................................... 5
Voorbereiding ......................................................................... 5
Controleren van de bijgeleverde accessoires ........................ 5
Plaatsen van batterijen in de afstandsbediening ................... 5
Aansluiten van de antennes voor FM en AM (MG) ................ 6
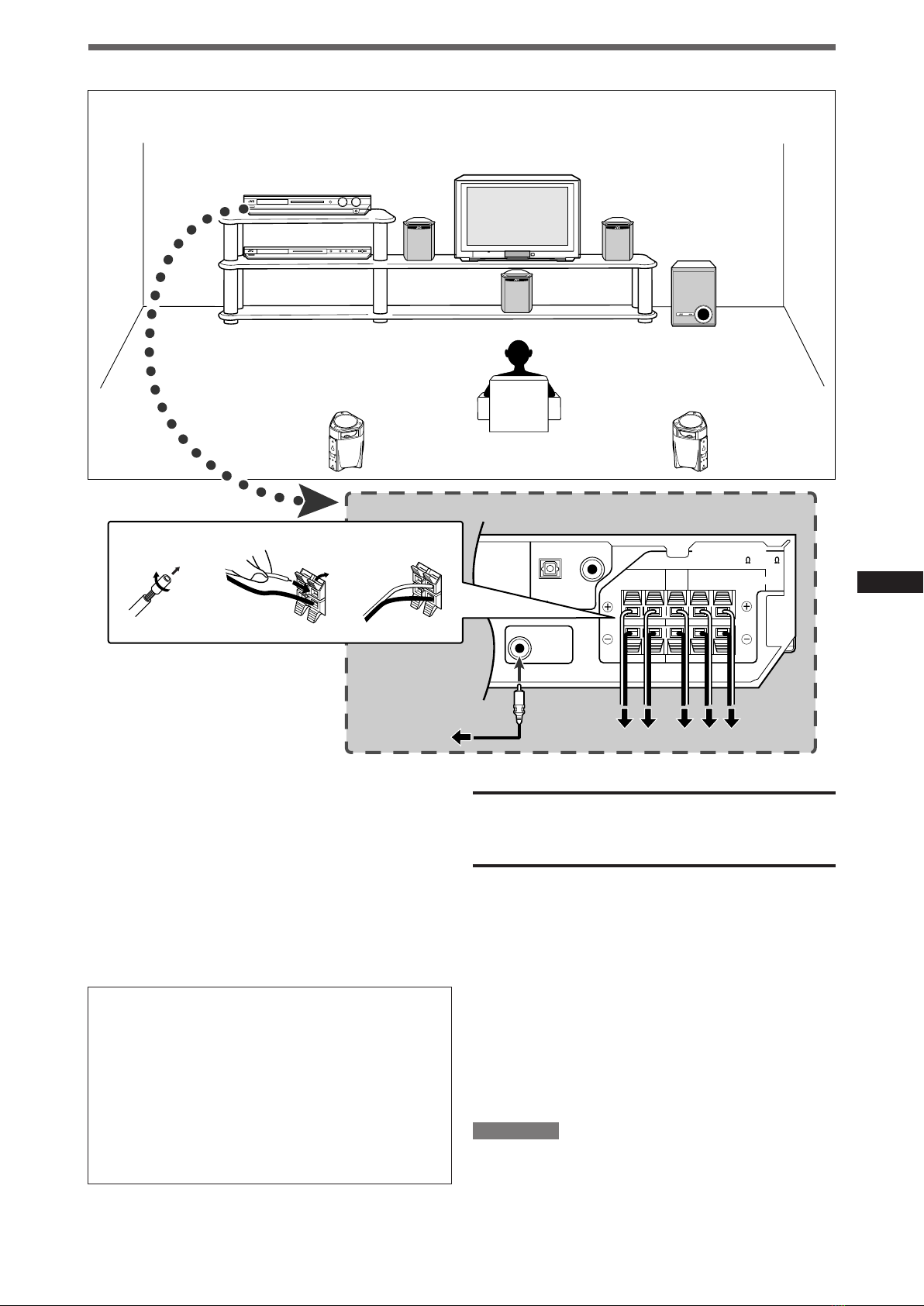
Aansluiten van de luidsprekers .............................................. 7
Aansluiten van videocomponenten ........................................ 8
Aansluiten van het netsnoer ................................................ 11
Basisbediening—RX-E5S/RX-E51B ............ 12
1 Inschakelen van de spanning .................................. 12
2 Kiezen van de weer te geven bron ........................... 12
3 Instellen van het volume .......................................... 13
Kiezen van de digitale decodeerfunctie ....................... 13
Instellen van de audiopositie van de subwoofer .......... 14
Activeren van TV Direct ............................................... 14
Tijdelijk uitschakelen van het geluid ............................ 15
Veranderen van de displayhelderheid.......................... 15
Uitschakelen van de stroom met de inslaaptimer ........ 15
Basisinstellingen—RX-E5S/RX-E51B ......... 16
Automatisch instellen van de luidspreker-informatie
—Smart Surround Setup ....................................... 16
Instellen basisonderdelen ............................................ 17
Bedieningsprocedure ................................................... 18
Instellen van de luidsprekers ....................................... 18
Instellen van de lage tonen .......................................... 19
Instellen van de virtuele surroundachterluidspreker
—VIRTUAL SB ...................................................... 20
Kiezen van het hoofd- of subkanaal—DUAL MONO ....
20
Gebruik van de nacht-functie—MIDNIGHT M. ............ 20
Instellen van de digitale (DIGITAL IN)
ingangsaansluitingen—DIGITAL IN1/2 .................. 21
Instellen van Auto Surround—AUTO SURRND ........... 21
Instellen van de automatische functie
—AUTO MODE ..................................................... 21
Regelen van het geluid
—RX-E5S/RX-E51B .................................. 22
In te stellen basisonderdelen ....................................... 22
Bedieningsprocedure ................................................... 22
Instellen van het luidsprekeruitgangsniveau ................ 23
Instellen van de geluidsparameters voor de
Surround-/DSP-functies ........................................ 23
Instellen van de lage tonen .......................................... 24
Instellen van de egalisatiepatronen
—D EQ 63Hz/250Hz/1kHz/4kHz/16kHz ............... 24
Bediening van de tuner
—RX-E5S/RX-E51B .................................. 25
Handmatig afstemmen op zenders .............................. 25
Gebruik van voorkeurzenders ...................................... 25
Kiezen van de FM-ontvangstfunctie ............................ 26
Gebruik van RDS (Radio Data System) voor
ontvangst van FM-zenders .................................... 27
Opzoeken van een programma aan de hand
van PTY-codes ...................................................... 28
Tijdelijk overschakelen len naar een ander gewenst
radioprogramma .................................................... 30
Voor realistische geluidsvelden
—RX-E5S
/RX-E51B ................................... 31
Reproductie met een bioscoopeffect ........................... 31
Introductie van de Surround-functie ............................. 31
Introductie van de DSP-functies .................................. 33
Gebruik van de Surround-/DSP-functies ..................... 34
Voordat u begint—XV-N312S/XV-N310B ..... 36
Betreffende discs ......................................................... 36
Basisbediening—XV-N312S/XV-N310B ...... 37
In/uitschakelen van de speler ...................................... 37
Begin-instellingen ........................................................ 37
Beginnen met afspelen ................................................ 38
Hervatten van de weergave vanuit de stopstand
(hervattingsfunctie) ................................................ 39
Diverse afspeelfuncties
—XV-N312S/XV-N310B ............................. 40
Afspelen met diverse snelheden.................................. 40
Opzoeken van het begin van een scène of
muziekstuk ............................................................ 41
Afspelen vanaf een bepaalde plaats op de disc .......... 41
Wijzigen van de afspeelvolgorde ................................. 42
Herhaald afspelen ....................................................... 44
Wijzigen van de taal, het geluid en de camerahoek .... 45
Speciale beeld- en geluidseffecten .............................. 46
Menubalkfuncties ......................................................... 47
Afspelen van audio/videobestanden
—XV-N312S/XV-N310B ............................. 49
Outline ......................................................................... 49
Basisbediening ............................................................ 50
Rechtstreeks selecteren van JPEG bestanden ........... 50
Wijzigen van de afspeelvolgorde ................................. 51
Herhaald afspelen ....................................................... 51
Diashow-weergave ...................................................... 51
Wijzigen van het beeld voor het openingsscherm ....... 52
Wijzigen van de oorspronkelijke
instellingen—XV-N312S/XV-N310B ......... 53
Voorkeuren selecteren ................................................. 53
Afspelen voor kinderen beperken ................................ 56
Aanvullende informatie
—XV-N312S/XV-N310B ............................. 58
Land/gebiedcodelijst voor Parental Lock ..................... 58
Tabel van talen en hun afkortingen .............................. 59
Tabel van digitale uitgangssignalen ............................. 60
Verklarende woordenlijst .............................................. 61
Inhoudsopgave
NL01-06RX-E51B&XV-N310B[E]f.p65 14/1/04, 11:40 AM1