
English |3
Installation Procedure
1. To prevent short circuits, remove the key from the
ignition and disconnect the -terminal of the
battery.
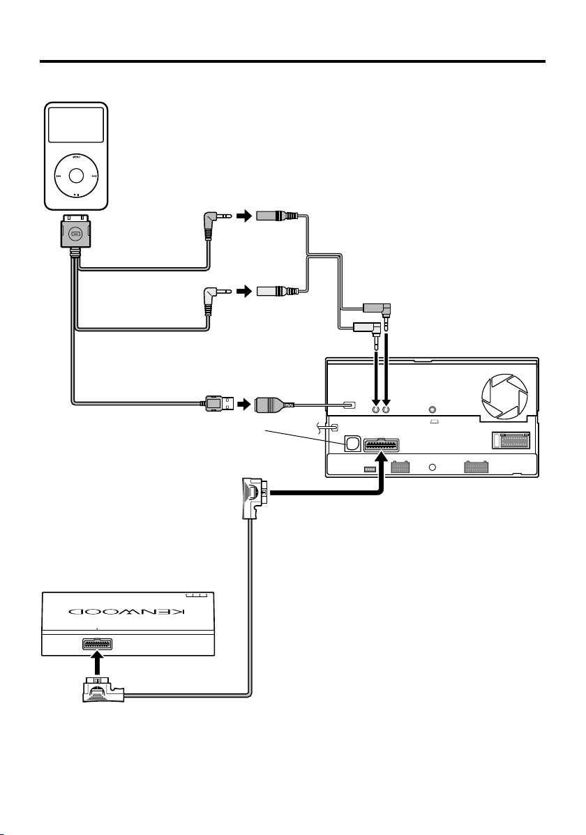
2. Make the proper input and output wire
connections for each unit.
3. Connect the wire on the wiring harness.
4. Take Connector B on the wiring harness and
connect it to the speaker connector in your vehicle.
5. Take Connector A on the wiring harness and
connect it to the external power connector on your
vehicle.
6. Connect the wiring harness connector to the unit.
7. Install the unit in your car.
8. Reconnect the -terminal of the battery.
9. Press the reset button.
2WARNING
• If you connect the ignition wire (red) and the battery wire
(yellow) to the car chassis (ground), you may cause a short
circuit, that in turn may start a fire. Always connect those
wires to the power source running through the fuse box.
Acquiring GPS Signals
The first time you turn on the DNX7220, you must
wait while the system acquires satellite signals for
the first time. This process could take up to several
minutes. Make sure your vehicle is outdoors in an
open area away from tall buildings and trees for
fastest acquisition. After the system acquires satellites
for the first time, it will acquire satellites quickly each
time thereafter.
¤
• Mounting and wiring this product requires skills and
experience. For safety’s sake, leave the mounting and wiring
work to professionals.
• Make sure to ground the unit to a negative 12V DC power
supply.
• Do not install the unit in a spot exposed to direct sunlight
or excessive heat or humidity. Also avoid places with too
much dust or the possibility of water splashing.
• Do not use your own screws. Use only the screws provided.
If you use the wrong screws, you could damage the unit.
• If the power is not turned ON (“PROTECT” is displayed),
the speaker wire may have a short-circuit or touched the
chassis of the vehicle and the protection function may
have been activated. Therefore, the speaker wire should be
checked.
• Make sure that all wire connections are securely made by
inserting jacks until they lock completely.
• If your vehicle’s ignition does not have an ACC position, or
if the ignition wire is connected to a power source with
constant voltage such as a battery wire, the power will not
be linked with the ignition (i.e., it will not turn on and off
along with the ignition). If you want to link the unit’s power
with the ignition, connect the ignition wire to a power
source that can be turned on and off with the ignition key.
• Use a commercially available conversion connector if the
connector does not fit in the vehicle connector.
• Insulate unconnected wires with vinyl tape or other similar
material. To prevent a short circuit, do not remove the caps
on the ends of the unconnected wires or the terminals.
• If the console has a lid, make sure to install the unit so that
the faceplate will not hit the lid when closing and opening.
• If the fuse blows, first make sure the wires aren’t touching
to cause a short circuit, then replace the old fuse with one
with the same rating.
• Connect the speaker wires correctly to the terminals to
which they correspond. The unit may be damaged or fail to
work if you share the -wires or ground them to any metal
part in the car.
• After the unit is installed, check whether the brake lamps,
blinkers, wipers, etc. on the car are working properly.
• Mount the unit so that the mounting angle is 30° or less.
• This unit has the cooling fan (page 5) to decrease the
internal temperature. Do not mount the unit in a place
where the cooling fan of the unit are blocked. Blocking
these openings will inhibit the cooling of the internal
temperature and result in malfunction.
• Do not press hard on the panel surface when installing the
unit to the vehicle. Otherwise scars, damage, or failure may
result.
DNXDDX7instaEEnr1.indd3DNXDDX7instaEEnr1.indd3 08.1.311:39:44PM08.1.311:39:44PM