
2
TS-2000/X
Overview of the Operation
The TS-2000/X basically consists of an all-mode-receiver
incorporating an IF/AF DSP for satellite communication with
an independent FM/AM sub-receiver for the VHF and UHF
bands.
■Overview of the operation of the all-mode trans-
ceiver unit (main band side) with an IF/AF DSP
for satellite communication
The receiver unit has an independent front end for each
of the HF, 50MHz, 144MHz, 430MHz and 1.2GHz bands
(some products do not support the 1.2GHz band). The cir-
cuits following the 10.695MHz IF stage are common to all
the bands. (Thus, it cannot receive two SSB signals at the
same time.)
The IF frequency of the transmitter unit is shifted from
the IF frequency of the receiver unit by 100kHz to enable
satellite operation (full duplex operation). The final section is
independent of the HF, 50MHz, 144MHz, 430MHz and
1.2GHz bands. Consequently, you can select a combination
of bands permitting satellite communication from the HF,
50MHz, 144MHz, 430MHz and 1.2GHz bands.
The transmitter unit and receiver unit on the main band
side operate simultaneously during satellite transmission.
The receiver unit on the sub-band side does not work. (The
sub-band receiver is not used during satellite operation.)
Two 16-bit DSP ICs are used; one performs IF processing
(main band side) and the other carries out AF processing
(main and sub bands). Although the DSP IC is a 16-bit unit, it
carries out “double-precision operations” for critical parts of
IF processing to perform 32-bit equivalent processing. In
addition, the DSP IC uses a 100-MHz high-speed internal
clock. The conversion from an analog signal to a digital sig-
nal (A/D conversion) is performed with 24 bits at high preci-
sion.
The DSP circuit for IF operates in any mode other than
FM mode for both transmission and reception. FM modula-
tion, detection and squelch processing are conventional ana-
log processes. (The processing prior to modulation and af-
ter demodulation in FM is performed by the DSP.)
In the mode in which the IF DSP circuit operates, it car-
ries out modulation and demodulation, digital IF filtering,
digital AGC, and CW waveform processing during transmis-
sion, as in the TS-870. All these functions are operated in all
the bands on the main band side, including satellite opera-
tion.
The AF unit is processed by the DSP in all modes. The
operating range of the DSP circuit depends on the mode,
but it performs beat cancellation, noise reduction, AF DSP
filtering, etc.
■Overview of the operation of the independent
FM/AM sub-receiver unit (sub-band side) for the
VHF and UHF bands
The local oscillator system and IF/AF signal system of the
sub-receiver unit are independent of the main band side.
Therefore, the sub-band receiver can receive signals while
the main band receiver is sending a signal. (Except when
reception is impossible due to harmonics of the transmit fre-
quency and when the main band and sub-band are on the
same frequency band.)
The sub-band receive signal is branched from the RF unit
on the main band side. It is, therefore, not necessary to
install a dedicated antenna for sub-band reception.
Transmission can be performed with the sub receive fre-
quency by shifting the “PTT band” to the sub-band side. It
is made possible by internally using the transmission func-
tion on the main band side.
AF processing is also carried out by the DSP on the sub-
band side and the noise reduction function works.
The sub-band reception function, including display, can
be turned off.
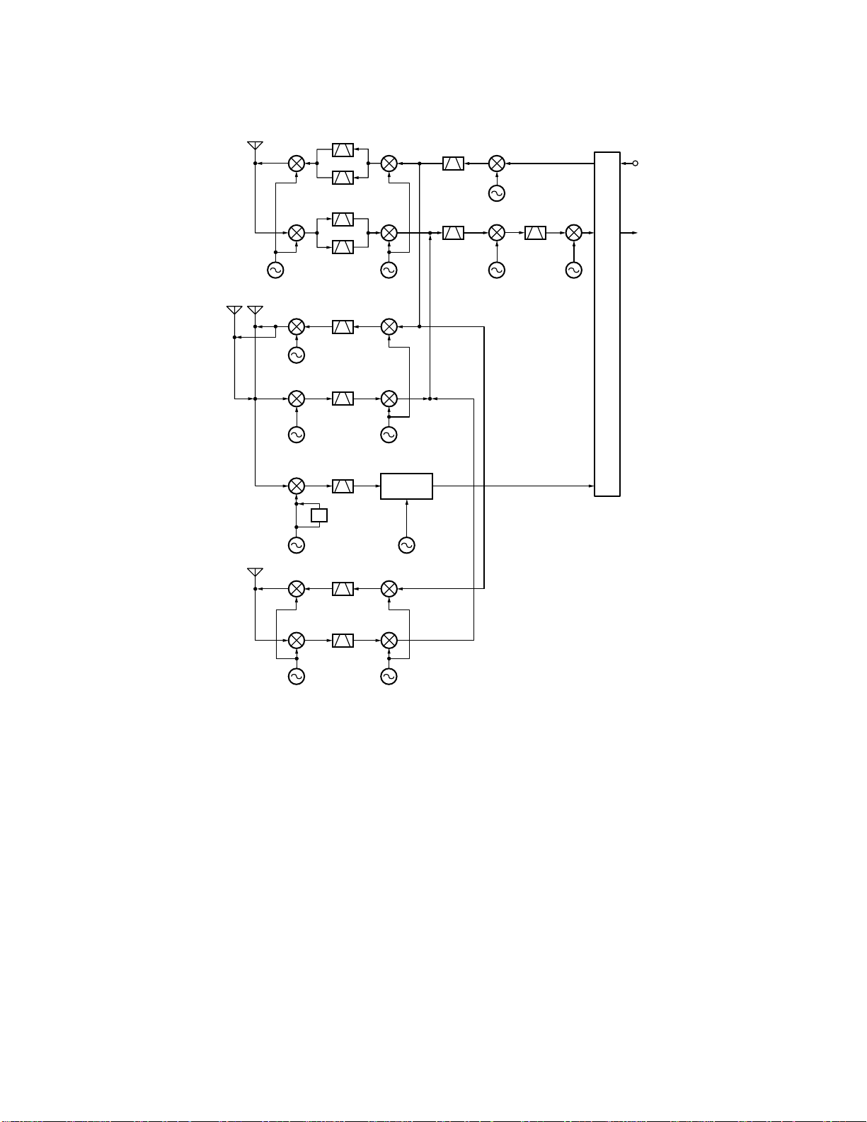
Frequency Configuration (Fig. 1)
This transceiver utilizes double conversion in FM mode
and triple conversion in non-FM modes during transmission.
It utilizes triple conversion in FM mode and quadruple
conversion in non-FM modes during reception. The fourth
12kHz IF signal is converted from analog to digital and con-
nected to the DSP.
When the carrier point frequency of the signal input from
the antenna is fIN, the relationship between these signals
when demodulating this signal is expressed by the following
equations:
HF MAIN fIN = fLO1 – fLO2 – fLO3 + fLO4 – 12kHz
VHF MAIN fIN = fLO1 – fLO2 – fLO3 + fLO4 – 12kHz
UHF MAIN fIN = fLO1 + fLO2 + fLO3 – fLO4 + 12kHz
1.2G MAIN fIN = fLO1 x 2 + fLO2 + fLO3 – fLO4 + 12kHz
Reference Signal Generation Circuit
The 15.6MHz reference frequency fstd for PLL frequency
control is generated by the TCXO (X400). The signal passes
through a buffer amplifier (Q420) and is used as the refer-
ence signal for the second local oscillator (HFLO2) for HF
band reception and the first local oscillator (SLO1) subband
reception.
The reference signal is doubled by Q412, and the result-
ing 31.2MHz signal is used as the reference signal for DDSs
(IC406, IC407, IC408, IC601, IC602, IC603).
The 31.2MHz signal is supplied to the TX-RX2 unit (X57-
606 A/11) as LO2 for VHF and UHF bands.
CIRCUIT DESCRIPTION