LaChapell Audio 583E Manuale utente

LACHAPELL AUDIO
583 Series Vacuum Tube Preamplifier Modules for
Microphones and Instruments (Model’s 583E & S).
Preliminary
Operating
Manual

Stated below are a few areas that you must take the time to read before you install and use your 583.
You as the owner/user are responsible for completely understanding how to operate this device
safely and properly.
UNPACKING: Inspect thoroughly. Although we take extreme care at final assembly and packing, things
can happen during transit. It is very important that you contact LaChapell Audio if there is anything broken
or damaged upon receipt of package. Shipping is always insured and we will do our absolute best to satisfy
any legitimate claim as long as it is made within 7 days of receipt. Included in every package should be: (1)
preliminary operating manual, (1) packet of mounting screws, (1) registration card. It is a good idea for you
to retain the packaging (box & foam case) in case there is a need to return the unit for service or repair at a
later date.
SERVICE/REPAIR: With the exception of tube replacement (see below) the user
should NOT attempt to service this unit in any way, due to the risk of electrical shock and the
presents of lethal voltages inside the 583 while powered. Only LaChapell Audio personnel are to
perform maintenance and service activities. The user should also take note that excessive ‘swapping’
of tubes will Introduce undue wear on the tube socket. It is therefore recommended that tube
replacement be performed only when necessary and by technically competent individuals.
Tube replacement: Turn power supply off and remove 583 from the chassis, wait five minutes to
allow the vacuum tube to cool before attempting to remove it. Using your fingers, apply a slight
circular/rotating motion as you pull it away from the socket. It is important to replace the tube
with the same type. When a replacement tube is installed double check that you’ve inserted the
correct tubes into the 583’s tube socket BEFORE powering up.
NOTE: The 583’s standard tube is the JJ ECC803. However, there are many different
ECC83/12AX7 variants that are virtually identical and can be used in either 583 module. These
include: ECC803, E83CC, CV4004, 6057, M8137, C492, 7025 and the 5751 (you will notice a slight
drop in gain when using the 5751).
WARNING: Warrantee may be void if tubes other than those listed above have been used
at any time.
PRODUCT SUMMARY: The LaChapell Audio 583 series modules feature single-ended vacuum tube
preamplifiers designed for use in the “500 series” format. The microphone input configuration is based on the
992EG and consists of an input transformer with a turns ratio of 1:10 and one ECC83/12AX7 vacuum tube.
The instrument input stage is transformer-less with the signal essentially going strait to the grid of the tube. The
output stage utilizes premium Burr-Brown and THAT Corporation line drivers along with an 80% nickel alloy
core transformer to generate a balanced line-level output signal. The model 583E features an ultra-clean
transformer-less three-band EQ section with fully sweeping frequency controls and cut/boost settings of +/-
8dB... the EQ can run as an integrated EQ (serving the preamplifier) or separate as its own autonomous module
apart from the preamplifier.
1

Controls:
All Toggle switches will illuminate red when
their associated function is active.
2
INPUT: Drives more or less
current into the tube stage.
OUTPUT: Drives more or less cur-
rent into the cleaner output stage.
48V: Supplies 48 volts of DC
current for condenser micro-
PAD: Reduces microphone input
signal by 20dB.
POLARITY: Reverses the polar-
ity of the output signal
INPUT: Activates Hi-Z or
Microphone input jacks.
HIGH: Frequency sweep range:
2.5Khz to 20Khz.
MID: Frequency sweep range:
325hz to 5Khz.
LOW: Frequency sweep range:
30hz to 400hz..
Each frequency band has
a cut/boost potential of
+ or - 8dB.
PRE + EQ: In this mode, the EQ section is internally
routed to serve the preamp’s output signal; effected
signal is sent out the left bay output jack.
Independent EQ: In this mode, the EQ section is available
as a completely independent module. The corresponding
rear right side connections are now active allowing you
to use the EQ on any external souse while the preamp
remains available on the left bay.

Internal Gain, microphone: 0 to >70dB
Internal Gain, Hi-Z: 0 to >50dB
Maximum output: +26dBu (1% THD+N)
Frequency Response: 12hz to >70khz (-3dB)
THD+N: <.25% (@50db, 0dBu out)
NOISE (EIN): -120dB (rg. 150ohm, HP22)
Input Impedance (mic): 1.5kohm
Input Impedance (Hi-Z): 40kohm
Tube Complement: (1) ECC83/12AX7
Output Impendence: 50ohm
Specifications:
3
SAFETY PRECAUTIONS:
Always provide adequate ventilation by allowing the top vents of your 500 series power supply
chassis to remain unobscured. Due to the vacuum tube and the internal secondary power supply,
the 583 will get warm, blocking or defeating any existing vent is not recommended.
Never position the power supply directly above other heat generating sources such as a power
amplifier.
Always provide a source to ground (earth.) Never under any conditions should a power cord
that has the 3rd prong for ground missing or defeated be used with the power supply.
Do not place the 583 in an area where there is a potential for fluids to fall, spill into or come in
contact with the 583. If you notice fluids or moisture present inside the 583 DO NOT turn
power on! Contact LaChapell Audio for direction.
The 583 (S or E) should only be used with power supply frames that have a >120ma
rating per bay.
Power Requirements: 583S: 210ma • 583E: 248ma (+/- 14 volts)
AMPLIFIER: EQ:
Noise Floor: -93dB
THD+N: 0.014% (@ +4dB)
Frequncy Response: Flat from 10hz to 50Khz
Cut/Boost Range: 8dB (+ or -)
Maximum Input Level: >24dB
Input Impedance: 48kohm
Input/Output Type: Transformer-less
Output Impendence: 50ohm

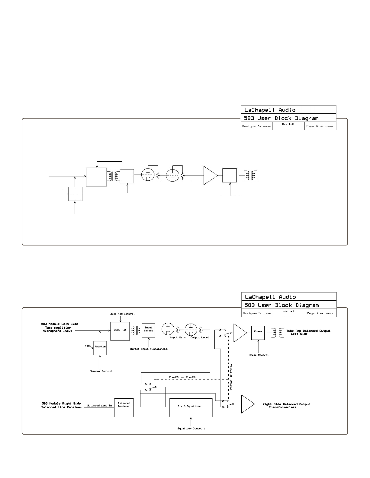
Block Diagrams:
MODEL 583E Diagram
Microphone
Input
-20dB Pad Control
Phantom (+48v)
Control
Direct Input (Unbalanced)
Input Gain Output Gain
Polarity Control
Polarity
Tube Amp Balanced Output
Input
Select
-20dB
Pad
Phantom
MODEL 583S Diagram

Warranty: LaChapell Audio warrants that for a period of one year after the date of delivery, the
Products delivered hereunder shall perform in accordance with the written product specifications
current as of the date of shipment and under normal use shall be free from defects arising from
selection of material or process of manufacture. LaChapell Audio agrees to repair or replace at its
principal business office in California or other authorized repair center, without charge, all defective
parts in the Products which are returned for inspection to said center within the warranty period;
provided such inspection discloses that the defects are as specified above, and provided further that
the Products has not been altered or repaired other than with authorization from LaChapell Audio
and by its approved procedures, not been subjected to misuse, improper maintenance, negligence or
accident or otherwise had its serial number or any part thereof altered, defaced or removed. All
shipping and insurance costs for the Products repaired or replaced under warranty are the responsi-
bility of the party shipping the Products. All defective items replaced hereunder shall become the
property of LaChapell Audio.

2005~2008 LACHAPELL AUDIO
3144 N. G st. #125-354
Phone 209-383-3486
www.lachapellaudio.com
Altri manuali per 583E
1
Questo manuale è adatto per i seguenti modelli
1
Indice
Altri manuali LaChapell Audio Amplificatore

LaChapell Audio
LaChapell Audio 500DT Manuale utente

LaChapell Audio
LaChapell Audio 500TDI Manuale utente

LaChapell Audio
LaChapell Audio 583E Manuale utente

LaChapell Audio
LaChapell Audio 992 Manuale utente

LaChapell Audio
LaChapell Audio 983M Manuale utente

LaChapell Audio
LaChapell Audio 583S MKII Manuale utente

















