Makita 9031 Manuale utente

Belt
Sander
MODEL
9031
Belt size
Belt
speed
INSTRUCTION MANUAL
Overall
length
Net
weight
S
PECl
FI
CAT1
0
N
S
200
m
-
1,000
m
(656
ft.
~
3,280
ft,)/m~n.
30
mm
x
533
mm
(1.3116"
x
21") 380
mm
(14-31/32") 2.1 kg (4.6
Ibs)
*
Manufacturer reserves the right to change specifications without notice.
*
Note: Specifications may differ from country to country.
WARNING: For your personal safety, READ and UNDERSTAND before using.
SAVE THESE INSTRUCTIONS FOR FUTURE REFERENCE.

I
M
PORTANT
SAFETY
INSTRUCTIONS
(For
All Tools)
WARNING:
WHEN USINGELECTRICTOOLS, BASICSAFETY
PRECAUTIONSSHOULDALWAYS
BE
FOLLOWEDTO REDUCE
THE
RISK
OF
FIRE, ELECTRIC SHOCK, AND PERSONAL
INJURY, INCLUDING THE FOLLOWING:
READ ALL INSTRUCTIONS.
1.
KEEP WORK AREA CLEAN. Cluttered areas and benches invite injuries.
2.
CONSIDER WORK AREA ENVIRONMENT. Don't use power tools
in
damp
or wet locations. Keep work area well
lit.
Don't expose power tools torain.
Don't use tool
in
presence of flammable liquids or gases.
3.
KEEP CHILDREN AWAY. All visitors should be kept away from work area.
Don't let visitors contact tool or extension cord.
4.
STORE IDLETOOLS. When not inuse, tools should bestored
in
dry, andhigh
or locked-up place
-
out of reach of children.
5.
DON'T FORCETOOL.
It
willdothejob better and safer atthe ratefor which
it
was intended.
6.
USE RIGHT TOOL. Don't force small tool or attachment to do thejob of a
heavy-duty tool. Don't usetoolfor purpose notintended; for example, don't
use circular saw for cutting tree limbs or logs.
7.
DRESS PROPERLY. Don't wear looseclothing orjewelry. They can becaught
in
moving parts. Rubber gloves and non-skid footwear are recommended
when workingoutdoors. Wear protective hair covering tocontain long hair.
8.
USE SAFETY GLASSES. Also use face or dust mask
if
cuttingoperation is
dusty.
9.
DON'T ABUSE CORD. Nevercarry tool by cord or yank
it
todisconnect from
receptacle. Keep cord from heat, oil, and sharp edges.
IO.
SECURE WORK. Use clamps or a vise to hold work. It's safer than using
your hand and
it
frees both hands to operate tool.
11.
DON'T OVERREACH. Keep proper footing and balance at all times.
12.
MAINTAIN TOOLS WITH CARE. Keep tools sharp and clean for better and
safer performance. Follow instructions for lubricating and changing acces-
sories. Inspecttoolcords periodicallyand
if
damaged, haverepairedby autho-
rized service facility. Inspect extension cords periodically and replace if
damaged. Keep handles dry, clean, and free from oil and grease.
13.
DISCONNECTTOOLS. When not
in
use, before servicing, and when chang-
ing
accessories, such as blades, bits, cutters.

14.
REMOVE ADJUSTING KEYS AND WRENCHES. Form habit of checking to
see that keysand adjusting wrenches are removed from toolbefore turning
it
on.
15.
AVOID UNINTENTIONALSTARTING. Don't carry toolwithfinger onswitch.
Be sure switch is OFF when plugging
in.
16. EXTENSIONCORDS. Make sure your extension cord is
in
good condition.
When using an extension cord, be sure to use one heavy enough to carry
the
current your product will draw. An undersized cord will cause a drop
in
linevoltage resulting
in
loss
of power and overheating. Table
1
shows the
correct size touse depending on cord length and nameplate ampere rating.
If in doubt, use the next heavier gage. The smaller the gage number, the
heavier the cord.
TABLE
1
MINIMUM
GAGE
FOR
CORD SETS
0-
6
6
-
10
10
~
12
12
-
16
I
Total Length
of
Cord in Feet
18 16 14
16 16 14 12
14 12
Not Recommended
18 16
;:
1
12
I
0-25
I
26
-
50
I
51
-
100
I
101
-
150
Ampere Rating
More Not More
Than Than AWG
17. OUTDOOR USE EXTENSIONCORDS. When tool is used outdoors, use only
extension cords intended for use outdoors and
so
marked.
18. STAY ALERT. Watch what you are doing, use common sense. Don't operate
tool when you are tired.
19.
CHECK DAMAGED PARTS. Before further use of the tool, a guard or other
part that is damaged should be carefully checked to determine that
it
will
operate properly and perform itsintended function. Check for alignment of
moving parts, bindingof moving parts, breakageof parts, mounting, and any
other conditions that may affect its operation. A guard or other part that
is damaged should be properly repaired or replaced by an authorized serv-
ice center unless otherwise indicated elsewhere inthis instructionmanual.
Have defective switches replaced by authorized service center. Don't use
tool if switch does not turn
it
on and off.
20.
GUARDAGAINST ELECTRIC SHOCK. Prevent body contact with grounded
surfaces. For example; pipes, radiators, ranges, refrigerator enclosures.
21. REPLACEMENTPARTS.When servicing, useonly identicalreplacementparts.
22.
POLARIZEDPLUGS. To reduce the risk of electric shock, this equipment has
a polarized plug (one blade is wider than the other). This plug will
fit
in a
polarized outlet only one way.
If
the plug does not
fit
fully in the outlet,
reversethe plug. If
it
still does notfit, contact a qualified electrician toinstall
the proper outlet. Do not change the plug in any way.
3

VOLTAGE WARNING: Before connecting the tooltoa power source (receptacle,
outlet, etc.) be sure the voltage supplied is the same as that specified on the
nameplate of the tool. A power source with voltage greater than that specified
for the tool can result
in
SERIOUS INJURY tothe user
-
as well as damage to
the tool. If
in
doubt,
DO
NOT PLUG
IN
THE TOOL. Using a power source with
voltage less than the nameplate rating is harmful to the motor.
ADDITIONAL SAFETY RULES
1.
Hold the tool firmly with both hands.
2.
Makesurethe beltisnotcontacting theworkpiece beforetheswitchisturned
3.
Keep hands away from rotating parts.
4.
Do
not leave the tool running. Operate the tool only when hand-held.
5.
This tool has not been waterproofed,
so
do not use water onthe workpiece
on.
surface.
SAVE THESE INSTRUCTIONS.
4

Installing the side grip
For your own safety, always use the side
grip. Install
it
by screwing
it
firmly on the
grip holder. The side grip can be pivoted
for easy operation.
See
the figure
at
right.
Side grip
can
pivoted
-
Side grip
Grip holder
Installing or removingthe abrasive belt
CAUTION
:
Always be sure that the tool
is
switched off and unplugged before installing or removing
the belt.
Loop the belt over the front pulley. Hold
the tool
as
shown
at
right and press down
to
retract the front pulley
so
that
you
can
slip the other end of the belt over the rear
pulley. When pressing down the tool, be
careful not to allow the front pulley to
turn unexpectedly, causing you to lose
control of the tool.
NOTE
:
The arrow on the inside of the belt and
that marked on the rear pulley must point
in the same direction.
Arrow
-,
5

Switch action
CAUTION
:
Before plugging in the tool, always check to
see
that the switch trigger actuates properly
and returns to the
"OFF"
position when released. If itdoes not operate properly, do not
use the tool. Have
it
repaired immediately.
To start the tool, simply pull the trigger.
Release
the trigger to stop.
For
continuous
operation, pull the trigger and then push in
the lock button. To stop the tool from the
locked position, pull the trigger fully, then
release
it.
Speed adjusting dial
The belt running speed can be adjusted and
maintained between
200
m
(656
ft.) and
1,000
m
(3,280
ft.) per minute by turning
the adjusting dial. The dial
is
marked
1
(lowest speed) to
6
(fullspeed).
Lock
button
Speed adjusting dial
I
CAUTION
:
Adjust the speed adjusting dial only within the range of numbers
1
through
6.
Do
not
force the dial beyond this range or damage tothe tool may result.
Operation
Hold the tool firmly with both hands. Turn the tool on and wait until
it
attains your de-
sired speed. Gently apply the tool to the workpiece surface and move the tool forward
and back. Press the belt only lightly on the workpiece. Excessive pressure may damage
the belt and shorten tool life.
CAUTION
:
0
Secure the workpiece with clamps, etc. if there
is
any possibility of
it
moving during the
work operations.
0
The tool should not already be in contact with the workpiece surfacewhen you turn the
tool on or off, Otherwise
a
poor sanding finish, damage to the belt of
loss
of control
of the tool may result.
0
When working with the tool, be very careful to avoid any contact of the tool and belt
with any part of your body or anyone or anything near you.
6

Dust
extraction
Open the nozzle cap. Connect the hose of
a
vacuum cleaner/dust collector to the nozzle.
Nozzle
cap
Vacuum cleaner
CAUTION
:
Always close the nozzle cap when the hose of
a
vacuum cleaner/dust collector
is
not
connected to the nozzle. Never insert your finger into the nozzle.
7

MAINTENANCE
CAUTION
:
Always
be
sure
that
the tool
is
switched off and unpluggedbefore attempting toperform
inspection or maintenance.
Replacing carbon brushes
3
Remove and check the carbon brushes
regularly. Replace when they wear down
to the limit mark. Keep the carbon brushes
clean and free to slip in the holders. Both
carbon brushes should be replaced
at
the
Limit
mark
same time. Use
only
identical carbon
brushes.
Use
a
screwdriver to remove the brush
holder
caps.
Take out the worn carbon
brushes, insert the new ones and secure the
brush holder caps.
I
\
Brush
holder
cap
L
Screwdriver
'To maintain product SAFETY and RELIABILITY, repairs, nay other maintenance or
adjustment should be performed by Makita Authorized or Factory Service Centers,
always using Makita replacement parts.
8

ACCESSORIES
CAUTION
:
These accessories
or
attachments are recommended for use with your Makita tool specified in this
manual. The
use
of any other accessories or attachments might present
a
risk of injury to persons.The
accessories
or
attachments should
be
used only in the proper and intended manner.
Part
No.
0
Abrasive
belt
(10
per pkg) Grit
742302-5
742301.7
I
40
60
742303-3
80
742305-9
I
120
742304-
1
742334-2
I
150
100
9

June-01
-'95
US
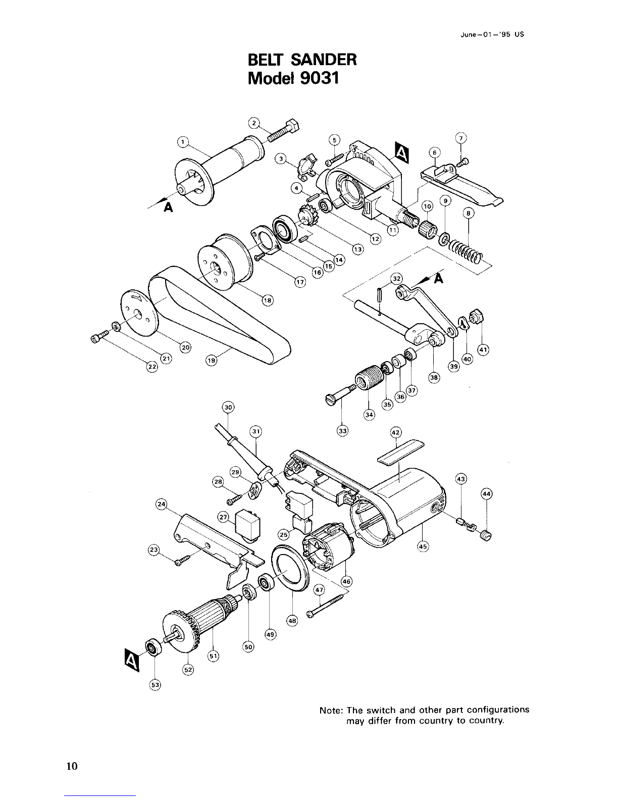
BELT
SANDER
Model
9031
Note: The switch and other part configurations
may differ from country
to
country.
10
Altri manuali per 9031
19
Indice
Altri manuali Makita Levigatrice

Makita
Makita M9204 Manuale utente

Makita
Makita 9903 Guida rapida

Makita
Makita BO5030 Manuale utente

Makita
Makita 9741 Manuale utente

Makita
Makita 9741 Manuale utente

Makita
Makita BO6030 Manuale utente

Makita
Makita PW5001C Guida rapida

Makita
Makita 9903J Manuale utente

Makita
Makita DBO380 Manuale utente

Makita
Makita 9031 Manuale utente

Makita
Makita GV5010 Manuale utente

Makita
Makita 9031 Manuale utente

Makita
Makita GA7910 Manuale utente

Makita
Makita 9218PB Manuale utente

Makita
Makita BO5031K Manuale utente

Makita
Makita M9204 Manuale utente

Makita
Makita BO4510H Manuale utente

Makita
Makita 9741 Manuale utente

Makita
Makita 9403 Guida rapida

Makita
Makita 9741 Manuale utente





















