
4
OPERATION
DTMF Dialing: Press the desired sequence on the 12-digit keypad. When the first digit is pressed the TTE-7 will
assert the PTT Output and generate the tones out the HI Z or LO Z output. The PTT Output will be held for
approximately 2 seconds. The TTE-7 will generate the DTMF tones for as long as a button is pressed.
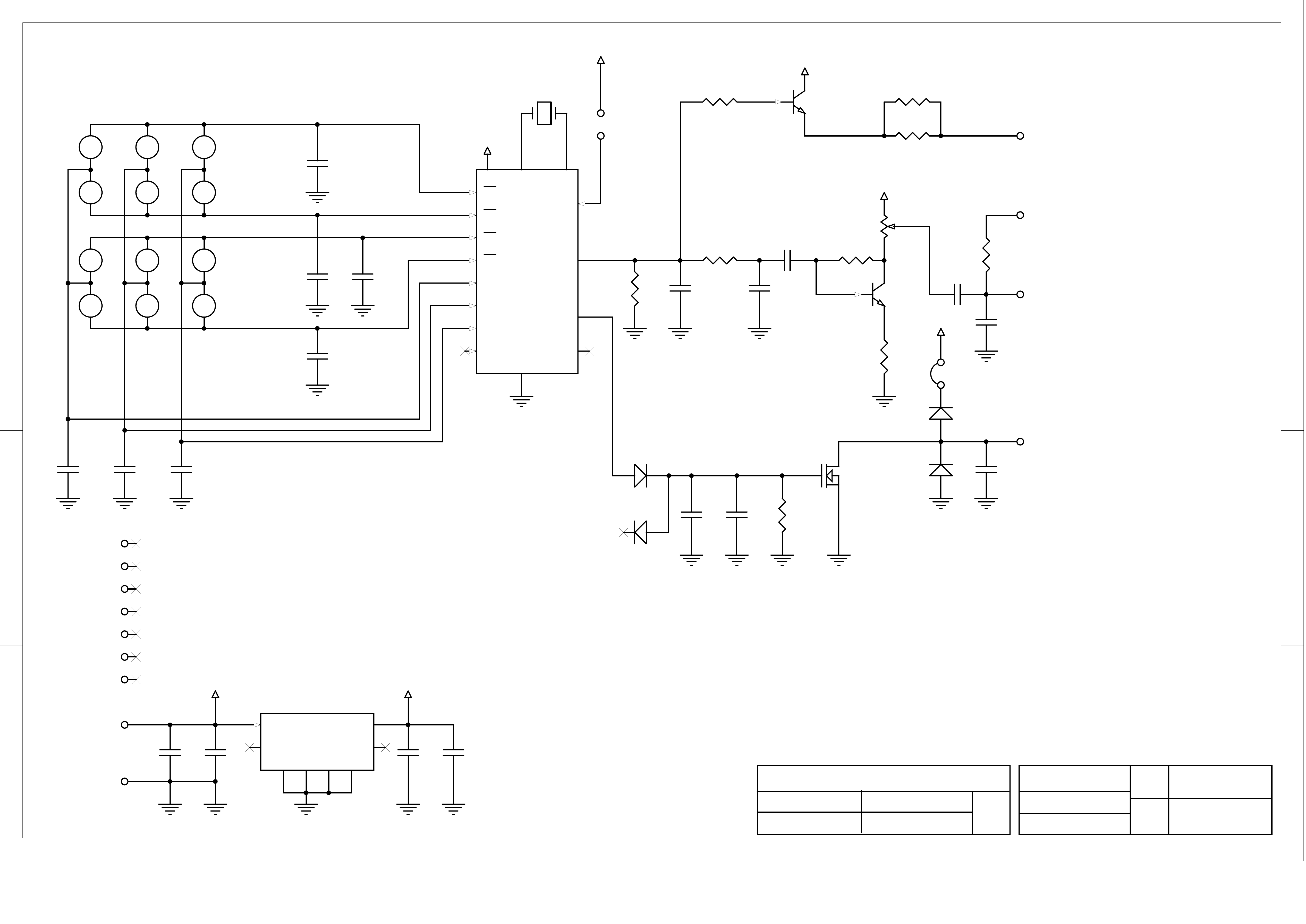
THEORY OF OPERATION
The keyboard provides a short between a column and a row on IC U1. This sets the internal Divide by N Counter,
so that the proper high & low tone groups are generated.
The synthesized high and low group tones are output on Pin 16 of U1 and are fed through low pass filter R5 C13
to amplifier Q2 and modulation level pot RP1. Audio is also fed from Pin 16 to the base of the side tone transistor
Q1. Q1 is an emitter follower, whose ground is completed through the radio speaker via the Blue lead. Resistors
R2 and R3 can be lowered to increase the level in the speaker. Use caution if the current gets too high, it can
burn up the resistor R2, R3 or Q1.
The high tones are pre-emphasized 3dB over the low tones. This is an internal feature of U1. Pre-emphasis
helps to compensate for high frequency roll off, which occurs on the phone lines and in some audio circuits. Any
high frequency components generated by the digital to analog conversion process in U1 are filtered out by the low
pass filter R5 and C13. The value of C13 can also be changed to roll off the twist that is built into U1.
Transmit audio is output on the Green lead and is normally connected to the high impedance port. The low
impedance output on the brown lead can be used in applications where direct connection to a low impedance
circuit is necessary.
Depressing any key causes pin 10 of U1 to go high, which in turn forward biases Q3. The automatic Push-To-
Talk circuit consists of D1, C15, C16, R10, and Q3. The time constant of C15, C16 and R10 produces a PTT
output for approximately 2 seconds.
The TTE-7 input voltage is regulated at +5 volts by VR1. VR1 will work from a low of 6.5 volts to 24 volts.
TECHNICAL NOTES
Radio Compatibility: Midian has taken the utmost care to ensure the option board integrates into the radio with
minimal impact to the features of the radio. However, some features may not be available in the radio when an
option board is used. If a feature is not available, please contact Midian to see if the feature can be added.
MIDIAN CONTACT INFORMATION
Midian Electronics Inc.
2302 East 22nd Street
Tucson, Arizona 85713 USA
Orders: 1-800-MIDIANS
Phone: 520-884-7981
Fax: 520-884-0422
E-mail: sales@midians.com
Web: www.midians.com