19
IB
r
[DEVICE
AVAil)
INHI
NO
READ
TP-I\--\-t1s~:r--a-k,\V
[IVi
0
3V
I'fI I
INH4
5V
-b..J=iJ=..
\~r~)
ov
JU U
=.=I13V
-
17V
-(IV
,I I
IN84
3V
!
i"
••
FBl40V
- -
t~::--~,.J.--
(ON)
:
f--
:
:-:
5V
II I I I
INHe
OV
ftAf=-
f
l3V
-
11V
-11V
--.1.
IRllE
QIBASE
nnll-~'-4V
01
COll£CTDR
~"]
6V
H)-i)-i
02
COllECTOR
ir; r :
t~
6V
Tfl
ruu-L-=:J
16V
11
14
HEAD
ENGAGE
(,HOWN
IN
DISENGAGE
POSITION)
'-------------;.
VSS
CASSETTE
SWITCH
WIRING
r-------------~
BITT-
INTERN
RElD-
__
WRITE
I0
~
• )
WRITE
PERM
53
INHRN
o • )
WRITE
EN
'WE
PERMISSON
INtiZ
= .
002V
NC
V
NOT-
INHRN
II
READ
~l
'Rm
1..
C>--~
720
I
H-
--'O'-'V_.o--~)
INTERRUPT
EN
110)
fBl 4
~4,-,I,-,-V
,.
RHO
ClOe!
11/01
INTI
~-:~--"""----3.2-V"'(O"'ff""J~
READ
DATA
All/D)
-OAVlON)
1m
CASSETTE
KEY
BOARD
11
(110)
BATT
H
(1/01
veG
-12V
CII
23
(1
/01
VDO
_001
VDD
Cl
-3V
25
,110)
VSs
I
111
VSS
,I/OJ
VSS2
+
CI
CID
3V
-1
111
1.
00
'1
)
CND
(I/01GND
I :
GNO
2 .
I(
C>
~
51
VJ
0
C>
=
oC
oC
oC
%
........
X X
~
~~
'"
'" '"
4J
II
/1
N55sev
~l
5101\.
(1
10
J
IDATA
401
01
2SA
120
11
RI
fBHl
47V
1~!
IllOli
DATi
41)
02
2SA
72a
~!
84
13
3M
fBHI
IRIT
PERM
OV
10
(1/0i
lOAf
A
BOI
4.7V
fBH8
fBH4
II
1
1
10)
IDATA
BI~;::==~4~7~V
=----"t::::;)~~+~~
BIW
HEAD
B
SHiElD
-(-----~
RIW
HEAD
B
SHiElD
-E'(C'-----------------'
RII
HEAD
B
SHlllD
«0----------
_~----J
/.::>.-
...... """"
__
'---_-1-
-'
(1/0)
(CASSETH
MOTI
+-
---"4"-lV~
07
2SA
720'-
"--J-.l!L-=-.------'~__.~
MOTH
"o('----------=--!-----+'*-
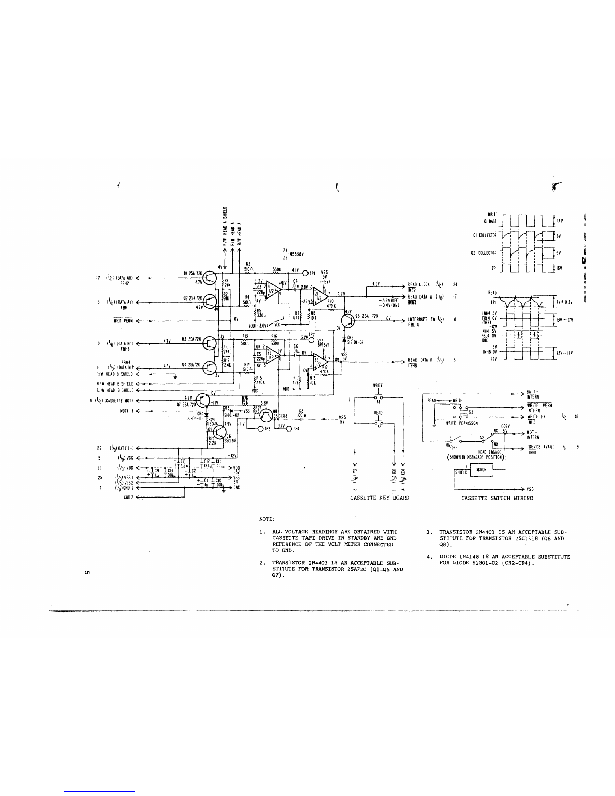
NOTE:
1.
ALL
VOLTAGE
READINGS
ARE
OBTAINED
WITH
CASSETTE
TAPE
DRIVE
IN
STANDBY
AND
GND
REFERENCE
OF
THE
VOLT
METER
CONNECTED
TO
GND.
2.
TRANSISTOR
2N4403
IS
AN
ACCEPTABLE
SUB-
STITUTE
FOR
TRANSISTOR
2SA720
(QI-Q5
AND
Q7).
3.
TRANSISTOR
2N4401
:S
AN
ACCEPTABLE
SUB.
STITUTE
fOR
TRANSI~IOR
2SC1318 (06
AND
Q8) •
4.
DIODE
1N4148
IS
AN
ACCEPTABLE
SUBSTITUTE
FOR
DIODE
51BOI-02 (CR2-CR4).