
9. PARTS LIST
CEU/Power Supply Site Requirements
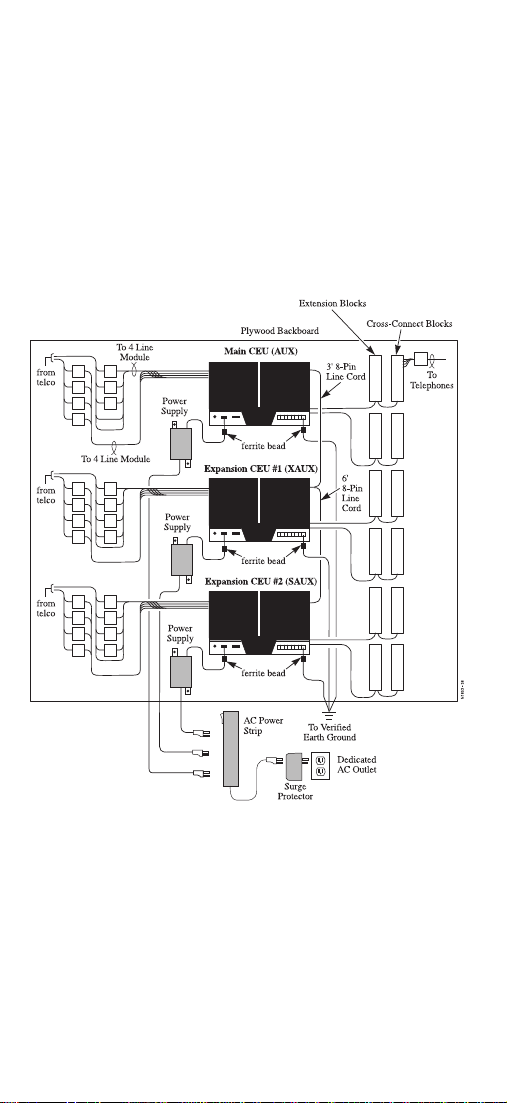
Choose a central site for the MDF plywood backboard, with-
in 7’ of a dedicated AC outlet and 25’ of earth ground.
Allow space for multiple CEU’s and power supplies. CEU’s
must be located within 3’ of each other. Power supplies
must be located within 6’ of the CEU and within 6’ of a
dedicated AC outlet. See Figure 1.
Allow space for telco and station connectors, all ancillary
equipment (ie; BGM/MOH source, voice mail, external pag-
ing equipment), and expansion. Refer to Nitsuko’s Standard
Practices Manual (P/N N2710STD01) for general environ-
ment and site specifications.
Mounting the CEU
1. Locate CEU mounting screws. Drill holes (2) in
backboard using a 1/8” drill bit. Refer to mounting
dimensions in Figure 2 (or use template, if installed).
2. Install CEU mounting screws (2) in holes. See Figure 2.
Use screw gauges to set proper screw depth.
(Screws & gauges are in plastic packet).
3. Hang CEU on mounting screws.
4. Drill lower CEU screw hole using a 1/8” drill bit.
See Figure 2. Install and tighten screw.
5. Ground each CEU using #12 AWG (or larger)
ground wire to earth ground.
FIGURE 1
Description Part Number
Other Station Equipment
DSS Console (Taupe) ................................................................................................88655
DSS Console (Graphite).............................................................................................88675
Digital Door Box..........................................................................................................88545
Relay Box ...................................................................................................................88546
ASI - Analog Station Interface (single port w/DTMF receiver)....................................88749
Dual Port ASI (dual port w/DTMF receivers) ..............................................................88750
Wall Mount Kit (Taupe)...............................................................................................88679
Wall Mount Kit (Dark Gray).........................................................................................88779
Wall Mount Hanger.....................................................................................................88680
Data Products
Data Module ...............................................................................................................88400
Dataport PCB .............................................................................................................88460
Modem Pooling PCB ..................................................................................................88465
Mini Data Unit.............................................................................................................89408
Mini Data Unit Power Supply......................................................................................89409
DCE-DCE Adaptor......................................................................................................89079
Replacement Parts
K1 Handset (Taupe)...................................................................................................88685
K1H Handset (Dark Gray) ..........................................................................................88775
Handset Cord (6 foot)..............................................................................................88685-6
Handset Cord (9 foot)..............................................................................................88685-9
Handset Cord (13 foot)..........................................................................................88685-13
Line Cord (7 foot) ....................................................................................................88686-7
Line Cord (14 foot) ................................................................................................88686-14
Line Cord (25 foot) ................................................................................................88686-25
8-conductor 6' cable (AUX-SAUX w/2CEU's or SAUX-XAUX w/3 CEU's).................88587
8-conductor 3' cable (AUX-XAUX w/3 CEU's)............................................................88588
Installation Equipment
Plywood Backboard1
66M1-50 connecting block(s)1
25-pair cable(s)1
22/24 AWG 4-conductor twisted-pair station cable1
Cross-connect wire1
Bridging clips1
Modular jack (1 per station)1
Modular line cords (1 per CO line)1
Ground wire (1 per CEU)1
RJ11C Telco interface (1 per CO line)1
AC surge protector (1 per CEU)1
1Item not supplied by Nitsuko America.