
2
KX-NS0154
TABLE OF CONTENTS
PAGE PAGE
1 Safety Precautions -----------------------------------------------3
1.1. For Service Technicians ----------------------------------3
1.2. Caution--------------------------------------------------------3
2Warning--------------------------------------------------------------3
2.1. About Lead Free Solder (PbF: Pb free) --------------3
2.1.1. Suggested PbF Solder -------------------------------4
2.2. Discarding of P. C. Board --------------------------------4
3 Specifications ------------------------------------------------------5
4 Technical Descriptions------------------------------------------6
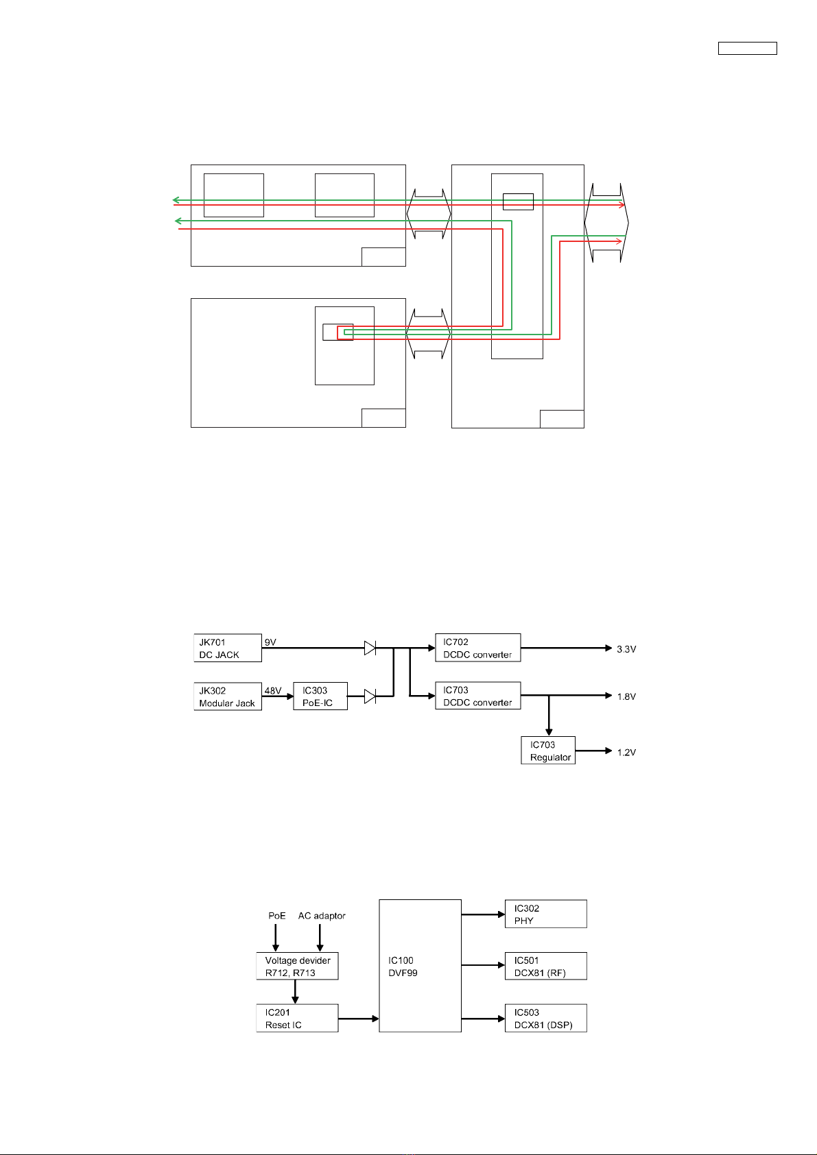
4.1. Block Diagram ----------------------------------------------6
4.2. Main Processer ---------------------------------------------7
4.3. Power Supply Circuit -------------------------------------7
4.4. Reset circuit -------------------------------------------------7
4.5. Clock Circuit -------------------------------------------------8
4.5.1. System Clock ------------------------------------------8
4.5.2. PLLIC-----------------------------------------------------8
4.6. Memory Access Circuit -----------------------------------8
4.6.1. IC100 -----------------------------------------------------8
4.6.2. IC501 and IC503 --------------------------------------8
4.7. Ethernet Circuit ---------------------------------------------8
4.8. RF Circuit-----------------------------------------------------9
4.9. LED Circuit---------------------------------------------------9
5 Location of Controls and Components------------------ 10
5.1. Names and Locations-----------------------------------10
6 Installation Instructions--------------------------------------- 10
7 Firmware update ------------------------------------------------ 11
7.1. Firmware update ----------------------------------------- 11
8 Service Mode----------------------------------------------------- 12
8.1. How to Change MAC Address Label---------------- 12
8.1.1. Replacing Main P.C.B. ----------------------------- 12
8.1.2. Attaching MAC Address Label ------------------- 12
9 Troubleshooting Guide---------------------------------------- 13
9.1. No Power--------------------------------------------------- 13
9.2. No Operation ---------------------------------------------- 14
9.3. System Check--------------------------------------------- 17
10 Disassembly and Assembly Instructions--------------- 18
10.1. Disassembly Instructions------------------------------- 18
11 Measurements and Adjustments -------------------------- 19
11.1. USB Test Mode -------------------------------------------19
11.1.1. How to Install the Application for Test
Mode---------------------------------------------------- 19
11.2. Clock Adjustment----------------------------------------- 22
12 Miscellaneous---------------------------------------------------- 23
12.1. Terminal guide of ICs, Transistors and Diodes --- 23
12.2. How To Replace a Flat Package IC ----------------- 24
12.2.1. Preparation-------------------------------------------- 24
12.2.2. Removal Procedure--------------------------------- 24
12.2.3. Procedure --------------------------------------------- 24
12.2.4. Removing Solder From Between Pins --------- 24
12.3. How to Replace the LLP (Leadless Leadframe
Package) IC and IC ground plate -------------------- 25
12.3.1. Preparation-------------------------------------------- 25
12.3.2. Caution------------------------------------------------- 25
12.3.3. How to Remove the IC----------------------------- 25
12.3.4. How to Install the IC -------------------------------- 25
12.3.5. How to Remove a Solder Bridge (Doesn't
apply to IC ground plate.) ------------------------- 26
13 Schematic Diagram--------------------------------------------- 27
13.1. Main Board ------------------------------------------------ 27
13.1.1. No.1 ---------------------------------------------------- 27
13.1.2. No.2 ---------------------------------------------------- 28
13.1.3. No.3 ---------------------------------------------------- 29
13.1.4. No.4 ---------------------------------------------------- 30
13.1.5. No.5 ---------------------------------------------------- 31
13.2. Waveform-------------------------------------------------- 32
13.2.1. No.(1)-(7)---------------------------------------------- 32
13.2.2. No.(8)-(15) -------------------------------------------- 33
13.2.3. No. (16)-(18) ----------------------------------------- 34
14 Printed Circuit Board------------------------------------------ 35
14.1. Component View----------------------------------------- 35
14.2. Bottom View----------------------------------------------- 36
15 Appendix Information of Schematic Diagram -------- 37
16 Exploded View and Replacement Parts List----------- 38
16.1. IC Data ----------------------------------------------------- 38
16.1.1. IC100 (DVF99) -------------------------------------- 38
16.1.2. IC101 (DDR2)---------------------------------------- 44
16.1.3. IC102 (NAND Flash Memory) ------------------- 46
16.1.4. IC302 (PHY)------------------------------------------ 47
16.1.5. IC501 (DCX81 (RF & DSP)) --------------------- 48
16.1.6. IC502 (Serial Flash Memory) -------------------- 50
16.1.7. IC503 (DCX81 (DSP)) ----------------------------- 51
16.1.8. IC504 (Serial Flas Memory) ---------------------- 53
16.2. Cabinet and Electrical Parts Location -------------- 54
16.3. Accessories and Packing Material ------------------ 55
16.4. Replacement Parts List -------------------------------- 56
16.4.1. Cabinet and Electrical Parts---------------------- 56
16.4.2. Accessory and Packing Materials -------------- 56
16.4.3. Main Boards Parts ---------------------------------- 56
17 Appendix ---------------------------------------------------------- 61