
Autonomy from power on on the display of the
flashing low battery symbol:
Battery model autonomy:
about 1 month
timed to 5 sec. from the last pressure on the touch screen (battery
model) timed to 5 sec. from the last press on the touch screen or fixed (230V ~
model) class A 4 kV 1 / B / Electronic relay with NO / COM / NC potential free
changeover contact max 5 (3) A / 250V ~ 2 conductors (only 230V ~ power
supply model) 2 or 3 conductors for potential-free NO contact 1.5 mm ÷ 2.5 mm
COMFORT / REDUCTION (saving) / ANTIFREEZE (OFF) 0 ÷ + 37.7 ° C 0.1 ° C
TECHNICAL DATA
TECHNICAL DATA
Output Type:
2
Alkaline
type AA (LR6)
model at mains voltage 230V ~ 50 ÷ 60Hz about 2 years
Type of action, disconnection and device:
3
battery-powered model 2 x 1,5V stylus batteries
Rated impulse voltage:
ErP Class I; 1% (Reg. EU 811/2013) 1
° K / 15 min IP 30 II normal 0 ° C ÷ +
45 ° C -10 ° C ÷ + 60 ° C LVD - EMC
EN60730-1 EN60730-2-9
Supply voltage:
Software:
settable from 0.2 ° C to 1.2 ° C (default 0.5 ° C)
settable from 7 to 20 minutes (default 10 minutes)
1 - TECHNICAL DATA
Display backlight:
+ 5 ° C ÷ + 37.0 ° C (limitable)
0.1 ° C ± 0.5 ° C adjustable -2
° C ÷ + 2 ° C (default 0.0 ° C)
+ 4 ° C ÷ + 12 ° C (adjustable or excludable
set) (default 4 ° C)
TECHNICAL DATA
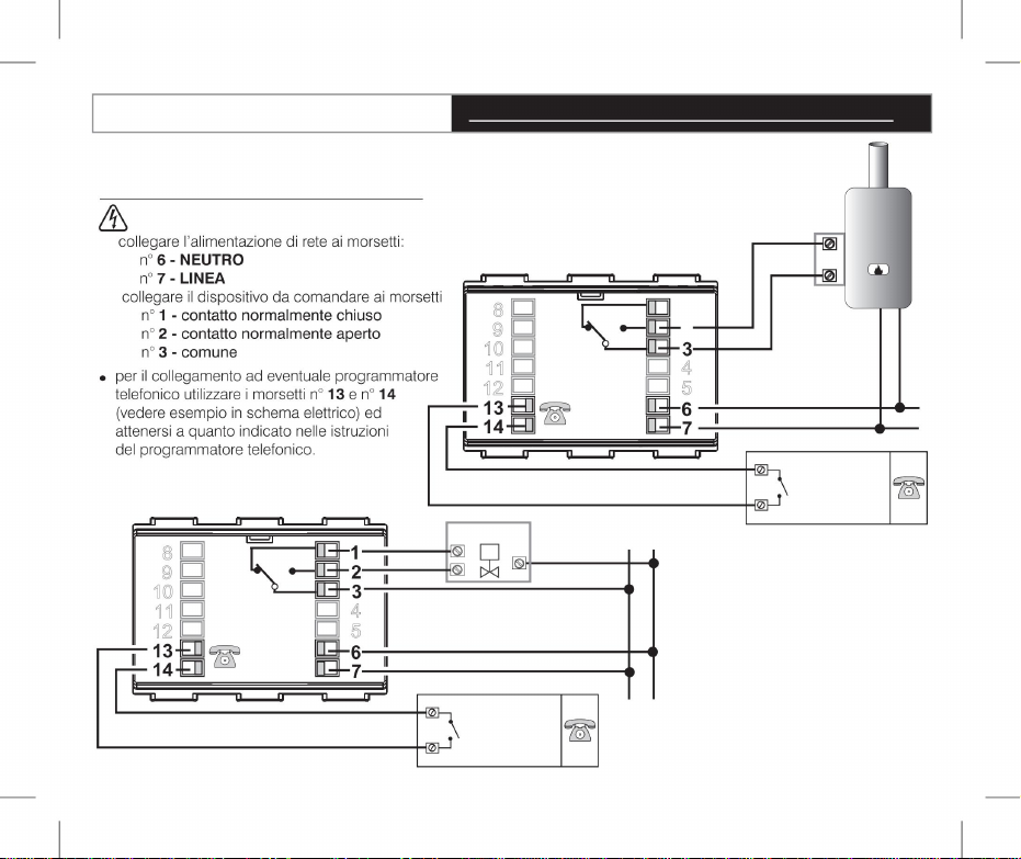
Mains power connection: User
connection (load): Input for connection
to program. Telephone: Cable section at the terminals:
Settable temperature levels: Room temperature display
range: Room temperature resolution: Adjustment range
T COMFORT and REDUCTION temperature set: Set
temperature resolution: Tolerance on temperature
reading: Room temperature reading correction (Offset ):
Antifreeze temperature: Type of temperature regulation:
- ON / OFF with thermal differential - Modulating
proportional with ErP control period Energy
classification: Thermal gradient: Degree of protection:
Insulation class: Pollution degree: Operating
temperature limits: Operating temperature limits
storage: Reference standards for CE markings:
2
Machine Translated by Google