
2
Table of Contents
Introduction ............................................................................1
1. Safety Certications ....................................................... 2
2. Specications .................................................................2
3. Operation ........................................................................2
3.1 Transporting ..............................................................2
3.2 Electrical Requirements ...........................................3
3.3 Condensate Removal ............................................... 3
3.4 Ducting ......................................................................3
3.5 Defrost Cycle .............................................................3
3.6 Power Button ............................................................3
3.7 Purge Button .............................................................3
3.8 Hour Meter ................................................................3
3.9 Hours Button ............................................................ 3
3.10 Defrost Light ...........................................................3
4. Maintenance ...................................................................4
4.1 Air Filter .....................................................................4
4.2 Storage ......................................................................4
5. Service ............................................................................. 4
5.1 Technical Description ............................................... 4
5.2 Troubleshooting ........................................................ 5
5.3 Air Mover ...................................................................6
5.4 Thermistor .................................................................6
5.5 Condensate Pump .................................................... 6
5.6 Float Safety Switch ................................................... 6
6. Options & Accessories ................................................... 6
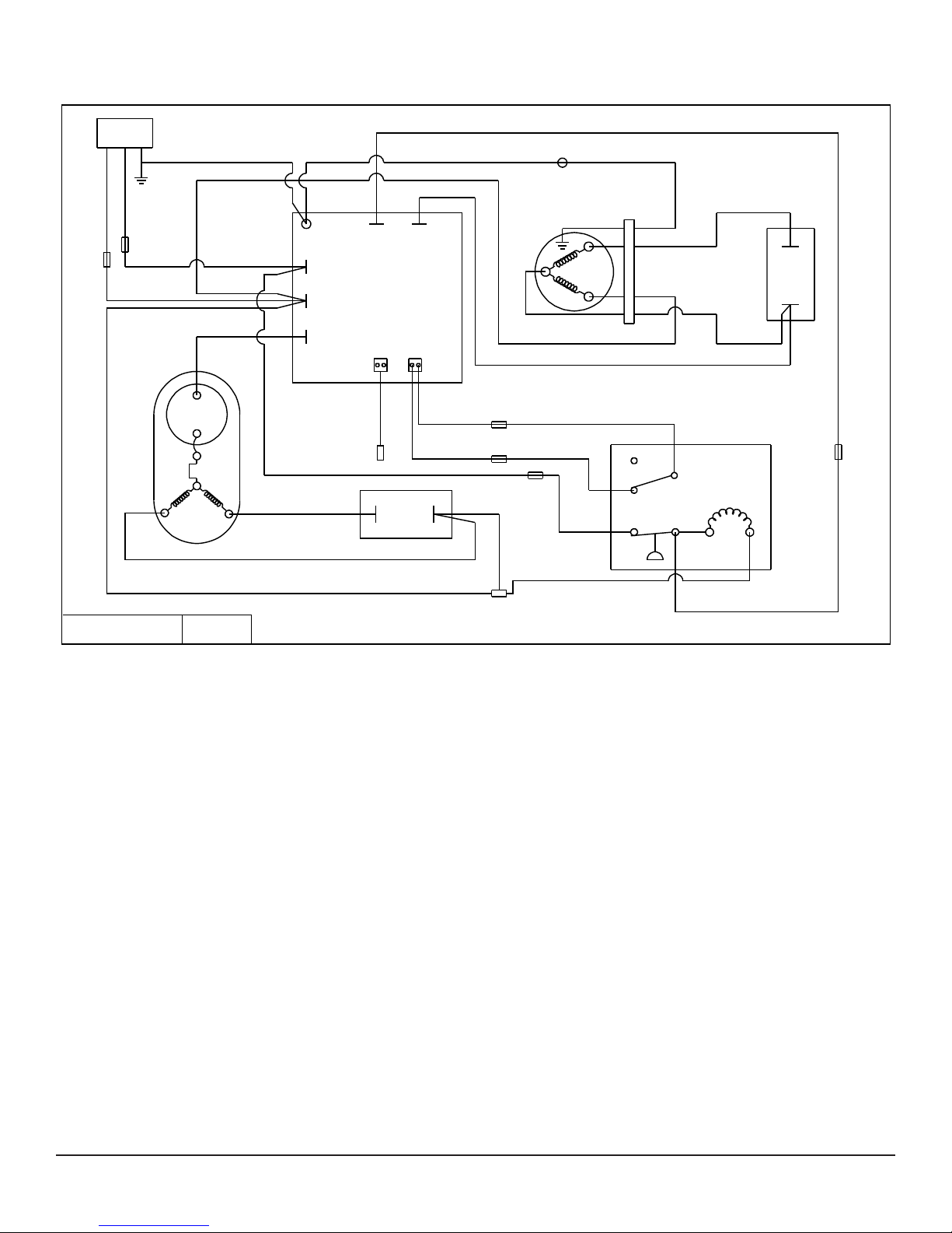
7. Wiring Diagram ..............................................................7
8. Service Parts ...................................................................8
Warranty .......................................................................... 9
1 Safety Certifications
The Phoenix R125 conforms to standards ANSI/UL 474 and
CSA C22.2 No.92.
2 Specifications
Part No. 4032350
Power 5.0 amps, 110-120 VAC, Grounded
Water 65 pints/day @ AHAM (80°F, 60%)
Removal 16 gal/day maximum @ saturation
Process Air 170 CFM without external ducting
Refrigerant 1 lb, 2 oz. R410a
Charge
Operating 33°F to 100°F
Range
Filter 12” x 12” x 1” Pleated Media MERV-8
Duct
Options Exhaust – 10” Lay-Flat
Warranty Five years;
1st year 100% of Parts and Labor
2nd-5th year 100% of Parts of sealed
refrigeration system.
Size 30” high x 20” wide x 17” deep
Weight 79 lbs
3 Operation
Place dehumidier inside structure,
place condensate hose into a drain, or
a very large container, and turn on. To
decrease drying times, make sure all
windows and doors are closed to the
outside and seal off the wet area from
any unaffected areas.
3.1 Transporting
The Phoenix R125 features a high-impact roto-molded hous-
ing which protects the unit while loading into vehicles. The
unit was designed to stack 2 units high. For sturdy stack-
ing, keep the rotating handle in the upright position on the
bottom unit, place rotating handle in the down position and
“nest” the wheels of the top unit in the indentions of the bot-
tom unit to provide stability. This is recommended for storage
only. The units should be properly secured for transport. The
Phoenix R125 must always be upright when transported by
vehicle. It may be tipped onto its handle and back for loading
and moving by hand.
Read the operation and maintenance instructions
carefully before using this unit. Proper adherence to these
instructions is essential to obtain maximum benet from
your Phoenix R125 dehumidier.
• It is designed to be used INDOORS ONLY.
• If used in a wet area, plug it into a GROUND FAULT
INTERRUPTER.
• DO NOT use the Phoenix R125 as a bench or table.
• It must always be used in the upright position.
Stacked Phoenix R125