
537-528revC-EN Printed in USA 2/06 © 2006
T
TOASTER
OASTER
TX-230EBKCE
TX-230EBKCE
Operation
Operation
Manual
Manual
355 East Kehoe Blvd. • Carol Stream, IL 60188
Phone: 630-462-8800 • Toll Free: 1-800-PCASTLE
Fax: 630-462-1460 • www.princecastle.com
TABLE OF CONTENTS
Safety Information . . . . . . . . . . . . . . . . . . . . . . . . . . . . .2
Electrical Specifications . . . . . . . . . . . . . . . . . . . . . . . . .2
Product Identification . . . . . . . . . . . . . . . . . . . . . . . . . . .2
Installation . . . . . . . . . . . . . . . . . . . . . . . . . . . . . . . . . . .2
Operation . . . . . . . . . . . . . . . . . . . . . . . . . . . . . . . . . . . .3
Daily Cleaning . . . . . . . . . . . . . . . . . . . . . . . . . . . . . . . .4
Programming . . . . . . . . . . . . . . . . . . . . . . . . . . . . . . . . .6
Troubleshooting . . . . . . . . . . . . . . . . . . . . . . . . . . . . . . .7
Parts List and Exploded View . . . . . . . . . . . . . . . . . . .8-9
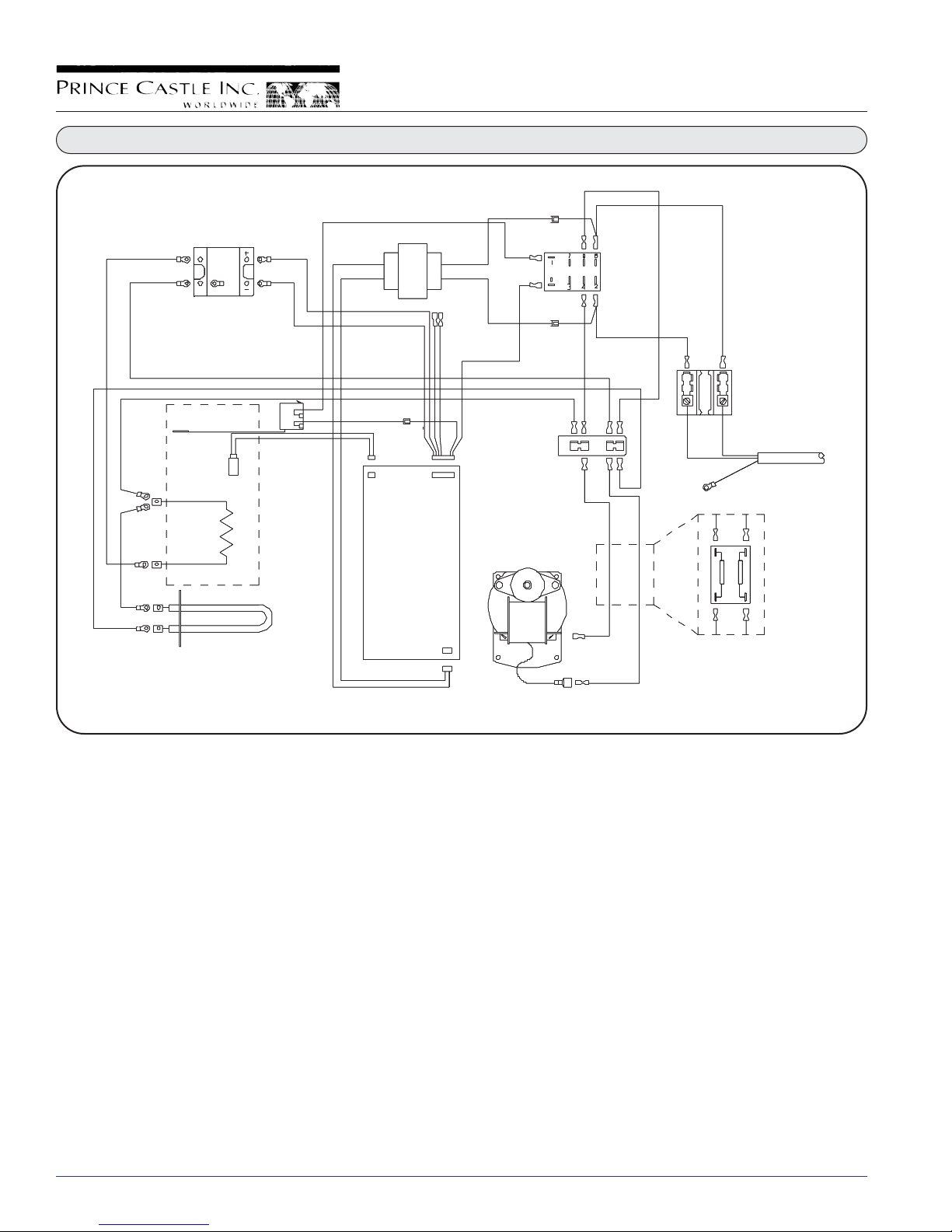
Wiring Diagram . . . . . . . . . . . . . . . . . . . . . . . . . . . . . .10
LIMITED WARRANTY
This product is warranted to be free from defects in material and/or
workmanship for a period of 1 year from date of original installation, not
to exceed 18 months from the date of manufacture.
Any component which proves to be faulty in material and/or workmanship
will be replaced or repaired (at the option of Prince Castle, Inc.) without cost
to the customer for parts and labor. This warranty covers on-location service
(i.e. trip charges and/or mileage). Travel mileage is limited to 100 miles
(200 Kilometers) round trip (one trip warranty) from an authorized service
agency or its sub-service agency.
This warranty is subject to the following exceptions/conditions:
• Use of any non-genuine Prince Castle parts voids this warranty.
• All labor to be performed during regular work hours. Overtime
premium (the incremental amount) will be charged to the customer.
•
Damage caused by carelessness, neglect and/or abuse (e.g., dropping,
tampering or altering parts, equipment damaged in shipment, by fire,
flood or an act of God) is not covered under this warranty.
• All problems due to operation at voltages other than that specified on
equipment nameplates are not covered by this warranty. Conversion
to correct voltage is the customer’s responsibility.
•
This equipment must be serviced by Prince Castle Authorized Service
Agency or a Prince Castle Service Technician during the warranty period.