
Manual-1
OPERATORS MANUAL SM26S
SPLITTER MIXER
Quick Start
Realizing that in most areas there are laws against reading own-
ers manuals, and that reading them under the blankets at night
with a ashlight makes you feel stupid, we therefore provide this
brief, yet legal description of how to use the SM26S just in case
your batteries are low and your mother is about to come in the
room.
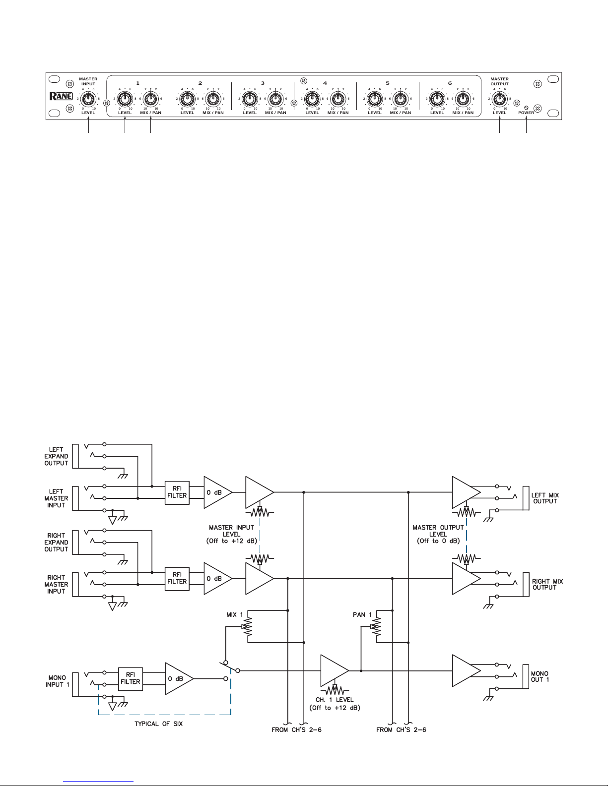
To achieve a quick understanding of the SM26S, think of
it as a six channel mixer with faders and pans only. Or think of
it as a 2-to-6 channel splitter with output level controls and a
mix knob (to control how much of which input goes to which
output). If you get that, you may stop here as long as you know
what a TRS plug is.
As a six channel mixer, MONO INPUT 1 through 6may
be placed on the Right or Left bus or both, in any amount. e
respective LEVEL controls on the front serve as the mixer’s fad-
ers, the adjacent PAN controls place the channel’s signal into the
stereo eld. As an eects mixer or line level expander for a larger
mixer, set up the LEVELS then adjust the PANS. e MAS-
TER OUTPUT LEVEL adjusts the overall level of the mix at
the Master Outputs.
As a splitter, place one or both input signals into the LEFT
and/or RIGHT MASTER INs. Select the Input(s) to be placed
at each of the six MONO OUTPUTS by rotating the MIX /
PAN control to the proper position. Set the individual channel
LEVEL controls for proper output level. e MASTER INPUT
LEVEL control adjusts both Right and Left Input signal levels
together.
WEAR PARTS: is product contains no wear parts.
SM26S Connection
When connecting the SM26S to other components in your sys-
tem for the rst time, leave the power cord for last. is gives
you a chance to make mistakes and correct them before damage
is done to anything fragile.
As you have no doubt noticed, all Inputs and Outputs on the
SM26S’s rear panel are ¼" connectors. e Inputs and Outputs
are active balanced on Tip-Ring-Sleeve (TRS) jacks which allow
the exibility of connecting in either a balanced or unbalanced
fashion. If unbalanced operation is your preference, the simplest
way to accomplish this is through the use of tip-sleeve ¼" con-
nectors. e ring is not essential unless balanced operation is
required. Be aware that if you are running unbalanced and using
TRS connectors with both tip and ring, the ring and sleeve must
be shorted together. Failure to do so on the inputs results in a
gain loss of 6 dB.
Balanced operation requires that TRS plugs be used. e tip
is hot (+), the ring is return (–) and the sleeve is ground. Rane-
Note, “Sound System Interconnection” (included here) contains
some great pictures to aid your interconnect ventures.