
2 Safety Guidelines
Installation, electrical connection, initial startup, operation and maintenance of any s::can product as well as complete
s::can measuring systems must only be performed by qualied personnel. This qualied personnel has to be trained and
authorisedbytheplantoperatororbys::canfortheseactivities.Thequaliedpersonnelmusthavereadandunderstoodthis
manual and have to follow the instructions contained in this manual.
For proper initial startup of complete s::can measuring systems, the manuals for the controller and software used for operation
(e.g. con::lyte, con::cube, con::nect, moni::tool), the connected probes and sensors as well as the used additional devices (e.g.
compressor) have to be consulted.
The operator has to obtain the local operating permits and has to comply with the joint constraints associated with these.
Additionally, the local legal requirements have to be observed (e.g. regarding safety of personnel and means of labour,
disposal of products and materials, cleaning, environmental constraints). Before putting the measuring device into operation,
theoperatorhastoensurethatduringmountingandinitialstartup-incasetheyareexecutedbytheoperatorhimself-the
local legislation and requirements (e.g. regarding electrical connection) are observed.
All s::can products are leaving our factory in immaculate technical and safety conditions. Inappropriate or not intended use of
the product, however, can cause danger! The manufacturer is not responsible for damage caused by incorrect or unauthorised
use.Any kind of manipulation oftheinstrumentis strictly prohibited -exceptforthe activities described inthisdocument.
Conversions and changes to the device must not be made, otherwise all certications and guarantee / warranty become
invalid. For details regarding guarantee and warranty please refer to our general conditions of business.
2.1 Declaration of Conformity
This s::can product has been developed, tested and manufactured for electromagnetic compatibility (EMC) and according to
applicableEuropeanstandards,asdenedinthedeclarationofconformity.
CE-marks are applied on the device. The declaration of conformity related to this marking can be requested from s::can or your
local s::can sales partner or can be downloaded from the s::can Customer Portal.
2.2 Special Hazard Warning
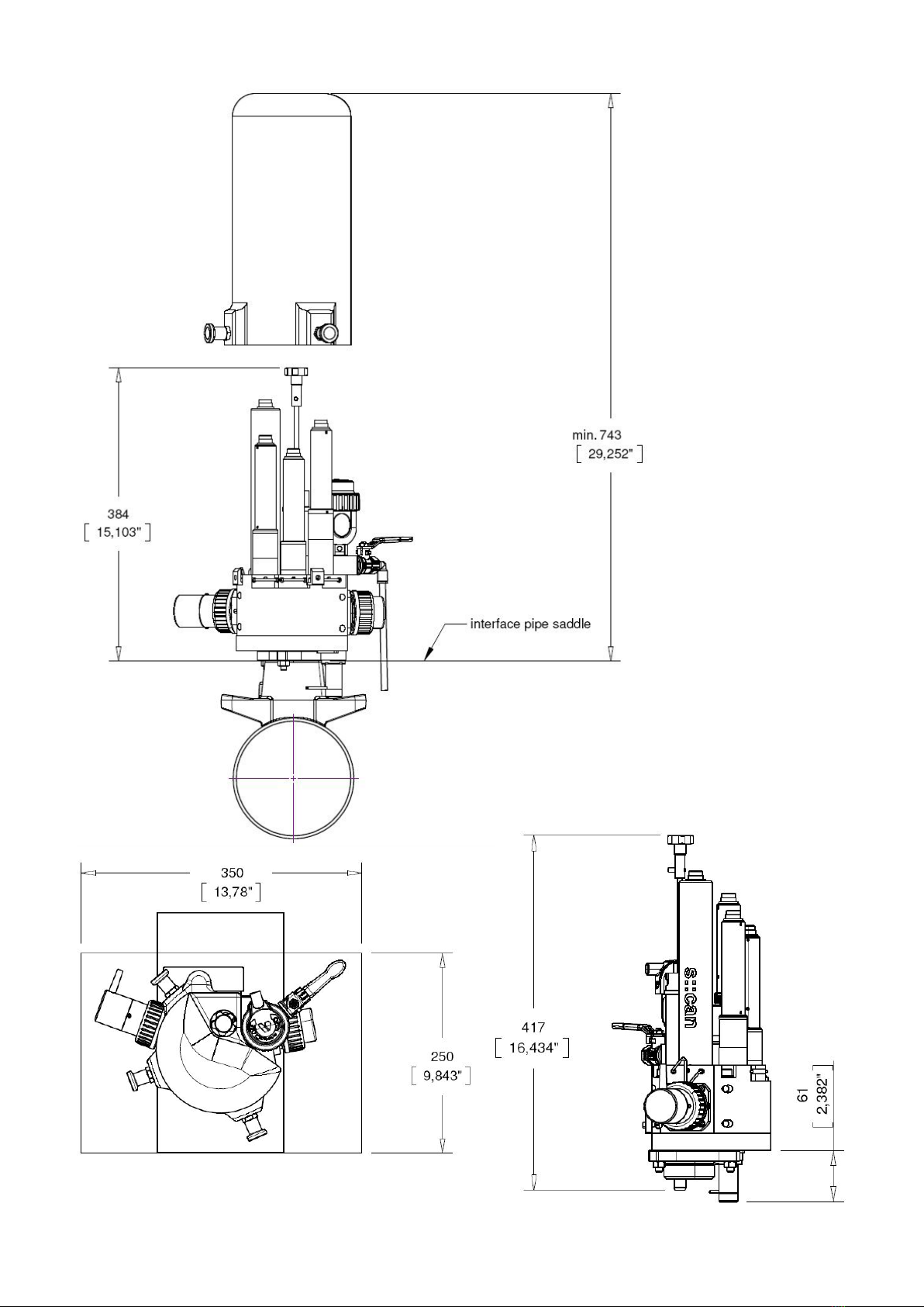
Because the pipe::scan is installed directly on pressurized pipes, one
has to take care during mounting and demounting of the system, as
well as during all maintenance activities to observe all safety notes
written within this manual.
Before putting the pipe::scan into operation, always ensure that all
sensors, the autobrush and the insertion nozzle are securely xed
with the metal brackets and the black enclosure is placed over the
pipe::scanandxedproperly(seesection5.4).
All activities regarding installation or maintenance of pipe::scan shall
be done by two persons (risk minimization). During theses activities
safety shoes have to be used.
pipe::scan V1.0, 06-2019 Release Copyright © s::can Messtechnik GmbH
www.s-can.at6 / 27
!
!
!
!