
Fast Track Troubleshooting
Publication # tsDV210 Revision Date 06/27/2011
IMPORTANT SAFETY NOTICE – “For Technicians Only” This service data sheet is
intended for use by persons having electrical, electronic, and mechanical experience
and knowledge at a level generally considered acceptable in the appliance repair trade.
Any attempt to repair a major appliance may result in personal injury and property
damage. The manufacturer or seller cannot be responsible, nor assume any liability for
injury or damage of any kind arising from the use of this data sheet.
Models:
DV210AEW DV210AGW
DV220AEW DV220AGW
Location consideration In the USA:
All Dryers Must be vented to the outside.
Only rigid or flexible metal duct should be
used for venting.
Electrical Dryers 240 VAC, 60 Hz, 30 Amps, 3
-wire or 4-wire installations
Gas Dryers 120 VAC, 60 Hz, 15 Amps, 3-wire
installations
Description Trigger Action Taken
Dryer Thermistor Short
Sensed
The Thermistor resistance is
ve ry l o w.
Check for: Clogged lint screen,
Restricted vent system, Thermistor
resistance.
Dryer Thermistor Open
Sensed
The Thermistor resistance is
very high.
Check for: Clogged lint screen,
Restricted vent system, Thermistor
resistance.
dO
dE Door Open Running the dryer with door
open
Check for: Loose or open wire
terminals in Door Sense circuit.
FE Power source frequency
Error Invalid power source Frequency Check for: Non Utility power supply
dF Door Circuit Failure Invalid state for more than 256
milliseconds
Check for: Loose or open wire
terminals in Door Sense circuit.
hE or HE Heater Error Invalid heating Temp in running
the dryer
Check for: Restricted vent system,
Thermistor resistance.
bE Button Error PCB key closed for 75 sec. Check Display PCB for stuck button
od Over Dry Invaled Dry Time Excessive Dry
Time Inspect seensor bars
EEprom Fail Invalid state of Eeprom
communication Replace Main PCB
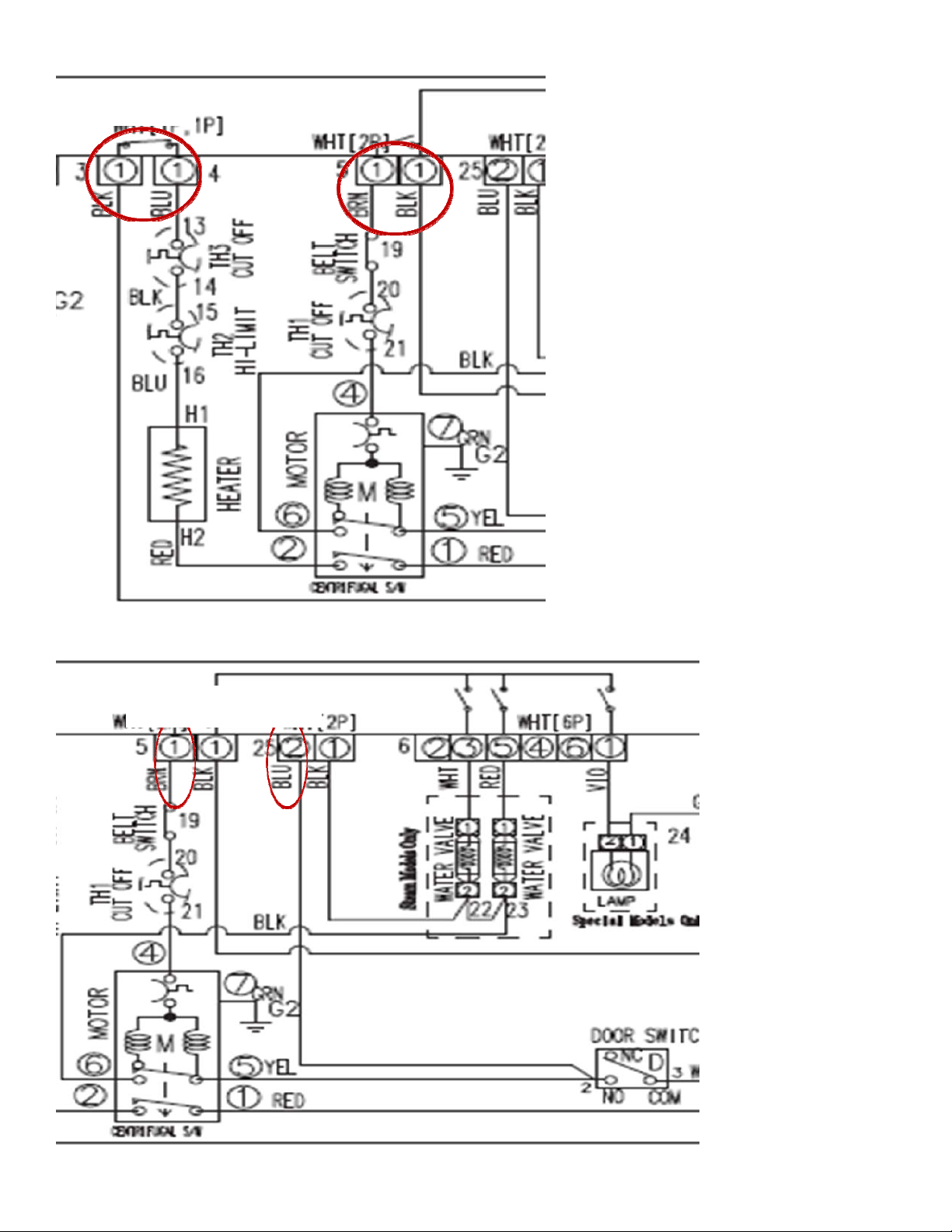
Samsung 'Dryer' Diagnostic Code Quick Guide
Display
NOTICE: All Dryers Parts Change
6/2010: Motor Pulley, page 5;
Blower Housing, page 4
SUPPORT INFORMATION
Training — Plus One
http://my.plus1solutions.net/clientPortals/samsung/
Help — GSPN http://service.samsungportal.com/
Samsung Product Support TV
http://support-us.samsung.com/spstv/howto.jsp
Customer information videos and chat programs
Programs for Fridges, Laundry, Ranges & D/W