
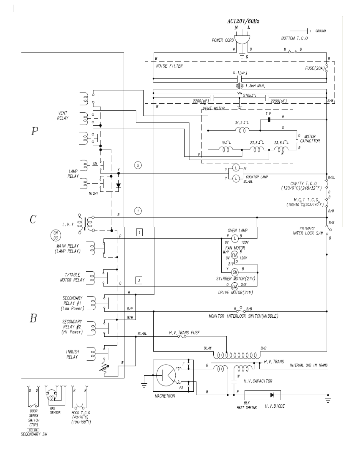
WARNING: It is critical to route wires and
wire harness identical to the way they were,
to prevent electromagnetic interference caus-
ing possible fault codes.
Procedure for measurement of microwave energy leakage
1. Pour 275±15cc of 20±5°C(68±9°F) water in a beaker which is
graduated to 600cc, and place the beaker in the center of the oven
2. Start to operate the oven and measure the leakage by using a mi-
crowave energy survey meter.
3. Set survey meter with dual ranges to 2,450MHz.
4. When measuring the leakage, always use the 2 inch spacer cone
with the probe. Hold the probe perpendicular to the cabinet door.
Place the spacer cone of the probe on the door and/or cabinet door
seam and move along the seam. The door viewing window and the
exhaust openings moving the probe in a clockwise direction at a
rate of 1 inch/sec. If the leakage testing of the cabinet door seam is
taken near a corner of the door, keep the probe perpendicular to
the areas making sure that the probe end at the base of the cone
does not get closer than 5 cm to any metal. If if gets closer than 5
cm, erroneous readings may result.
5. Measured leakage must be less than 4mW/cm2 after repair and
adjustment.
Maximum allowable leakage is 5mW/cm2. 4mW/cm2 is used to allow
for measurement and meter accuracy.
MicrowaveCookingWattageTest
Safety precautions
High Voltage Warning Do not attempt to
measure any of the high voltages --this in-
cludes the filament voltage of the magnetron.
High voltage is present during any cook cycle.
Before touching any components or wiring,
always unplug the oven and discharge the
high voltage capacitor
Some semiconductor (“solid state”) devices
are easily damaged by static electricity. Such
components are called Electro statically
Sensitive Devices (ESDs). Examples
include integrated circuits and field-effect
transistors. Immediately before handling any
semiconductor components or assemblies,
drain the electrostatic charge from your body
by touching a known earth ground.
Temp Rise Output Temp Rise Out-
put
5194 23 891
6232 24 930
7271 25 969
8310 26 1007
9349 27 1046
10 387 28 1085
11 426 29 1124
12 464 30 1162
13 504 31 1201
14 542 32 1240
15 581 33 1279
16 620 34 1317
17 659 35 1356
18 697 36 1395
19 736 37 1434
20 775 38 1472
21 814 39 1511
22 852 40 1550
Fill a 1000ml plastic room temperature container with cool tap water,
temperature of the water should be 55-65 degrees
Stir water with a thermometer and record the water temperature, remove
thermometer.
Place the container in the center of the lowest shelf or center of the
bottom of the microwave.
For units less than 1550 watts, operate the oven on high for exactly 63
seconds.
Using the thermometer, stir the water to check the temperature of the
water.
Subtract the starting temperature from the final temperature; this will be
the temperature rise.
NOTE: Check line voltage under load, lower line voltage will lower
the power output.
M/W Information
Specifications
M/W Power 1100 Watts
M/W Weight 54.23 Lbs
High Voltage
Transformer
Primary 0.43Ω
Secondary 125-130Ω
Filament 0.0Ω
Motors
Vent Turbo 21Ω
Vent High 45Ω
TT & Stirrer Motors 120Ω
Fan Motor 32-40Ω