
6Sentry
GAS PIPING—
A. Local installation codes apply. The pipe joint compound used
on threads must be resistant to the action of liquefied petro-
leum gases.
B. The gas supply line to the boiler should be run directly from
the meter for natural gas or from the fuel tank for L.P.
propane gas. See page 2 for location of union and manual
main shutoff valve that may be specified locally.
Selecting pipe size for natural gas:
1. Measure or estimate the length of piping from the meter
to the installation site.
2. Consult gas supplier for heating value of gas (Btu/cu. ft.).
3. Divide boiler rated input by heating value to find gas flow
in piping (cu. ft. per hour).
4. Use table A to select proper pipe size.
Example: Boiler model S-150 is to be installed. Distance
from gas meter to the boiler is 30 ft. Heating value of natur-
al gas is 1020 Btu/cu. ft. Select proper pipe size.
Gas flow = 150,000 Btu/hour = 147 cu. ft. per hour
1020 Btu/cu.ft.
At 30 ft. length of pipe, match required capacity from Table A
(choose higher capacity, in this case is 152 cu. ft. per hour).
Required pipe size is 3/4".
Improper gas pipe sizing will result in pilot flame outages,
insufficient heat and other installation difficulties. or more
information and also if other appliances are to be attached
to the piping system, see Appendix C of National uel Gas
Code ANSI Z223.1-latest edition.
C. The boiler and its gas connection must be leak tested before
placing the boiler in operation. Use liquid soap solution for all
gas leak testing. DO NOT use open flame.
This boiler and its individual shutoff valve must be disconnect-
ed from the gas supply piping system during any pressure test-
ing of that system at test pressures in excess of 1/2 PSIG.
This boiler must be isolated from the gas supply piping sys-
tem by closing its individual manual shutoff valve during any
pressure testing of the gas supply piping system at test
pressures equal to or less than 1/2 PSIG.
D. All gas piping used should be inspected thoroughly for
cleanliness before makeup. A sediment trap must be pro-
vided, as illustrated on page 2.
E. The minimum and maximum gas supply pressure (at the
inlet of gas valve) are shown on the boiler rating plate for the
type of gas used. Gas supply pressure should never be less
than minimum or more than maximum pressure when the
boiler or any other appliance is turned on or off.
ELECTRICAL C NTR LS AND WIRING—
A. The electrical power to the boiler must be on a separately
fused and live circuit.
B. The boiler, when installed, must be electrically grounded in
accordance with the requirements of the authority having
jurisdiction or, in absence of such requirements, with the
National Electrical Code, ANSI/N PA No. 70-latest edition.
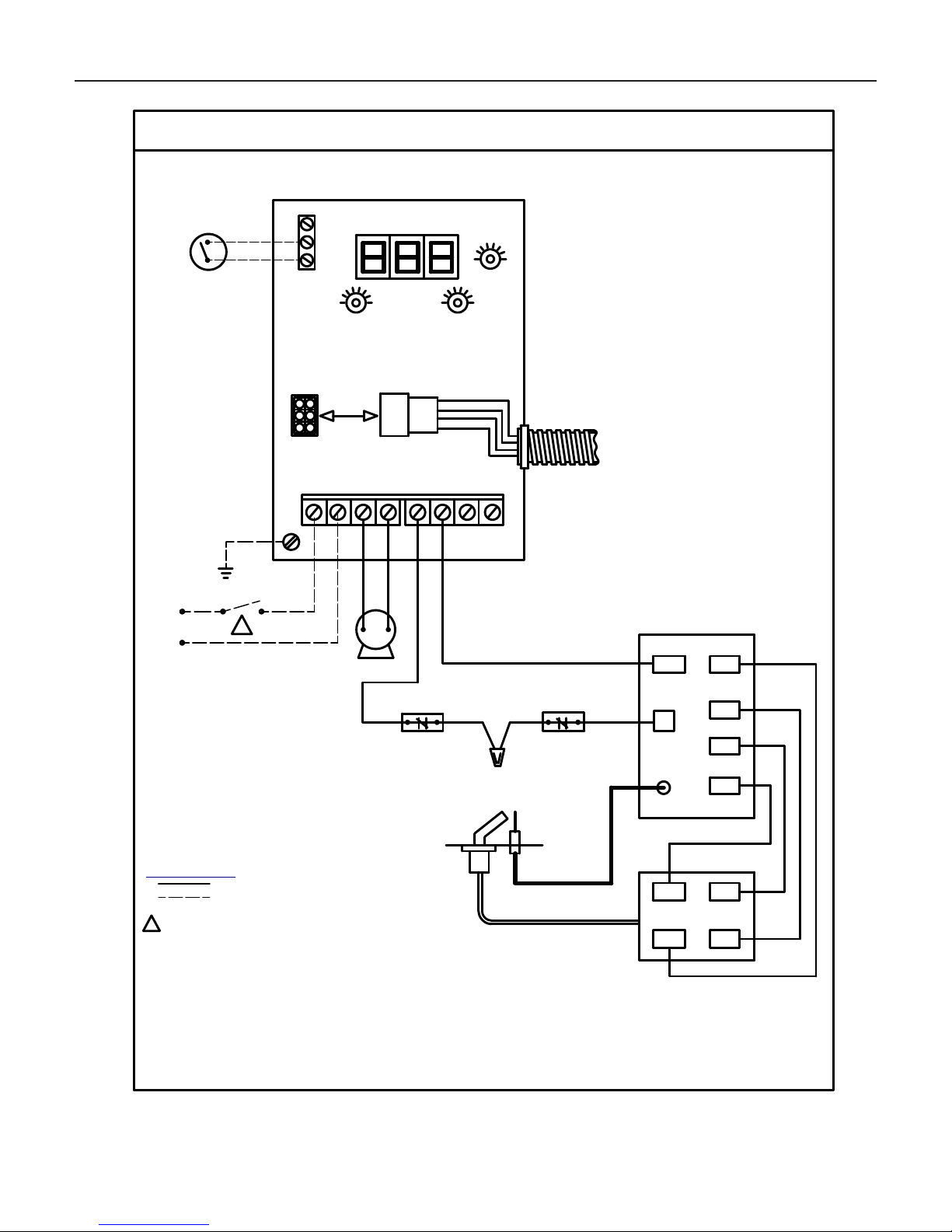
C. See figure 5a and 5b for wiring diagram on pages 8 and 9.
ELECTRICAL WIRING
DANGER: Before wiring, always turn off electric power supply,
otherwise, shock or death can result.
1. Power Supply
A separately fused circuit is recommended. Use a standard
15 amp. fuse or breaker and 14 gage conductors in BX
cable or conduit.
Provide disconnect means and overload protection as
required. See boiler wiring diagram ( igure 4).
Boiler must be electrically grounded in accordance with the
requirements of the authority having jurisdiction, or, in the
absence of such requirements, with the National Electrical
Code, ANSI/N PA 70-latest edition.
2. Power Connection
Connect hot and neutral to L1 and L2 terminal of the
boiler control (See figure 4). Connect ground wire to ground
screw inside boiler control.
3. Thermostat Connections
Thermostat wire connections must be to T and TV screw
terminals of boiler temperature control (See figure 4).
Thermostat Heat Anticipator Adjustments
If the 24V room thermostat that controls this boiler has an
adjustable heat anticipator, connect entire system to thermostat
and run the system while measuring the current drawn through
the thermostat wires. Set the heat anticipator at the value
measured. The set current should match power requirements by
zone valves and relays. Add an additional 0.1 Amp to the
measured current for vent dampers. Refer to the manufacturer’s
instructions of zone valve, vent damper and relays. Also, see
instructions with the thermostat.
4. Multi Zoning
or pump zoning system, see figure 5 and 6 for zone valve
system, see figure 7. DO NOT use control transformer to
power external accessories like zone valve and relay, over
load and/or burned-out transformer and boiler malfunction
can result.
5. Indirect External Water Heater
If the system includes indirect water heater, the indirect signal
must be sepatayed from heating zone(s) system. See figure 6
and follow steps below:
a. Connect end switch of the indirect water heater relay to I1
and I2 of the boiler temperature control.
b. Connect end switch of the heating zones(s) relays to T and
TV of the boiler temperature control.
c. Power DHW and heating zone(s) circulators through end
switch relays as shown on figure 6. Do not connect heating
zone(s) circulators to C1 and C2 of the control.
1/2 3/4 1 1-1/4 1-1/2
10 132 278 520 1050 1600
20 92 190 350 730 1100
30 73 152 285 590 890
40 63 130 245 500 760
50 56 115 215 440 670
60 50 105 195 400 610
70 46 96 180 370 560
80 43 90 170 350 530
90 40 84 160 320 490
100 38 79 150 305 460
Length
of Pipe
in Feet
Gas Flow In Piping -- cu. ft. per hr.
Iron Pipe Size (IPS)—inches
At pressure drop of 0.3 in. water, specific gravity = 0.60.