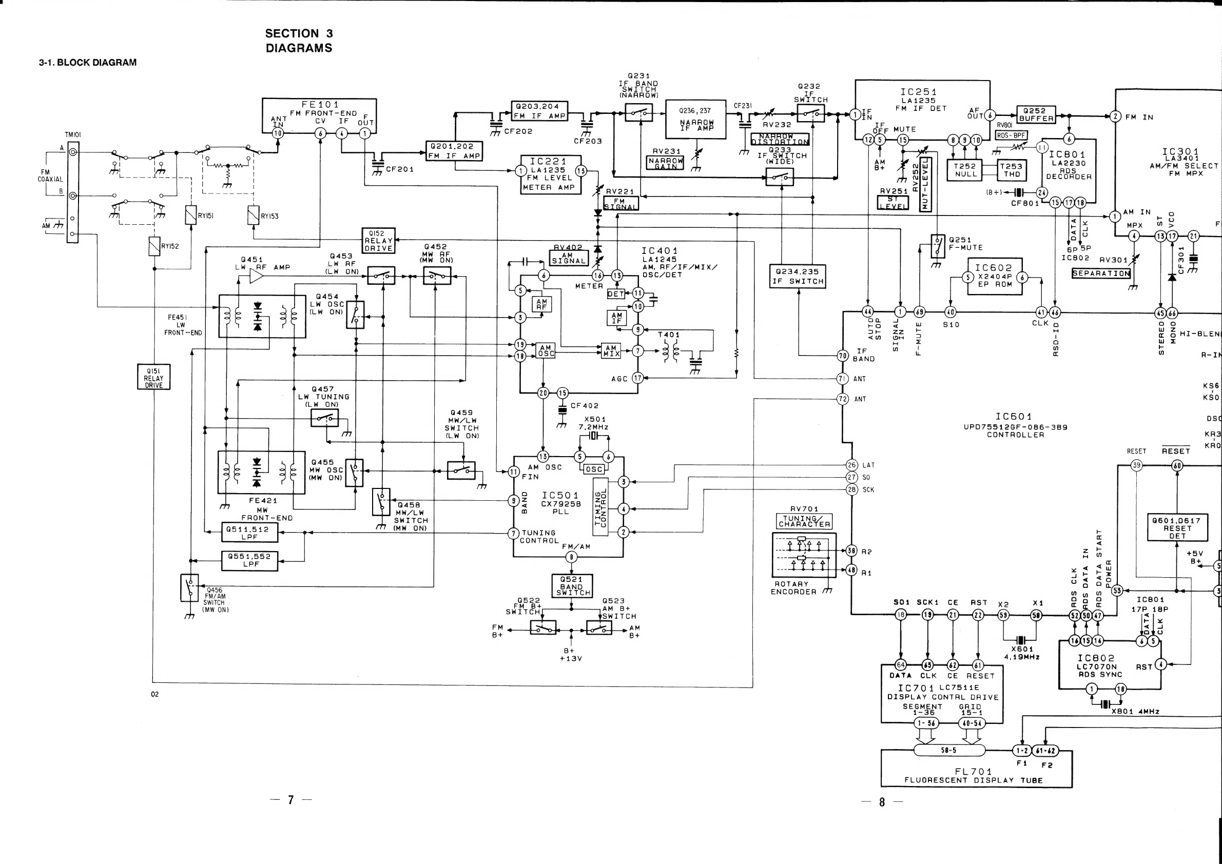
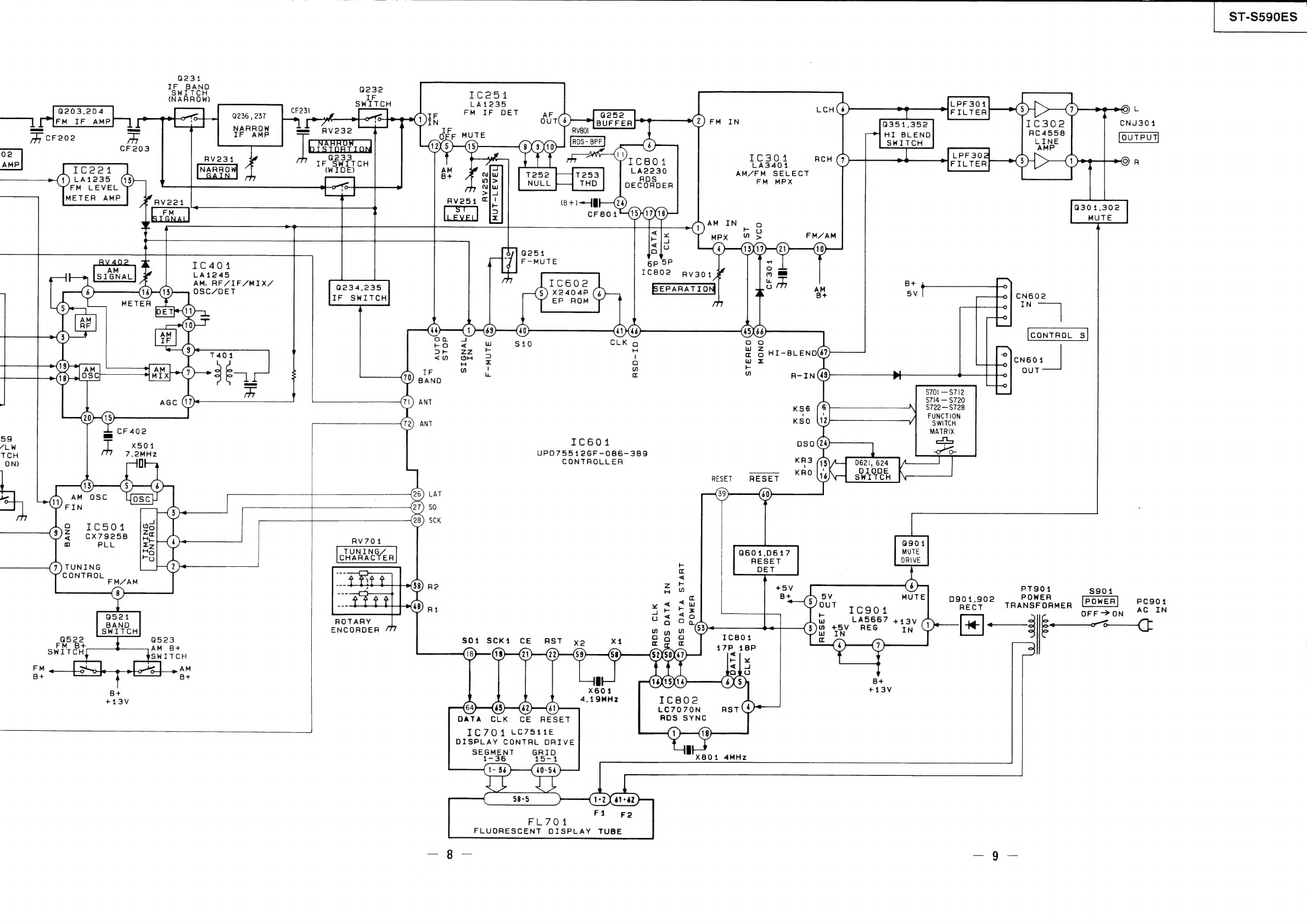
Sony ST-S590ES Manuale utente
Altri manuali Sony Sintonizzatore

Sony
Sony ST-SV7 Manuale utente

Sony
Sony R-D-S EON ST-SE700 Manuale utente

Sony
Sony ST-S320 Manuale utente

Sony
Sony ST-88 Manuale utente

Sony
Sony ST-SA50ES - Am/fm Tuner Manuale utente

Sony
Sony WRR-802A Manuale utente

Sony
Sony WRR-861A Manuale utente

Sony
Sony WRR-855B Manuale utente

Sony
Sony ST-D777ES Manuale utente

Sony
Sony ST-JX390 Manuale utente

Sony
Sony ST-S3000ES Manuale utente

Sony
Sony XDRF1HD - HD Radio Tuner Manuale utente

Sony
Sony ST-S800ES Manuale utente

Sony
Sony WRU-806B Manuale utente

Sony
Sony WRR-855S Manuale utente

Sony
Sony ST-S9 Manuale utente

Sony
Sony WRR-801A Manuale utente

Sony
Sony WRR-862A Manuale utente

Sony
Sony XDR-Fl HD Manuale utente

Sony
Sony ST-J88B Manuale utente































