
© 2014 Pentair Equipment Protection 89101403
- 2 -
TABLE OF CONTENTS
RECEIVING THE AIR CONDITIONER...............................................................................................................................................................................3
HANDLING AND TESTING THE AIR CONDITIONER ......................................................................................................................................................3
HOW TO READ MODEL NUMBERS.................................................................................................................................................................................3
TECHNICAL INFORMATION ............................................................................................................................................................................................4
Sequence of Operation..........................................................................................................................................................................................................................4
Heating..........................................................................................................................................................................................................................................4
Cooling..........................................................................................................................................................................................................................................4
Standard and Optional Component Operation .....................................................................................................................................................................................4
Thermostat ...................................................................................................................................................................................................................................4
Remote Access Control (optional) ...............................................................................................................................................................................................4
Head Pressure Control (optional)................................................................................................................................................................................................4
Contactor (460V Units only)..........................................................................................................................................................................................................4
Overload (460V Units only) ...........................................................................................................................................................................................................4
Phase Monitor ..............................................................................................................................................................................................................................5
460V to 230V Transformer............................................................................................................................................................................................................5
115V/230V to 10V Transformer (optional)....................................................................................................................................................................................5
115V/230V to 24V Transformer and Relay (optional)...................................................................................................................................................................5
Schematics and Wiring Diagrams for Thermostat Control .................................................................................................................................................................5
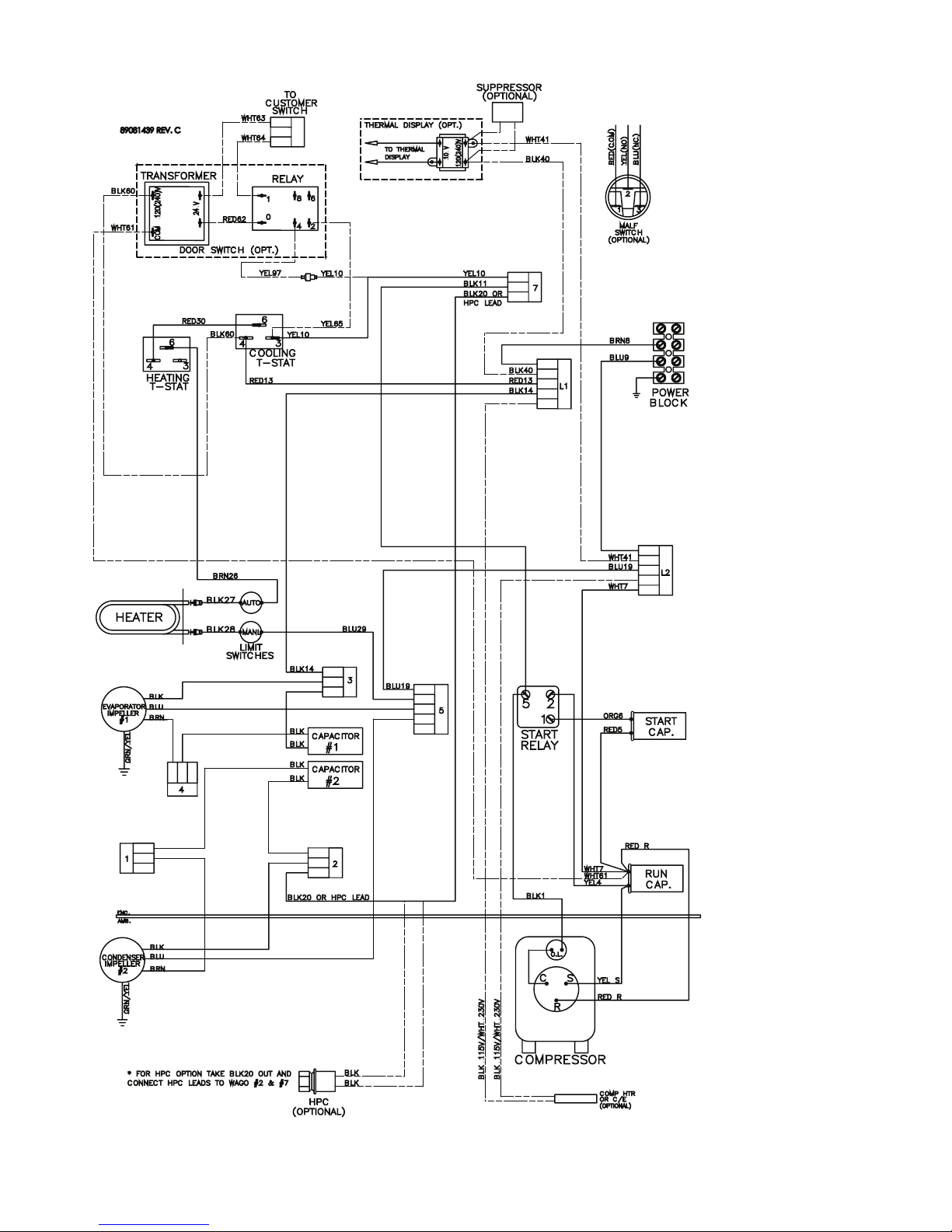
4000 BTU 1-Phase Schematic (actual unit options may vary)....................................................................................................................................................5
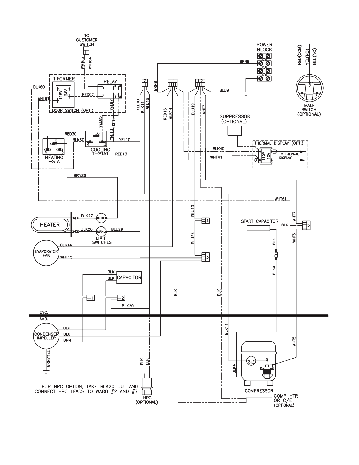
6000 BTU 1-Phase Schematic (actual unit options may vary)....................................................................................................................................................6
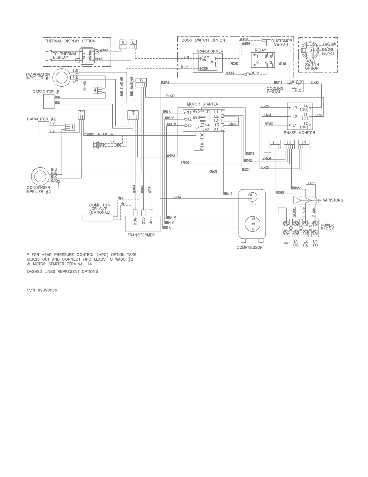
G28 Generic 3-Phase Schematic (actual unit options may vary) ...............................................................................................................................................6
4000 BTU 1-Phase Wire Diagram (actual unit options may vary) ..............................................................................................................................................7
6000 BTU 1-Phase Wire Diagram (actual unit options may vary) ..............................................................................................................................................8
G28 Generic 3-Phase Wire Diagram (actual unit options may vary)..........................................................................................................................................9
DIMENSIONAL DRAWINGS...........................................................................................................................................................................................10
4000 BTU 115V With Thermostats ......................................................................................................................................................................................................10
6000 and 4000 BTU 230V With Thermostats ......................................................................................................................................................................................11
G28 Generic 460V With Thermostats..................................................................................................................................................................................................11
INSTALLATION INSTRUCTIONS....................................................................................................................................................................................12
REMOTE ACCESS CONTROL (optional)........................................................................................................................................................................13
INTRODUCTION ...................................................................................................................................................................................................................................13
ENERGIZING THE CONTROLLER........................................................................................................................................................................................................13
CONTROL STATUS INDICATION..........................................................................................................................................................................................................13
DISPLAYING AND CHANGING PROGRAM VARIABLES ......................................................................................................................................................................14
OPERATING PARAMETERS.................................................................................................................................................................................................................14
ALARM PARAMETERS.........................................................................................................................................................................................................................14
DISPLAYING TEMPERATURE SENSOR #2 .........................................................................................................................................................................................14
COMPRESSOR RESTART TIME DELAY ...............................................................................................................................................................................................14
ALARM OUTPUT CONTACT .................................................................................................................................................................................................................14
ALARM INPUT CONNECTION .............................................................................................................................................................................................................15
ALARM CONDITION DISPLAY..............................................................................................................................................................................................................15
AIR CONDITIONER UNIT COMMUNICATION FEATURES...................................................................................................................................................................15
USB COMMUNICATION..............................................................................................................................................................................................................15
ETHERNET COMMUNICATION ..................................................................................................................................................................................................15
USING THE PC INTERFACE TOOL.......................................................................................................................................................................................................16
USB COMMUNICATION MODE...................................................................................................................................................................................................16
ETHERNET COMMUNICATION MODE .......................................................................................................................................................................................17
Remote Access Control Pin-out ...................................................................................................................................................................................18
Schematics and Wiring Diagrams for Remote Access Control .........................................................................................................................................................19
4000 BTU 1-Phase Schematic (actual unit options may vary)..................................................................................................................................................19
6000 BTU 1-Phase Schematic (actual unit options may vary)..................................................................................................................................................19
G28 Generic 3-Phase Schematic (actual unit options may vary) .............................................................................................................................................20
4000 BTU 1-Phase Wire Diagram for Remote Access Control (actual unit options may vary)...............................................................................................21
6000 BTU 1-Phase Wire Diagram for Remote Access Control (actual unit options may vary)...............................................................................................22
G28 Generic 3-Phase Wire Diagram for Remote Access Control (actual unit options may vary)...........................................................................................23
DIMENSIONAL DRAWINGS...........................................................................................................................................................................................24
4000 BTU 115V With Remote Access Control.....................................................................................................................................................................................24
4000 and 6000 BTU 230V With Remote Access Control.....................................................................................................................................................................24
INSTALLATION INSTRUCTIONS WITH REMOTE ACCESS CONTROL..........................................................................................................................25
MAINTENANCE .............................................................................................................................................................................................................26
Compressor .........................................................................................................................................................................................................................................26
Inlet Air Filter.......................................................................................................................................................................................................................................26
How To Remove, Clean or Install a New Inlet Air Filter.....................................................................................................................................................................26
Condenser and Evaporator Air Movers ..............................................................................................................................................................................................27
Refrigerant Loss..................................................................................................................................................................................................................................27
Refrigerant Properties Chart (R 407c)................................................................................................................................................................................................28
Refrigerant Properties Chart (R 134a)................................................................................................................................................................................................28
Functional Data....................................................................................................................................................................................................................................29
4000/6000 BTU Unit Characteristics...................................................................................................................................................................................................30
SERVICE DATA ...............................................................................................................................................................................................................31
Components List .................................................................................................................................................................................................................................31
TROUBLE SHOOTING....................................................................................................................................................................................................32
Basic Air Conditioning Trouble Shooting Check List - Thermostat Version .....................................................................................................................................32
Symptoms and Possible Causes - Thermostat Version.....................................................................................................................................................................33
Basic Air Conditioning Trouble Shooting Check List - Remote Access Control Version..................................................................................................................34
Symptoms and Possible Causes - Remote Access Control Version .................................................................................................................................................36
WARRANTY....................................................................................................................................................................................................................38
RETURN AND REPAIR POLICY .....................................................................................................................................................................................38
LIMITATION OF LIABILITY .............................................................................................................................................................................................39