
MIXER CONTENTS
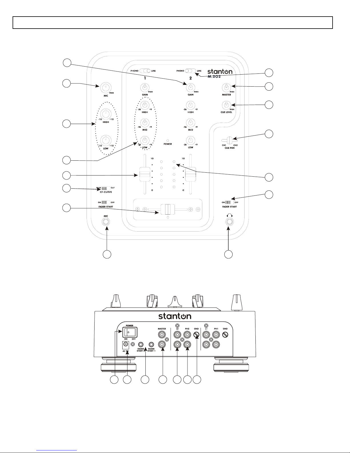
1. Input fader - Controls individual source levels (channels) in the mix.
2. Input toggle switch - Selects which source will be active based on what you have connected to the
rear panel input section (phono/line).
3. Channel EQ - Adjusts the high, mid and low frequency levels of the input channels for good sound.
4. Channel Gain – Adjusts the pre-fader volume for cleaner sound.
5. Replaceable Crossfader - Achieves clean segues between the two input channels. "Hard left"
selects Channel 1. "Hard right" selects Channel 2. With the crossfader centered, both channels are
live. Use the crossfader for fast and seamless segues (fades) from one channel to the other.
Note: The crossfader is user replaceable in case of failure. Simply unscrew the two large screws
which hold it in place, lift it out and disconnect its cable. Re-attach the new crossfader and screw
the mounting plate back onto the unit - you’re back in business!
6. Mic Input Gain – Adjusts microphone input level.
7. Mic Input – Insert your Microphone with ¼” plug here.
8. Headphone Input – Insert in the ¼” plug for your headphones here.
9. Channel Cue / Cue Pan - Used to preview channel audio to your headphones. Listen here before
bringing up channel faders or moving the crossfader.
10.Headphone Level – Adjusts cue volume.
11.Master Level – Controls the overall output level.
12.Crossfader Curve – The CUT setting allow the use of the crossfader for quick cut in and out when
scratching and mixing. The FADE setting is used for longer segues, typically when mixing between
two beat-matched sources.
13.Fader start – This function works in conjunction with a compatible fader start CD player. When used
with a compatible CD player, you can use the crossfader to start and stop the CD player with the
slide of the fader. The fader start switch activates the fader start feature. When in the ON position,
the fader start allows the fader to return automatically to preset digital CUE POINTS on your
compatible STANTON DJ CD Player.
14.Mic EQ – The mic channel include a two-band EQ with a range of +10dB to –10dB.
15.Level Indicators – The dual LEDs indicators are used to indicate the master output level of channels
Right and Left.
16.Grounding post - for turntable connection. Always use this connection when using standard
turntables with ground cable. (Some turntables like the T.80 / T.120 do not require grounding wire).
17.Phono Inputs – Plug your turntables in here. When these connectors are used, your signal is fed
directly to the high-quality RIAA phono pre-amplifiers. Use this position only for turntables. Line
level sources will overload the sensitive phono pre-amps and will cause distortion.
18.Line Inputs - Unbalanced RCA jacks for connecting stereo audio from line level sources such as CD
players, HiFi VCRs, cassette decks, DAT machines, laser discs, tuners, even synthesizers or other
mixing consoles.
NOTE: Plug mono audio sources into both Left and Right inputs using a "Y" cable connector.
19.Master Output - Unbalanced RCA connectors controlled by the Master level.
20.Fader Start – This function works in conjunction with a compatible fader start CD player. When
used with a compatible CD player, you can use the crossfader to start and stop the CD player with
the slide of the fader. The fader start switch activates the fader start feature. When in the ON
position, the fader start allows the fader to return automatically to preset digital CUE POINTS on
your compatible STANTON DJ CD Player.
21.Power Switch – turns unit off and on. Note*** Remember to turn ALL volume levels down when
turning on/off the unit.
22.Power Connector - Plug in the included power supply here.