V12/2009
Rear Panel View & Controls
1. Lüftungsgitter-dieStrömungsrichtungderKühlun-
gluftistvonvornnachhinten.Bitteunbedingtaufaus-
reichendeLuftzirkulationachtenund die Lüftungsgitter
stetigfreihalten.
2. Netzanschluss-DerNetzanschlusserfolgtüberein
Standard Kaltgeräte Netzkabel mit 3-poligem IEC An-
schlussstecker(NetzkabelimLieferumfang).
3. Netzsicherung - Zum Wechseln derNetzsicherung
drückenunddrehenSiedenSicherungshaltermiteinem
Kreuzschraubendreher gegen den Uhrzeigersinn. Ach-
tung, verwenden Sie ausschliesslich Sicherungen mit
denselbenKennwerten.
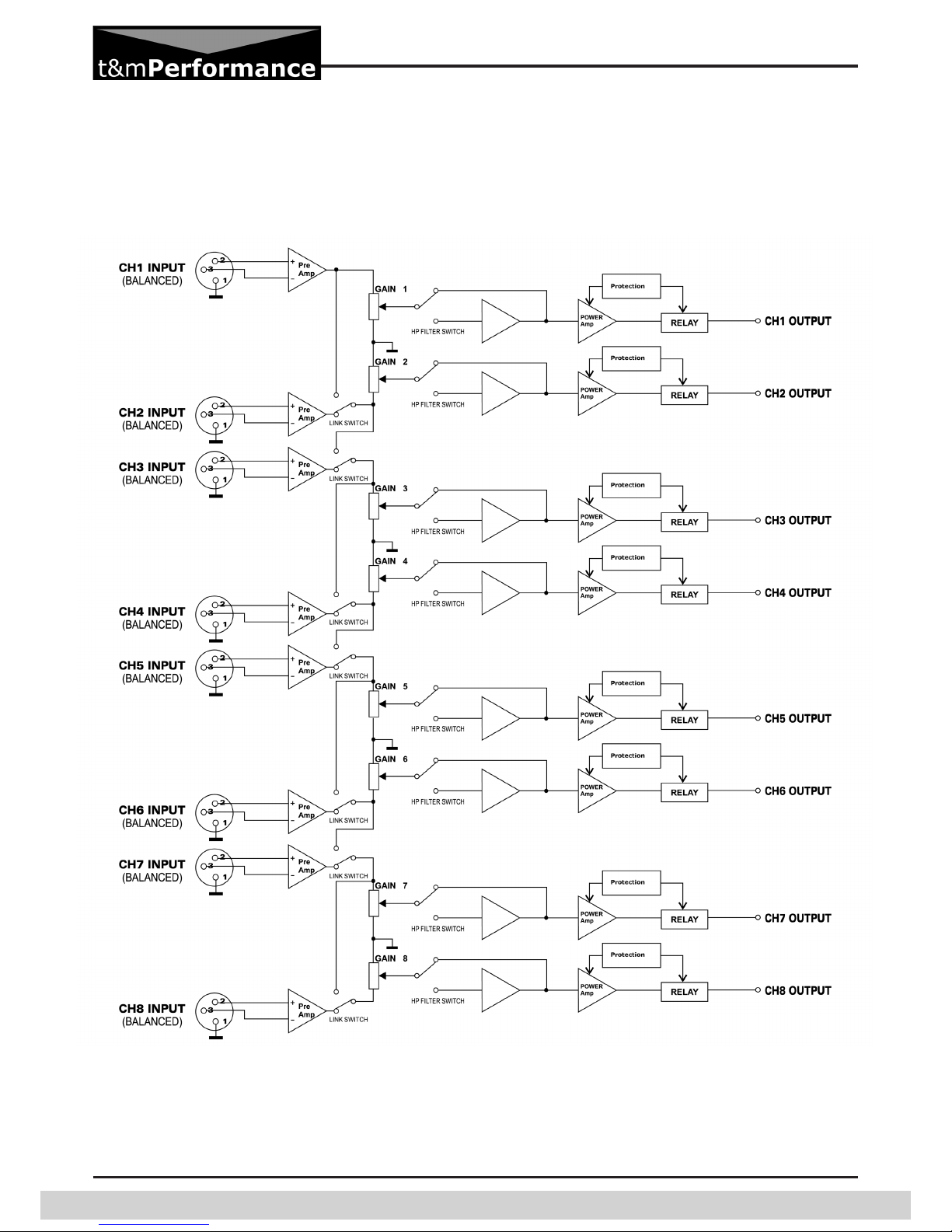
4. Eingang-SymmetrischerXLR-fEingangfürLine-Pe-
gelSignale.
5. Link Schalter - Durch Drücken des Link-Schalters
einesKanals,wirddessenXLR-Buchseabgeschaltetund
dasSignaldesvorhergehendenKanalsaufgeschaltet.
6. Hochpass Filter - Je Kanal kann ein steilankiges
60HzHochpassFiltergeschaltetwerden.Achtung!Bei
VerwendungderEndstufezusammenmitoptionalen100
V-Trafo ist bei den entsprechenden Kanälen unbedingt
dasFiltereinzuschalten,umeineeinwandfreieFunktion
zugewährleisten!
7. Limiter Schalter-JeKanalkanneinClip-Limiterzum
SchutzangeschlossenerLautsprecheraktiviertwerden.
8. Ausgang-DerAnschlussandieAusgängederEnd-
stufe erfolgt über 2-polige Schraubklemm-Anschlüsse,
dieimLieferumfangenthaltensind.
1. Cooling vents - air-ow direction is from front to
rear.Pleasealwaysprovidesufcientaircirculationand
nevercovertheventsatanytime.
2. Mains input-standardIECsocketforusewithstan-
dardmainscable(included).
3. Mains fuse-Forreplacingthemainsfusepressand
turnthefuseholderanticlockwisewithacrossslotscre-
wdriver. Please use only fuses with these specic va-
lues.
4. Input - balancesXLR-f input forlinelevel input si-
gnals.
5. Link switch-bypressingachannel´slinkswitchthe
inputsignalofthatchannelwillbelinkedtothesubse-
quentchannel.Thereforeyoucaneasilycreategroups
ofchannelswhicharefedwiththesameinputsignal.
6. Highpass lter - for each channel there is a swit-
chable60Hz highpass lter. For use with the optional
100VtransformerstheHPlterhastobeswitchedon
ontheaccordingchannelsoftheamplifer!
7. Limiter switch - for each channel there is a swit-
chablecliplimitertoprotecttheloudspeakersconnected
totheamplier.
8. Output -theoutputconnectorsare2-pinscrewter-
minalswhichareincludedwiththeamplier.
Rückansicht