Unpacking
The Heros is shipped with the vacuum tube istalled. Unpack carefully, keep in mind Heros
weights 30 kg ! All Thrax Audio shipping boxes have been specially designed to protect
their contents and special care has been taken to prevent damage under normal
shipping conditions. Mishandling should be evident upon inspection of the shipping
container. Carefully remove your new component from its packing and examine it closely
for signs of shipping damage. We strongly recommend saving all original packing to
protect your component from damage should you wish to store it or ship it at a later date.
Installation
• Provide adequate ventilation. Do not operate on carpet or any other surface that
might block air flow. The chassis will become warm in normal use!
• Do not allow the chassis to touch any metal parts, such as the frame of an equipment
rack. This might create a parallel ground path that could degrade the sound of your system.
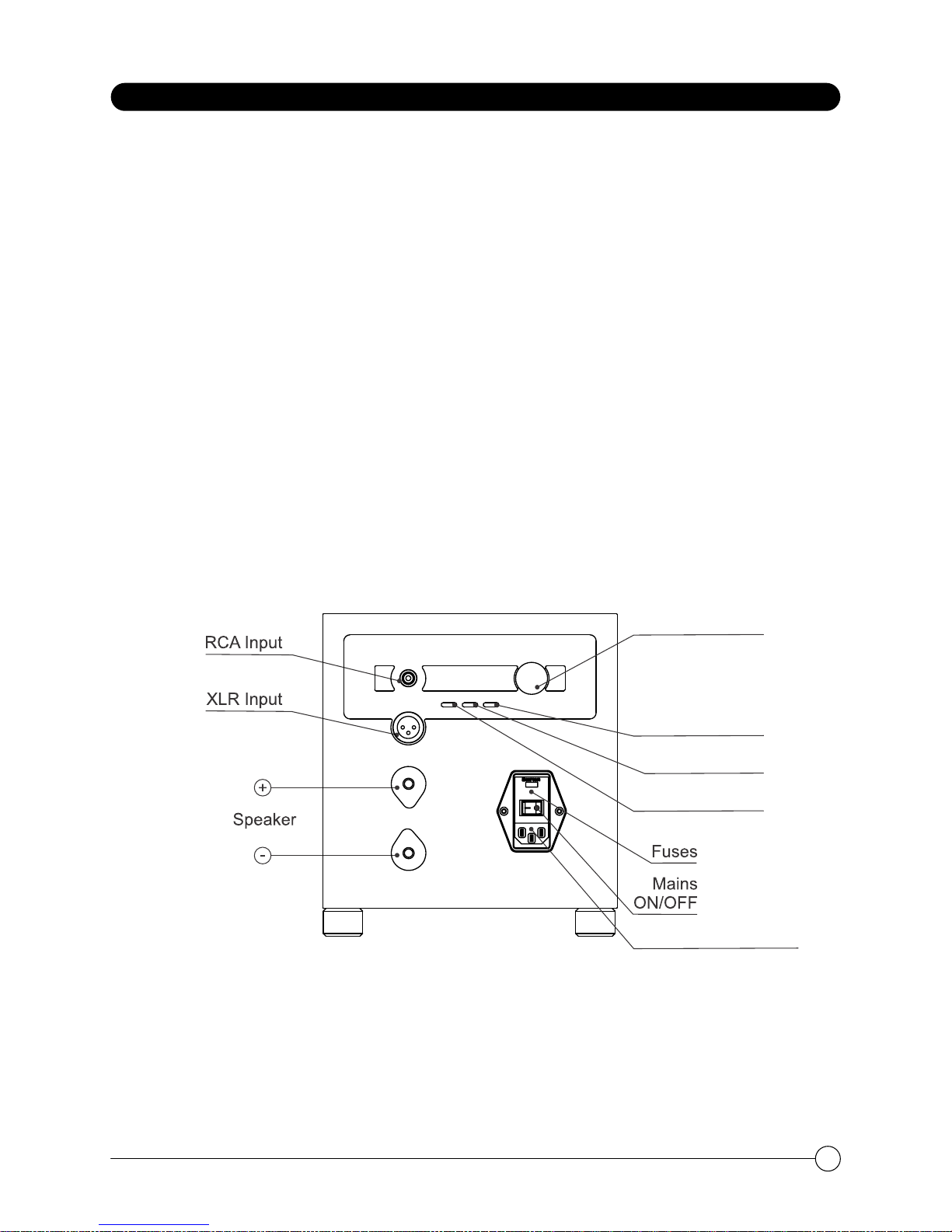
• Input connection is via single ended RCA jacks or XLR jacks (which can be from
balanced or unbalanced sources).
• Connect the input and speaker cables.
• Connect the power cable from the power supply to the power amplifier.
• Connect the power supply to the power source indicated on the voltage selector card
(visible by the main fuse), either 115 or 230 volts AC. The voltage may be select by means
of the removable selector card located behind the fuse in the power connectors.
Remove the cards and reinstall so that the desired voltage may be read; be certain to
change the fuse to the correct value.Connect the power supply to the power source
indicated on the rear panel. Avoid power conditioners that float the ground pin. ALWAYS
connect power cord to component before plugging it into an AC outlet, and make sure
that unit's power switch is set to the "OFF" position before making the final connection. For
best performance, try to route the power cord away from signal cables.
• Power requirements are approximately 230 watts per channel. Pay close attention to
power quality, and be aware that different power cords can alter the sound.
• Set the output impedance switch to either “4 ohm” or “8 ohm” to suit your loudspeaker.
Connect the speaker cables: the black lead goes to “-“, the red lead goes to “+”. For
further information see Tips : Impedance Matching.
• Set the input type switch to XLR or RCA, to match the source and cables.
WARNING: Do not allow anything to touch the tubes in normal operation - they become
very hot. Take care to keep everyone, especially children and pets, from being able to
reach and touch the tubes, which become extremely hot and may cause serious injury.
Never touch a tube if the glass is broken. The internal structures carry high voltage and
could present a serious, possibly lethal shock. If a tube breaks, unplug the amplifier and
wait 30 minutes, then remove the tube. Keep flammable objects away from the amplifier.
UNPACKING AND INSTALLATION
5