Toa A-230 CE-GB Manuale utente

OPERATING INSTRUCTIONS
PA AMPLIFIER A-230 CE-GB
Please follow the instructions in this manual to obtain the optimum results from this unit.
We also recommend that you keep this manual handy for future reference.

2
TABLE OF CONTENTS
1. IMPORTANT SAFETY INSTRUCTIONS ..................................................... 3
2. SAFETY PRECAUTIONS.................................................................................. 3
3. GENERAL DESCRIPTION .............................................................................. 5
4. FEATURES ........................................................................................................... 5
5. NOMENCLATURE AND FUNCTIONS
5.1 Front .................................................................................................................... 6
5.2 Rear .................................................................................................................... 6
6. CONNECTIONS
6.1. Input Connections ............................................................................................... 7
6.2. Output Connections ............................................................................................ 8
6.3 Example of External Equipment Connections..................................................... 8
7. MUTING FUNCTION .......................................................................................... 9
8. INSTALLATION ................................................................................................... 9
9. VOLUME CONTROL SETTINGS ................................................................. 10
10. BLOCK & LEVEL DIAGRAM......................................................................... 10
11. DIMENSIONAL DIAGRAM ............................................................................. 11
12. SPECIFICATIONS ............................................................................................. 12

3
When Installing the Unit
• Do not expose the unit to rain or an environment
where it may be splashed by water or other liquids,
as doing so may result in fire or electric shock.
• Use the unit only with the voltage specified on the
unit. Using a voltage higher than that which is
specified may result in fire or electric shock.
• Do not cut, kink, otherwise damage nor modify the
power supply cord. In addition, avoid using the
power cord in close proximity to heaters, and never
place heavy objects -- including the unit itself -- on
the power cord, as doing so may result in fire or
electric shock.
• Avoid installing or mounting the unit in unstable
locations, such as on a rickety table or a slanted
surface. Doing so may result in the unit falling
down and causing personal injury and/or property
damage.
2. SAFETY PRECAUTIONS
• Before installation or use, be sure to carefully read all the instructions in this section for correct and safe
operation.
• Be sure to follow all the precautionary instructions in this section, which contain important warnings and/or
cautions regarding safety.
• After reading, keep this manual handy for future reference.
Safety Symbol and Message Conventions
Safety symbols and messages described below are used in this manual to prevent bodily injury and property
damage which could result from mishandling.
Before operating your product, read this manual first and understand the safety symbols and messages so
you are thoroughly aware of the potential safety hazards.
Indicates a potentially hazardous situation which, if mishandled, could
result in death or serious personal injury.
Indicates a potentially hazardous situation which, if mishandled, could
result in moderate or minor personal injury, and/or property damage.
WARNING
CAUTION
• Read these instructions.
• Keep these instructions.
• Heed all warnings.
• Follow all instructions.
• Do not use this apparatus near water.
• Clean only with dry cloth.
• Do not block any ventilation openings. Install in
accordance with the manufacture's instructions.
• Do not install near any heat sources such as
radiators, heat registers, stoves, or other apparatus
(including amplifiers) that produce heat.
• Do not defeat the safety purpose of the polarized or
grounding-type plug. A polarized plug has two
blades with one wider than the other. A grounding
type plug has two blades and a third grounding
prong. The wide blade or the third prong is
provided for your safety. If the provided plug does
not fit into your outlet, consult an electrician for
replacement of the obsolete outlet.
• Protect the power cord from being walked on or
pinched particularly at plugs, convenience
receptacles, and the point where they exit from the
apparatus.
• Only use attachments/accessories specified by the
manufacturer.
• Use only with the cart, stand, tripod, bracket, or
table specified by the manufacturer, or sold with
the apparatus.
• When a cart is used, use
caution when moving the
cart/apparatus combination to
avoid injury from tip-over.
• Unplug this apparatus during lightning storms or
when unused for long periods of time.
• Refer all servicing to qualified service personnel.
Servicing is required when the apparatus has been
damaged in any way, such as power-supply cord or
plug is damaged, liquid has been spilled or objects
have fallen into the apparatus, the apparatus has
been exposed to rain or moisture, does not operate
normally, or has been dropped.
1. IMPORTANT SAFETY INSTRUCTIONS
WARNING

• The terminals marked with the symbol are
hazardous live. The external wiring to these
terminals requires installation by an instructed
person.
• The apparatus shall be connected to a mains
socket outlet with a protective earthing connection.
When the Unit is in Use
• Should the following irregularity be found during
use, immediately switch off the power, disconnect
the power supply plug from the AC outlet and
contact your nearest TOA dealer. Make no further
attempt to operate the unit in this condition as this
may cause fire or electric shock.
· If you detect smoke or a strange smell coming
from the unit.
· If water or any metallic object gets into the unit
· If the unit falls, or the unit case breaks
· If the power supply cord is damaged (exposure of
the core, disconnection, etc.)
· If it is malfunctioning (no tone sounds.)
• To prevent a fire or electric shock, never open nor
remove the unit case as there are high voltage
components inside the unit. Refer all servicing to
you nearest TOA dealer.
• Do not place cups, bowls, or other containers of
liquid or metallic objects on top of the unit. If they
accidentally spill into the unit, this may cause a fire
or electric shock.
When Installing the Unit
• Never plug in nor remove the power supply plug
with wet hands, as doing so may cause electric
shock.
• When unplugging the power supply cord, be sure
to grasp the power supply plug; never pull on the
cord itself. Operating the unit with a damaged
power supply cord may cause a fire or electric
shock.
• Do not block the ventilation slots in the unit's cover.
Doing so may cause heat to build up inside the unit
and result in fire.
• Avoid installing the unit in humid or dusty locations,
in locations exposed to the direct sunlight, near the
heaters, or in locations generating sooty smoke or
steam as doing otherwise may result in fire or
electric shock.
• To avoid electric shocks, be sure to unplug the
unit's power supply cord when connecting
speakers.
• Be sure to follow the instructions below when rack-
mounting the unit. Failure to do so may cause a fire
or personal injury.
· Install the equipment rack on a stable, hard floor.
Fix it with anchor bolts or take other arrangements
to prevent it from falling down.
· When connecting the unit's power cord to an AC
outlet, use the AC outlet with current capacity
allowable to the unit.
· No rack-mounting screws are supplied with the
unit. Separately prepare the appropriate screws
for the rack.
• Keep the A-230 amplifier over 10 cm away from
objects that may obstruct air flow to prevent the
unit's internal temperature rise.
When the Unit is in Use
• Do not operate the unit for an extended period of
time with the sound distorting. This is an indication
of a malfunction, which in turn can cause heat to
generate and result in a fire.
• Switch off the power, and unplug the power supply
plug from the AC outlet for safety purposes when
cleaning or leaving the unit unused for 10 days or
more. Doing otherwise may cause a fire or electric
shock.
The lighting flash with arrowhead symbol,
within an equilateral triangle, is intended
to alert the user to the presence of
uninsulated ''dangerous voltage'' within
the product's enclosure that may be of
sufficient magnitude to constitute a risk of
electric shock to persons.
• L'appareil ne doit pas etre expose aux
eclaboussures ou ecoulements et tous objets
remplis de liquide, tels que vases, ne doivent pas
etre sur I'appareil.
4
CAUTION
An all-pole mains switch with a contact
separation of at least 3 mm in each pole shall be
incorporated in the electrical installation of the
building.
ATTENTION
over 10 cm
over 10 cm over 10 cm

5
3. GENERAL DESCRIPTION
TOA's Basic Amplifier A-230 is a high cost-performance mixer power amplifier suited for paging
announcement or background music in schools, offices, shops, factories, mosques, churches, and small
rooms.
4. FEATURES
• High durability, high reliability, and high cost performance.
• Two microphone inputs, two AUX inputs.
• Speaker output of constant voltage distribution system (100 V) and low impedance (4 Ω).
• Muting function.
• Independent input volume controls.
• Independent tone controls of cut type for both high and low frequencies.
• MIC 1 input is equipped with a 5-pin DIN connector to provide muting control.
• Current limiter circuitry protects transistors, and the thermal protection circuitry prevents a failure due to
overheat.

6
12
6 7
345
5. NOMENCLATURE AND FUNCTIONS
5.1. Front
1. Power switch
Press to turn on the power.
Press again to turn off the power.
2. Power Indicator
Lights green when power is switched ON.
3. Microphone Volume Controls
Adjust the microphone level.
4. AUX Volume Controls
Adjust the AUX level.
5. Bass Control
Adjusts bass response. Rotate counterclockwise
to reduce it. The maximum position "0" provides
flat characteristics.
6. Treble Control
Adjusts treble response. Rotate counterclockwise
to reduce it. The maximum position "0" provides
flat characteristics.
7. Signal Indicator
Lights green when power is switched ON, and
indicates an output signal level.
89
10 11 12 13 14
5.2. Rear
8. AC Power Cord
Connects to an AC power source.
9. Output Terminals
Connect to speakers. When connecting speakers,
use only one of the speaker output terminals, low
or high impedance.
10. Terminal Cover
To avoid electric shock due to high voltage from
output terminals, replace the terminal cover after
connection completion.
11. AUX 1 and AUX 2 Input Terminals
–20 dBV (100 mV), 10 kΩ, unbalanced,
monaural RCA pin jacks. Accept external
equipment output signal.
(Refer to Input Connection for details.)

6. CONNECTIONS
6.1. Input Connections
•
Mic 1 Connection (5-pin DIN Plug) 5-pin DIN connection.
Pin-1: Hot, Pin-2: Earth, Pin-3: Cold, Pin-4 and Pin-5: mute switch. When pin-4 is shorted with pin-5, the
muting function is operated.
7
12. MIC 1 and MIC 2 Inputs
•
( Mic 1 : 5-pin DIN Socket )
–60 dBV (1 mV), 600 Ω, unbalanced.
Use a 5-pin DIN plug connector.
(Refer to Input Connection for details.)
•
( Mic 2 : Single Pole Phone Jack )
–60 dBV (1 mV), 600 Ω, unbalanced.
(Refer to Input Connection for details.)
13. Muting Level Control
Adjusts the background music level 0 – 30 dB to
be automatically reduced when priority function
is operated.
14. Ground Terminal
Connects to ground (earth) to avoid electric
shock.
0 dBV=1 V
Mute SW
To Mic input Dynamic MIC
Two core
shielded cable
1
4
3
E
5
2
MIC
•
Mic 2 (Phone Plug)
Single core shielded cable
To Mic input
MIC
Single Pole Phone Plug
•
AUX input Connections (RCA pin jack)
Signal source
(Tuner, Cassette Tape, etc)
Single core shielded cable

8
6.2. Output Connections
Be sure to replace the supplied terminal cover after connection
completion. Because high voltage is applied to the speaker terminals,
never touch these terminals to avoid electric shock.
CAUTION
•Low Impedance Speaker •100 V Line Speaker
COM 4Ω 100V
4 − 8Ω
Speaker
100 V Line
Speaker
COM 4Ω 100V
CAUTION!
• The 4 Ωand 100 V terminals cannot be used at the same time.
• Impedance indicated above the terminal represents the total speaker (load) impedance.
Total impedance of 100 V line is 330 Ω.
6.3. Example of External Equipment Connections
AC Mains
Dynamic Microphone
Dynamic Microphone
Radio Tuner or CD Player
Cassette Deck Player
100V Line
Column Speaker with
Matching Transformer
100V Line
Horn Speaker with
Matching Transformer

9
7. MUTING FUNCTION
Shorting DIN plugs pin-4 and pin-5 of rear-mounted Mic 1 input allows Mic 1 input to reduce the volume of Mic
2, Aux 1, and Aux 2 inputs by 0 to 30 dB. The attenuation level is preset for –30 dB at the factory.
We recommend using TOA's microphone PM-222D or PM-660D to bring the best results.
13
E
2
5
Hot
Cold
Ground (Shield)
Mute Switch
4
5-pin DIN Connector
0–30dB
MUTE ADJ
Remark: About Mute function.
• When a Mute switch connected across pins 4 and 5 is closed, the Mute circuit works promptly.
• It returns to the previous state after 3 seconds when the Mute switch is opened.
8. INSTALLATION
Keep the unit over 10 cm away from objects that may obstruct air flow to prevent the unit's internal
temperature rise.
over 10 cm
over 10 cm over 10 cm

10
9. VOLUME CONTROL SETTINGS
Output levels are adjustable with individual volume controls. For music play or announcement, adjust the
corresponding volume control so that the signal output is not distorted.
Note that the sound quality is downgraded when the output is distorted.
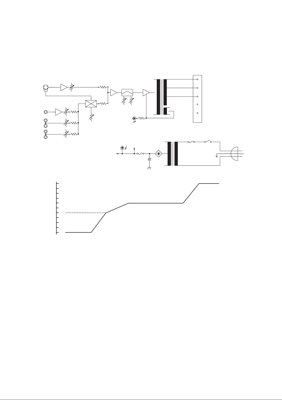
10. BLOCK & LEVEL DIAGRAM
Power LED
Signal Level LED
OT
PT
Tone
Bass Treble
Mute Level
0 to –30 dB
MIC2
600 Ω, –60 dBV
Unbalanced
MIC1
600 Ω, –60 dBV
Unbalanced
DC
Fuse
AUX1
10 kΩ, –20 dBV
Unbalanced
AUX2
10 kΩ, –20 dBV
Unbalanced
AC Main
50 Hz
100 V
4 Ω
COM
AC
Fuse
+40
–60
–40
–20
+20
0 dBV Aux
−20 dBV
Mic
−60 dBV
Mixing
–20 dBV
Pre-Amp
Output
0 dBV
Power Amp
100 V output
+40 dBV
0 dBV = 1 V
Indice
Altri manuali Toa Amplificatore

Toa
Toa MA-725F Manuale utente

Toa
Toa M-9000M2 Istruzioni per l'installazione

Toa
Toa BG-220 Manuale utente

Toa
Toa IP-300D Manuale utente

Toa
Toa WA-Z100SD AS Manuale utente

Toa
Toa A-903MK2 Manuale utente

Toa
Toa DA-1000F Manuale utente

Toa
Toa WA-Z110SD-AS Manuale utente

Toa
Toa BG-2035 Istruzioni per l'uso e l'installazione

Toa
Toa BG-2035 Istruzioni per l'uso e l'installazione

Toa
Toa WA-1830M-AS Manuale utente

Toa
Toa A-2060 CE Manuale utente

Toa
Toa 9000 Series Manuale utente

Toa
Toa A-706 Manuale utente

Toa
Toa P-906MK2 Manuale utente

Toa
Toa BG-2480D-AM Manuale utente

Toa
Toa A-9060DH Manuale utente

Toa
Toa A-503A Manuale utente

Toa
Toa DA-250F CU Manuale utente

Toa
Toa A-9120DH Manuale utente





















