
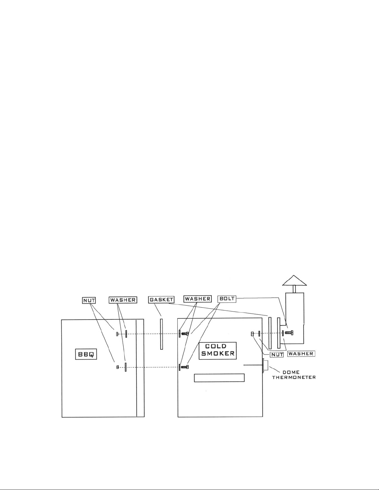
INTRODUCTION
Congratulations on purchasing the Traeger Cold Smoker accessory
for your Traeger Wood Pellet Grill. With a little practice, you’ll be
producing delectable tasting smoked fish, nuts, and cheeses, which
can be enjoyed by family and friends alike.
Cold smoking uses hardwood smoke to help preserve and flavor
nuts, cheese and meats. Most of the smoked hams, fish, cheeses
and nuts you find in food and gourmet stores have been cold
smoked.
Typically cold smoking is done at temperatures between 70-100
degrees F.
Because smoking temperatures are so low, extreme care must be
taken to ensure that bacteria are not allowed to grow on the food
being smoked. This is one reason why we recommend that your cold
smoker be used only to smoke fish, nuts and cheese, and never
meat-which requires a completely separate body of knowledge not
covered by this manual.
We encourage you to experiment using different species of fish,
different types of cheeses and nuts in your cold smoking adventures.
It is highly recommended that you keep a log of your cold smoking
activities so that you can repeat your successes.
Even though fish, nuts and cheese are rendered to a preserved state,
the items will need to be refrigerated and eaten within one week of
smoking.