
3
Precautions
All precautions have been taken at the factory to
insure that the equipment functions properly. To
insure proper operation and to prevent equipment
damage, please observe the following:
•Unplug the power supply before making any
connections to the control unit.
•Do not locate the control unit closer than 18
inches or further than five feet from the power
supply.
•Do not use a lamp tester to check signals, use a
voltmeter. A lamp tester when first applies is a
short circuit to electronic circuits.
•Do not apply power to the control unit until all
connections have been checked.
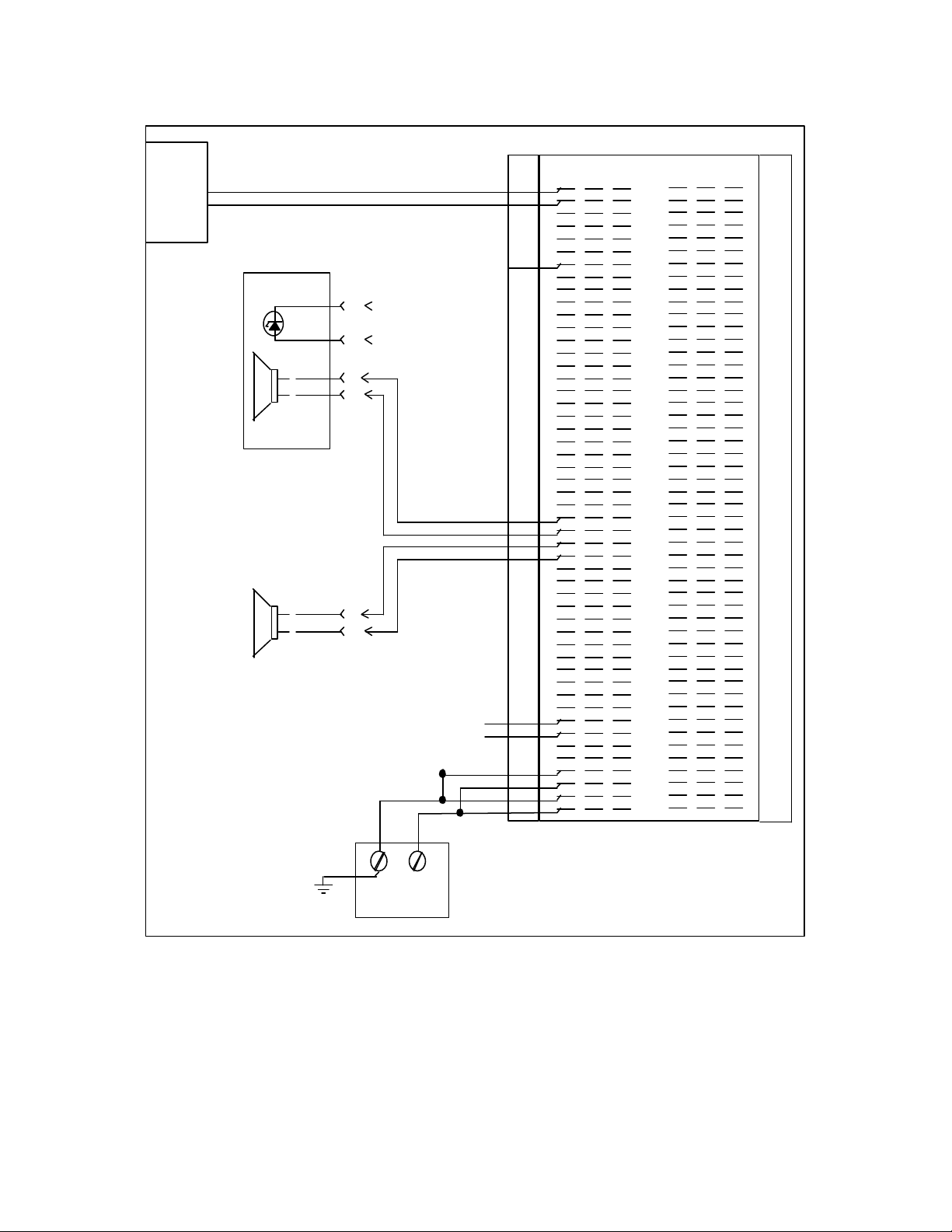
Mounting
Mount the unit in a vacant space in an equipment
cabinet, rack or key system cabinet, allowing enough
room at the rear of the unit to plug in an amphenol
connector. Mount a 66B type punchdown block near
the unit and label it per Figure 2.
Cabling
A 25 pair cable with a female connector should be ran
from the unit to the connection block. The cable
should be terminated on the connection block in
standard color code order. Verify that the
connections are correct prior to plugging the other
end of the cable into the V-1109RTHF Page Unit.
Connections to PABX System
The V-1109RTHF may be accessed by connecting the
W/BL and BL/W to the Tip and Ring, respectively, of
a Loop Start Trunk Circuit. Refer to Figure 3 for
connections.
Connections to Electronic Key
Systems
The V-1109RTHF may be accessed by a C.O. line
position of an Electronic Key System by connecting
the W/BL, BL/W of the V-1109RTHF to a spare line
position of the Electronic Key. This line position
must be equipped with a trunk card. Refer to Figure 3
for connections.
Connections to 1A2 Key System
The V-1109RTHF may be connected to a spare button
of a 1A2 Key Telephone by making the following
connections (a 400 type line card is not needed in
this application):
•W/BL, BL/W of V-1109RTHF to spare button Tip
and Ring. Refer to Figure 4 for connections.
•O/W to Lamp Lead of spare button for lamp
connections. Refer to Figure 4 for connections.
NOTE: For Meet Me Page on 1A2, connect A-Leads
from spare button using 10K Ohm resistors in series
with each A-Lead. The other side of resistors are
connected to the BK/G (inhibit) of V-1109RTHF.
Refer to Figure 6 for connections.
Power Connections
•The V-1109RTHF is designed to use -24VDC
battery
•Connect the V/BR lead to Talk Ground
•Connect the BR/V lead to Talk Battery (-24VDC
filtered).
•Connect the V/S lead to Signal Ground
•Connect the S/V lead to Signal Battery (-24VDC
unfiltered)
NOTE: When the V-1109RTHF is connected to a 1A2
Key System, connect W/O to 10VAC lamp battery.
Refer to Figure 5 for connections.
NOTE: When the V-1109RTHF is connected to a Key
System power supply, all grounds should be common
and connect to an earth ground, i.e., cold water pipe.
Speaker Connections
The output for paging zones start at the BK/BR pair
(zone 1) through the V/O pair (zone 9). Refer to Figure
4 for typical speaker connections using Valcom 45
Ohm Talkback speakers. No more than two 45 Ohm
Talkback speakers may be connected to a zone.
NOTE: All speakers should be connected with
twisted pair, including cross-connections.
Music Connections
The output of a tuner or receiver may be connected to
the V/G pair of the V-1109RTHF to provide
system-wide background music.
NOTE: A low level (0.25vrms) 8 to 600 Ohm source
should be used. Do not connect the output of a high
power amplifier to this input.