
9
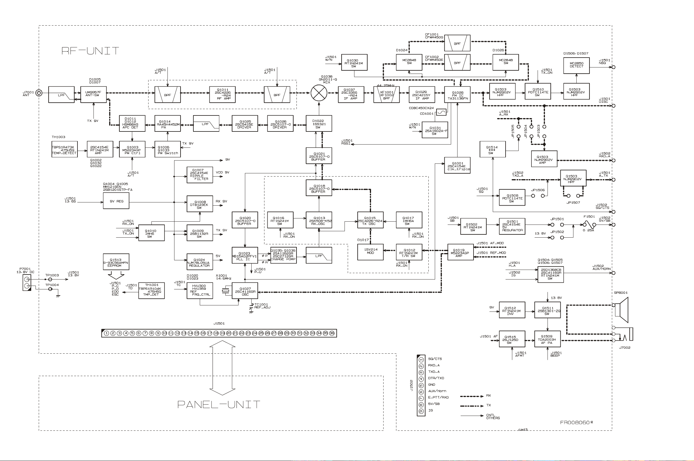
1. Overview
The VX-3200U is a UHF FM mobile transceiver designed
to operate in the frequency range of 400 to 512MHz.
2. Circuit Configuration by Frequency
The receiver is a double-conversion superheterodyne with
a first intermediate frequency (IF) of 44.25MHz and a sec-
ond IF of 450kHz. Incoming signals from the antenna are
mixed with the local signal from PLL to produce the first
IF of 44.25MHz.
This is then mixed with the 43.8MHz second local oscilla-
tor (using the 14.6MHz reference crystal) output to pro-
duce the 450kHz second IF. This is detected to give the
demodulated signal.
The transmit signal frequency is generated by PLL VCO,
and modulated by the signal from the microphone. It is
then amplified and sent to the antenna.
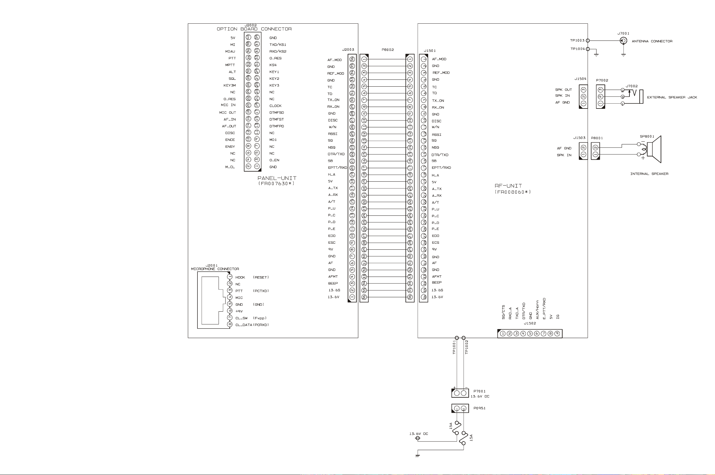
3. Receive Signal Path
Incoming RF signals from the antenna connector are de-
livered to the RF Unit, and pass through a low-pass filter
(LPF) antenna switching network consisting of coils L1001,
L1002, L1003, L1004, and L1005, capacitors C1004, C1008,
C1009, C1011, and C1014, and antenna switching diodes
D1005 and D1007 (both UM9957F) for delivery to the re-
ceiver front end.
Signals within the frequency range of the transceiver are
then passed through a varactor-tuned bandpass filter con-
sisting of L1008, L1009 before RF amplification by Q1011
(2SC4226).
The amplified RF is then band-pass filtered again by var-
actor-tuned resonators L1019, L1023 to ensure pure in-
band input to 1st mixer Q1038 (GN2011).
Buffered output from the VCO Unit is amplified byQ1021
(2SC5107) and low-pass filtered by L1030/L1031 and
C1184/C1188/C1192, to provide a pure 1st local signal
between 355.75 and 467.75MHz to the 1st mixer.
The 44.25MHz 1st mixer product then passes through dual
monolithic crystal filters XF1001 and XF1002, and is am-
plified by Q1029 (2SC4215Y) and delivered to the input
of the FM IF subsystem IC Q1028 (TA31136FN).
This IC contains the 2nd mixer, 2nd local oscillator, limit-
er amplifier, FM detector, noise amplifier, and squelch
gates.
The 2nd LO in the IF-IC is produced from crystal X1001
(14.600MHz), and the 1st IF is converted to 450kHz by the
2nd mixer and stripped of unwanted components by ce-
ramic filter CF1001 or CF1002. After passing through a
limiter amplifier, the signal is demodulated by the FM
detector CD1001 (CDBC450CX24).
Detected audio from Q1028 (TA31136FN) is applied to
Q2016 (AK2345) and audio low-pass filter. After volume
adjustment by Q2014 (M62364FP), the audio signal is am-
plified by the AF power amplifierQ1509 (TDA2003H) and
passed to speaker jack.
4. Transmit Signal Path
Voice audio from the microphone is delivered via the MIC
(Jack) Unit to the PANEL Unit, after passing through
amplifier Q2022(NJM2902V), Mic gain-volume Q2014
(M62364FP) pre-emphasis Q2015 (NJM2902V), and lim-
iter Q2016 (IDC instantaneous deviation control), is ad-
justed for optimum deviation level and delivered to the
next stage.
Voice input from the microphone and CTCSS are FM-
modulated to the VCO of the synthesizer, while DCS au-
dio is modulated by the reference frequency oscillator of
the synthesizer.
Synthesizer output, after passing through diode switch
D1022 (1SS321), is amplified by driver Q1025
(2SC5415E), Q1026 (2SC5107) and power moduleQ1039
(RA45H4452M) to obtain full RF output. The RF energy
then passes through antenna switch D1005/D1007 and a
low-pass filter circuit and finally to the antenna connec-
tor.
RF output power from the final amplifier is sampled by
CM coupler and is rectified by D1011, D1012 (both
HSM88AS). The resulting DC is fed through Automatic
Power Controller Q1003 (M5223AGP), Q1002
(RT1N241M), Q1032 (RT1N241M), Q1022 (RT1N241M),
and TH1003 to transmitter RF amplifier and thus the pow-
er output.
Generation of spurious products by the transmitter is min-
imized by the fundamental carrier frequency being equal
to the final transmitting frequency, modulated directly in
the transmit VCO. Additional harmonic suppression is
provided by a low-pass filter consisting of coils L1001,
L1003, L1004, capacitors C1004, C1008, C1009, C1011, and
C1014, resulting in more than 70dB of harmonic suppres-
sion prior to delivery to the RF energy to the antenna.
5. PLL Frequency Synthesizer
PLL frequency synthesizer consists of the VCO Q1013
(2SK508-K52: RX) and Q1015 (2SC4226-R24: TX), VCO
buffers Q1018, Q1020, Q1021 (all 2SC5107-0), PLL sub-
system IC Q1023 (MB15A02PFV) and 14.6MHz reference
crystal X1001.
The frequency stability is ±2.5ppm within temperature
range of –30 to +60 degree. The output of the 14.6MHz
reference is applied to pin 8 of the PLL IC.
While receiving, VCOQ1013 oscillates between 355.75 and
467.75MHz according to the transceiver version and the
programmed receiving frequency. The VCO generates
355.75 to 467.75MHz for providing to the first local sig-
nal. In TX, the VCO generates 400 to 512MHz.
Circuit Description